21312 E/C4
В наличии
Будет доступен:
Цена на подшипник 21312 E/C4 является расчетной и зависит от следующих факторов:
Для уточнения актуальной цены и наличия:
Конструкция повышенной мощности ULTAGE, симметричные ролики.
Коническое отверстие (1:12 по диаметру). Конструкция повышенной мощности ULTAGE, симметричные ролики.
Конструкция повышенной мощности ULTAGE, симметричные ролики. Только цилиндрический роликовый подшипник, ролик и сепаратор.
Внутренний зазор больше нормального. Конструкция повышенной мощности ULTAGE, симметричные ролики.
Внутренний зазор больше нормального. Коническое отверстие (1:12 по диаметру). Конструкция повышенной мощности ULTAGE, симметричные ролики.
Радиальный зазор для цилиндрических роликоподшипников с невзаимозаменяемыми компонентами подшипника. Последующее число указывает на класс зазора (если зазор нормальный, число отсутствует). Коническое отверстие (1:12 по диаметру).
Коническое отверстие (1:12 по диаметру). Подшипник с коническим отверстием. Специальный зазор. Двух- или трехзначное число после буквы С обозначает средний осевой зазор в мкм. Угол контакта 40 градусов для радиально-упорных типов.
Коническое отверстие (1:12 по диаметру). Угол контакта 40 градусов для радиально-упорных типов.
Внутренний зазор больше нормального. Специальный зазор. Двух- или трехзначное число после буквы С обозначает средний осевой зазор в мкм.
Специальный зазор. Двух- или трехзначное число после буквы С обозначает средний осевой зазор в мкм. Измененный размер вала - не взаимозаменяем.
Специальный зазор. Двух- или трехзначное число после буквы С обозначает средний осевой зазор в мкм.
Самоустанавливающийся роликоподшипник с измененной внутренней конструкцией, с сепаратором из стального листа.
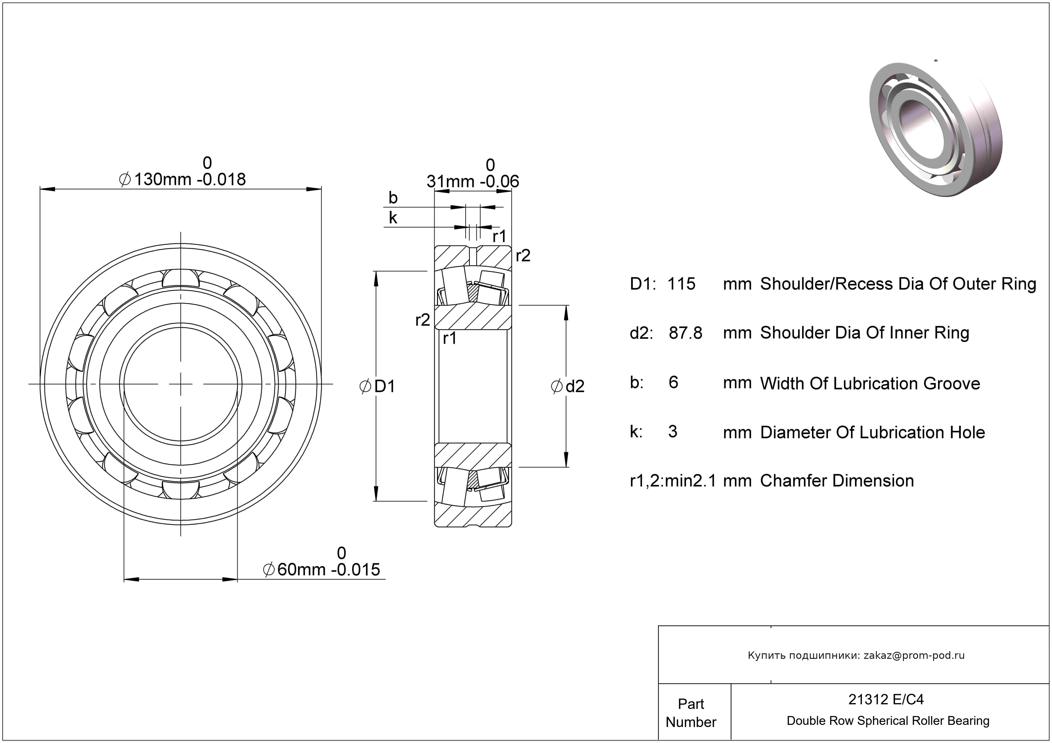
Для двухрядных цилиндрических роликоподшипников: канавка для смазки и отверстия для смазки в наружном кольце (зависит от размера подшипника: E, E1, E2, E3, E4). Для сферических роликоподшипников: канавка для смазки и отверстия для смазки в наружном кольце. Конструкция с повышенной грузоподъемностью, штампованный стальной сепаратор.
6 смазочных отверстий на наружной обойме. Конструкция с повышенной грузоподъемностью, штампованный стальной сепаратор.
6 смазочных отверстий на наружной обойме. Конструкция с повышенной грузоподъемностью, штампованный стальной сепаратор.
6 смазочных отверстий на наружной обойме. Конструкция с повышенной грузоподъемностью, штампованный стальной сепаратор.
Для двухрядных цилиндрических роликоподшипников: канавка для смазки и отверстия для смазки в наружном кольце (зависит от размера подшипника: E, E1, E2, E3, E4). Для сферических роликоподшипников: канавка для смазки и отверстия для смазки в наружном кольце. Двухрядный подшипник с вершинами контактных углов снаружи подшипников, стальной фиксатор, тип Conrad. Угол контакта 40 градусов для радиально-упорных типов.
6 смазочных отверстий на наружной обойме. Двухрядный подшипник с вершинами контактных углов снаружи подшипников, стальной фиксатор, тип Conrad. Угол контакта 40 градусов для радиально-упорных типов.
Оптимизированный профиль (для метрических серий). Малошумный. Граничные размеры не соответствуют серии размеров ISO.
Угол контакта 25 градусов. Оптимизированный профиль (для метрических серий). Малошумный. Граничные размеры не соответствуют серии размеров ISO.
Внутренний зазор меньше нормального. Оптимизированный профиль (для метрических серий). Малошумный. Граничные размеры не соответствуют серии размеров ISO.
Внутренний зазор больше нормального. Оптимизированный профиль (для метрических серий). Малошумный. Граничные размеры не соответствуют серии размеров ISO.
Угол контакта 25 градусов. Внутренний зазор больше нормального. Оптимизированный профиль (для метрических серий). Малошумный. Граничные размеры не соответствуют серии размеров ISO.
Внутренний зазор больше С3. Оптимизированный профиль (для метрических серий). Малошумный. Граничные размеры не соответствуют серии размеров ISO.
Оптимизированный профиль (для метрических серий). Коническое отверстие (1:12 по диаметру). Малошумный. Граничные размеры не соответствуют серии размеров ISO.
Внутренний зазор больше нормального. Оптимизированный профиль (для метрических серий). Коническое отверстие (1:12 по диаметру). Малошумный. Граничные размеры не соответствуют серии размеров ISO.
Сепаратор: Сепаратор из стеклонаполненного полиамида (PA66), сепаратор оконного типа, с центрированием по внутреннему кольцу. Оптимизированный профиль (для метрических серий). Коническое отверстие (1:12 по диаметру). Малошумный. Граничные размеры не соответствуют серии размеров ISO.
Сепаратор: Сепаратор из стеклонаполненного полиамида (PA66), сепаратор оконного типа, с центрированием по внутреннему кольцу. Внутренний зазор больше нормального. Оптимизированный профиль (для метрических серий). Коническое отверстие (1:12 по диаметру). Малошумный. Граничные размеры не соответствуют серии размеров ISO.
Угол контакта 25 градусов. Оптимизированный профиль (для метрических серий). Коническое отверстие (1:12 по диаметру). Малошумный. Граничные размеры не соответствуют серии размеров ISO.
Сепаратор: Сепаратор из стеклонаполненного полиамида (PA66), сепаратор оконного типа, с центрированием по внутреннему кольцу. Оптимизированный профиль (для метрических серий). Малошумный. Граничные размеры не соответствуют серии размеров ISO.
Цилиндрический подшипник, внутреннее кольцо с двойным фланцем, наружное свободное. Самоустанавливающийся роликоподшипник с измененной внутренней конструкцией, с сепаратором из стального листа. Конструкция повышенной мощности ULTAGE, симметричные ролики.
Цилиндрический подшипник, внутреннее кольцо с двойным фланцем, наружное свободное. Радиальные шариковые подшипники и незаменяемый зазор цилиндрических роликовых подшипников для электродвигателей. Конструкция повышенной мощности ULTAGE, симметричные ролики.
Цилиндрический подшипник, внутреннее кольцо с двойным фланцем, наружное свободное. Оптимизированная внутренняя конструкция предусматривает увеличенное количество роликов и/или ролики большего размера с улучшенными условиями контакта торцов роликов с бортами внутреннего кольца. Уплотнение с одной стороны.
Наружное кольцо с двумя бортиками, внутреннее кольцо с одним бортиком. Самоустанавливающийся роликоподшипник с измененной внутренней конструкцией, с сепаратором из стального листа. Конструкция повышенной мощности ULTAGE, симметричные ролики.
Наружное кольцо с двумя бортиками, внутреннее кольцо с одним бортиком. Радиальные шариковые подшипники и незаменяемый зазор цилиндрических роликовых подшипников для электродвигателей. Конструкция повышенной мощности ULTAGE, симметричные ролики.
Наружное кольцо с двумя бортиками, внутреннее кольцо с одним бортиком. Радиальные шариковые подшипники и незаменяемый зазор цилиндрических роликовых подшипников для электродвигателей. Конструкция повышенной мощности ULTAGE, симметричные ролики. Малошумный.
Наружное кольцо с двумя бортиками, внутреннее кольцо с одним бортиком. Оптимизированная внутренняя конструкция предусматривает увеличенное количество роликов и/или ролики большего размера с улучшенными условиями контакта торцов роликов с бортами внутреннего кольца. Уплотнение с одной стороны.
Наружное кольцо с двумя бортиками, внутреннее кольцо с одним бортиком. Литой сепаратор из стеклонаполненного полиэфирэфиркетона РЕЕК, центрируемый по шарикам (роликам). Оптимизированная внутренняя конструкция предусматривает увеличенное количество роликов и/или ролики большего размера с улучшенными условиями контакта торцов роликов с бортами внутреннего кольца.
Наружное кольцо с двумя бортиками, внутреннее кольцо без бортиков. Самоустанавливающийся роликоподшипник с измененной внутренней конструкцией, с сепаратором из стального листа. Конструкция повышенной мощности ULTAGE, симметричные ролики.
Наружное кольцо с двумя бортиками, внутреннее кольцо без бортиков. Радиальные шариковые подшипники и незаменяемый зазор цилиндрических роликовых подшипников для электродвигателей. Конструкция повышенной мощности ULTAGE, симметричные ролики.
Наружное кольцо с двумя бортиками, внутреннее кольцо без бортиков. Радиальные шариковые подшипники и незаменяемый зазор цилиндрических роликовых подшипников для электродвигателей. Конструкция повышенной мощности ULTAGE, симметричные ролики. Малошумный.
Наружное кольцо с двумя бортиками, внутреннее кольцо без бортиков. Оптимизированная внутренняя конструкция предусматривает увеличенное количество роликов и/или ролики большего размера с улучшенными условиями контакта торцов роликов с бортами внутреннего кольца. Уплотнение с одной стороны.
Наружное кольцо с двумя бортиками, внутреннее кольцо без бортиков. Литой сепаратор из стеклонаполненного полиэфирэфиркетона РЕЕК, центрируемый по шарикам (роликам). Оптимизированная внутренняя конструкция предусматривает увеличенное количество роликов и/или ролики большего размера с улучшенными условиями контакта торцов роликов с бортами внутреннего кольца.
Наружное кольцо с двумя бортиками, внутреннее кольцо с одним бортиком и свободным кольцом. Самоустанавливающийся роликоподшипник с измененной внутренней конструкцией, с сепаратором из стального листа. Конструкция повышенной мощности ULTAGE, симметричные ролики.
Наружное кольцо с двумя бортиками, внутреннее кольцо с одним бортиком и свободным кольцом. Радиальные шариковые подшипники и незаменяемый зазор цилиндрических роликовых подшипников для электродвигателей. Конструкция повышенной мощности ULTAGE, симметричные ролики.
Наружное кольцо с двумя бортиками, внутреннее кольцо с одним бортиком и свободным кольцом. Радиальные шариковые подшипники и незаменяемый зазор цилиндрических роликовых подшипников для электродвигателей. Конструкция повышенной мощности ULTAGE, симметричные ролики. Малошумный.
Наружное кольцо с двумя бортиками, внутреннее кольцо с одним бортиком и свободным кольцом. Оптимизированная внутренняя конструкция предусматривает увеличенное количество роликов и/или ролики большего размера с улучшенными условиями контакта торцов роликов с бортами внутреннего кольца. Уплотнение с одной стороны.
Наружное кольцо с двумя бортиками, внутреннее кольцо без бортиков. Внутренний зазор больше нормального. Внутренний зазор больше С4. Радиальные шариковые подшипники и незаменяемый зазор цилиндрических роликовых подшипников для электродвигателей. Конструкция повышенной мощности ULTAGE, симметричные ролики. Слепое отверстие для штифта в наружном кольце O.D. Опускается, если внутреннее кольцо не поставляется.
Наружное кольцо с двумя бортиками, внутреннее кольцо без бортиков. Внутренний зазор больше нормального. Радиальные шариковые подшипники и незаменяемый зазор цилиндрических роликовых подшипников для электродвигателей. Внутренний конструкторский индекс. Конструкция повышенной мощности ULTAGE, симметричные ролики. Малошумный.
| Товар / Аналог | Тип | Расшифровка / Описание |
|---|---|---|
| N 312 ECJ | Цилиндрический роликовый подшипник | Цилиндрический подшипник, внутреннее кольцо с двойным фланцем, наружное свободное. Самоустанавливающийся роликоподшипник с измененной внутренней конструкцией, с сепаратором из стального листа. Конструкция повышенной мощности ULTAGE, симметричные ролики. |
| N 312 ECM | Цилиндрический роликовый подшипник | Цилиндрический подшипник, внутреннее кольцо с двойным фланцем, наружное свободное. Радиальные шариковые подшипники и незаменяемый зазор цилиндрических роликовых подшипников для электродвигателей. Конструкция повышенной мощности ULTAGE, симметричные ролики. |
| N 312 ECP | Цилиндрический роликовый подшипник | Цилиндрический подшипник, внутреннее кольцо с двойным фланцем, наружное свободное. Оптимизированная внутренняя конструкция предусматривает увеличенное количество роликов и/или ролики большего размера с улучшенными условиями контакта торцов роликов с бортами внутреннего кольца. Уплотнение с одной стороны. |
| NJ 312 ECJ | Цилиндрический роликовый подшипник | Наружное кольцо с двумя бортиками, внутреннее кольцо с одним бортиком. Самоустанавливающийся роликоподшипник с измененной внутренней конструкцией, с сепаратором из стального листа. Конструкция повышенной мощности ULTAGE, симметричные ролики. |
| NJ 312 ECM | Цилиндрический роликовый подшипник | Наружное кольцо с двумя бортиками, внутреннее кольцо с одним бортиком. Радиальные шариковые подшипники и незаменяемый зазор цилиндрических роликовых подшипников для электродвигателей. Конструкция повышенной мощности ULTAGE, симметричные ролики. |
| NJ 312 ECML | Цилиндрический роликовый подшипник | Наружное кольцо с двумя бортиками, внутреннее кольцо с одним бортиком. Радиальные шариковые подшипники и незаменяемый зазор цилиндрических роликовых подшипников для электродвигателей. Конструкция повышенной мощности ULTAGE, симметричные ролики. Малошумный. |
| NJ 312 ECP | Цилиндрический роликовый подшипник | Наружное кольцо с двумя бортиками, внутреннее кольцо с одним бортиком. Оптимизированная внутренняя конструкция предусматривает увеличенное количество роликов и/или ролики большего размера с улучшенными условиями контакта торцов роликов с бортами внутреннего кольца. Уплотнение с одной стороны. |
| NJ 312 ECPH | Цилиндрический роликовый подшипник | Наружное кольцо с двумя бортиками, внутреннее кольцо с одним бортиком. Литой сепаратор из стеклонаполненного полиэфирэфиркетона РЕЕК, центрируемый по шарикам (роликам). Оптимизированная внутренняя конструкция предусматривает увеличенное количество роликов и/или ролики большего размера с улучшенными условиями контакта торцов роликов с бортами внутреннего кольца. |
| NU 312 ECJ | Цилиндрический роликовый подшипник | Наружное кольцо с двумя бортиками, внутреннее кольцо без бортиков. Самоустанавливающийся роликоподшипник с измененной внутренней конструкцией, с сепаратором из стального листа. Конструкция повышенной мощности ULTAGE, симметричные ролики. |
| NU 312 ECM | Цилиндрический роликовый подшипник | Наружное кольцо с двумя бортиками, внутреннее кольцо без бортиков. Радиальные шариковые подшипники и незаменяемый зазор цилиндрических роликовых подшипников для электродвигателей. Конструкция повышенной мощности ULTAGE, симметричные ролики. |
| NU 312 ECML | Цилиндрический роликовый подшипник | Наружное кольцо с двумя бортиками, внутреннее кольцо без бортиков. Радиальные шариковые подшипники и незаменяемый зазор цилиндрических роликовых подшипников для электродвигателей. Конструкция повышенной мощности ULTAGE, симметричные ролики. Малошумный. |
| NU 312 ECP | Цилиндрический роликовый подшипник | Наружное кольцо с двумя бортиками, внутреннее кольцо без бортиков. Оптимизированная внутренняя конструкция предусматривает увеличенное количество роликов и/или ролики большего размера с улучшенными условиями контакта торцов роликов с бортами внутреннего кольца. Уплотнение с одной стороны. |
| NU 312 ECPH | Цилиндрический роликовый подшипник | Наружное кольцо с двумя бортиками, внутреннее кольцо без бортиков. Литой сепаратор из стеклонаполненного полиэфирэфиркетона РЕЕК, центрируемый по шарикам (роликам). Оптимизированная внутренняя конструкция предусматривает увеличенное количество роликов и/или ролики большего размера с улучшенными условиями контакта торцов роликов с бортами внутреннего кольца. |
| NUP 312 ECJ | Цилиндрический роликовый подшипник | Наружное кольцо с двумя бортиками, внутреннее кольцо с одним бортиком и свободным кольцом. Самоустанавливающийся роликоподшипник с измененной внутренней конструкцией, с сепаратором из стального листа. Конструкция повышенной мощности ULTAGE, симметричные ролики. |
| NUP 312 ECM | Цилиндрический роликовый подшипник | Наружное кольцо с двумя бортиками, внутреннее кольцо с одним бортиком и свободным кольцом. Радиальные шариковые подшипники и незаменяемый зазор цилиндрических роликовых подшипников для электродвигателей. Конструкция повышенной мощности ULTAGE, симметричные ролики. |
| NUP 312 ECML | Цилиндрический роликовый подшипник | Наружное кольцо с двумя бортиками, внутреннее кольцо с одним бортиком и свободным кольцом. Радиальные шариковые подшипники и незаменяемый зазор цилиндрических роликовых подшипников для электродвигателей. Конструкция повышенной мощности ULTAGE, симметричные ролики. Малошумный. |
| NUP 312 ECP | Цилиндрический роликовый подшипник | Наружное кольцо с двумя бортиками, внутреннее кольцо с одним бортиком и свободным кольцом. Оптимизированная внутренняя конструкция предусматривает увеличенное количество роликов и/или ролики большего размера с улучшенными условиями контакта торцов роликов с бортами внутреннего кольца. Уплотнение с одной стороны. |
| NU 312 ECM/HC5C3 | Цилиндрический роликовый подшипник | Наружное кольцо с двумя бортиками, внутреннее кольцо без бортиков. Внутренний зазор больше нормального. Внутренний зазор больше С4. Радиальные шариковые подшипники и незаменяемый зазор цилиндрических роликовых подшипников для электродвигателей. Конструкция повышенной мощности ULTAGE, симметричные ролики. Слепое отверстие для штифта в наружном кольце O.D. Опускается, если внутреннее кольцо не поставляется. |
| NU 312 ECM/C3VL0241 | Цилиндрический роликовый подшипник | Наружное кольцо с двумя бортиками, внутреннее кольцо без бортиков. Внутренний зазор больше нормального. Радиальные шариковые подшипники и незаменяемый зазор цилиндрических роликовых подшипников для электродвигателей. Внутренний конструкторский индекс. Конструкция повышенной мощности ULTAGE, симметричные ролики. Малошумный. |
Безусловно! Наши инженеры помогут найти идентичную замену или подобрать более износостойкий аналог. Свяжитесь с нами по телефону +7 (499) 229-40-33 или отправьте запрос на zakaz@prom-pod.ru.
Чтобы ускорить процесс, укажите маркировку с кольца подшипника, его размеры (d x D x B) или модель оборудования.
Да, для оптовых и постоянных партнеров мы предлагаем индивидуальный прайс-лист. Мы ценим долгосрочное сотрудничество и предоставляем гибкие условия.
Размер скидки фиксируется персонально и зависит от:
Для получения коммерческого предложения с учетом вашей скидки напишите на почту zakaz@prom-pod.ru.
Выберите наиболее удобный для вас вариант:
Для корпоративных клиентов у нас выделен отдельный отдел сопровождения. Позвоните по номеру +7 (499) 229-40-33 или пришлите реквизиты компании на email zakaz@prom-pod.ru.
Мы подготовим счет и полный пакет закрывающих документов в кратчайшие сроки.
Возврат изделий надлежащего качества возможен в течение 10 дней. Важно сохранить заводскую упаковку, товарный вид и отсутствие следов установки (монтажа).
Средства возвращаются в течение 10 рабочих дней после приемки и проверки товара на нашем складе.
Согласно регламенту, мы не принимаем к возврату подшипники со вскрытой упаковкой или явными признаками эксплуатации.
При этом мы полностью несем гарантийные обязательства: в случае обнаружения заводского брака производится оперативная замена или возврат средств.
Стандартный гарантийный срок хранения составляет 2 года. Чтобы подшипник сохранил свои свойства, важно держать его в сухом месте, в заводской упаковке и штатной консервационной смазке.
По конкретным сериям продукции точную информацию всегда подскажут наши менеджеры.
Мы на связи в будние дни с 8:00 до 17:00 (по Москве). Суббота и воскресенье — выходные.
Онлайн-заявки через сайт можно оставлять 24/7. Мы обработаем их в приоритетном порядке сразу в начале следующего рабочего дня.
Для оформления доставки минимальный порог составляет 3000 рублей. Если вы планируете забрать товар самовывозом, сумма заказа может быть любой (при условии наличия позиции на складе).
Еще никто не писал отзывов. Напишите первым!
Поговорите с экспертом нашей компании, за несколько минут он поможет вам не ошибиться в выборе, примет заказ в телефонном режиме и организуют оперативную доставку.
Получите бесплатную консультацию эксперта прямо сейчас!

Компания Prom-Pod.ru
Москва, Россия
Контакты: +7 499 229–40–33
zakaz@prom-pod.ru, prom-pod@mail.ru