230/630 CA/C3W33
В наличии
Будет доступен:
Цена на подшипник 230/630 CA/C3W33 является расчетной и зависит от следующих факторов:
Для уточнения актуальной цены и наличия:
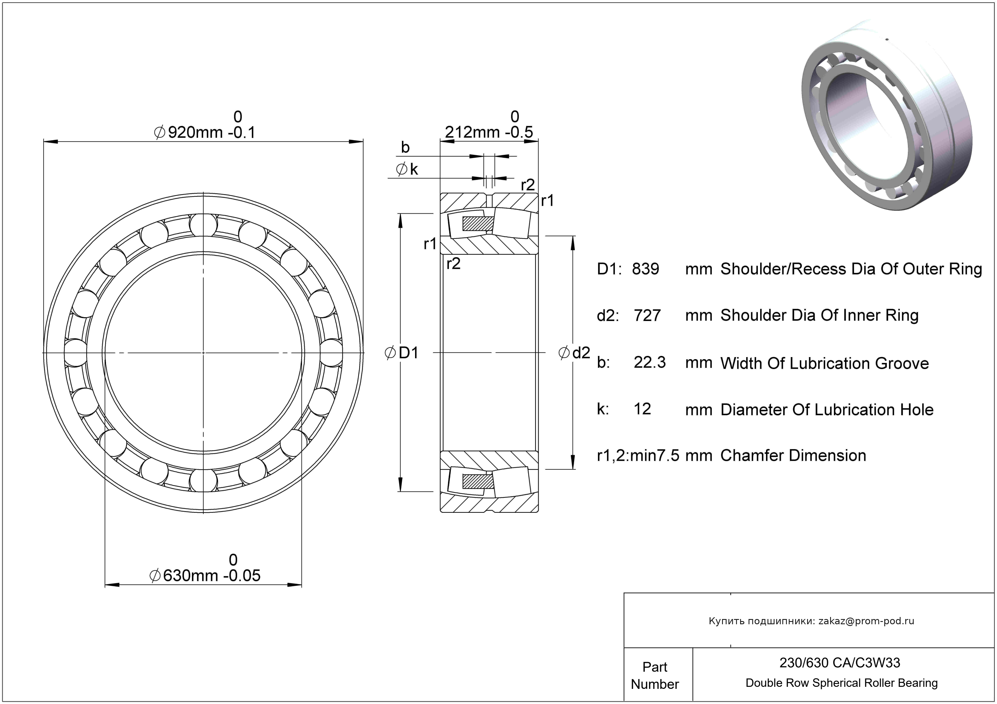
Для двухрядных цилиндрических роликоподшипников: канавка для смазки и отверстия для смазки в наружном кольце (зависит от размера подшипника: E, E1, E2, E3, E4). Для сферических роликоподшипников: канавка для смазки и отверстия для смазки в наружном кольце. Угол контакта 25 градусов. Специальный зазор. Двух- или трехзначное число после буквы С обозначает средний осевой зазор в мкм.
Для двухрядных цилиндрических роликоподшипников: канавка для смазки и отверстия для смазки в наружном кольце (зависит от размера подшипника: E, E1, E2, E3, E4). Для сферических роликоподшипников: канавка для смазки и отверстия для смазки в наружном кольце. Угол контакта 25 градусов. Коническое отверстие (1:12 по диаметру). Специальный зазор. Двух- или трехзначное число после буквы С обозначает средний осевой зазор в мкм.
Для двухрядных цилиндрических роликоподшипников: канавка для смазки и отверстия для смазки в наружном кольце (зависит от размера подшипника: E, E1, E2, E3, E4). Для сферических роликоподшипников: канавка для смазки и отверстия для смазки в наружном кольце. P5 точность (CO2 и CO4). Угол контакта 25 градусов. Коническое отверстие (1:12 по диаметру). Специальный зазор. Двух- или трехзначное число после буквы С обозначает средний осевой зазор в мкм.
W31, W33, W94 и W45A (где это возможно). P5 точность (CO2 и CO4). Угол контакта 25 градусов. Специальный зазор. Двух- или трехзначное число после буквы С обозначает средний осевой зазор в мкм.
W31, W33 и W45A (там, где это возможно). P5 точность (CO2 и CO4). Угол контакта 25 градусов. Коническое отверстие (1:12 по диаметру). Специальный зазор. Двух- или трехзначное число после буквы С обозначает средний осевой зазор в мкм.
Для двухрядных цилиндрических роликоподшипников: канавка для смазки и отверстия для смазки в наружном кольце (зависит от размера подшипника: E, E1, E2, E3, E4). Для сферических роликоподшипников: канавка для смазки и отверстия для смазки в наружном кольце. Угол контакта 25 градусов. Оптимизированный профиль (для метрических серий). С выпуклыми асимметричными роликами и обработанным сепаратором. Специальный зазор. Двух- или трехзначное число после буквы С обозначает средний осевой зазор в мкм.
Для двухрядных цилиндрических роликоподшипников: канавка для смазки и отверстия для смазки в наружном кольце (зависит от размера подшипника: E, E1, E2, E3, E4). Для сферических роликоподшипников: канавка для смазки и отверстия для смазки в наружном кольце. Угол контакта 25 градусов. Внутренний зазор меньше нормального. Специальный зазор. Двух- или трехзначное число после буквы С обозначает средний осевой зазор в мкм. Слепое отверстие для штифта в наружном кольце O.D. Опускается, если внутреннее кольцо не поставляется.
Для двухрядных цилиндрических роликоподшипников: канавка для смазки и отверстия для смазки в наружном кольце (зависит от размера подшипника: E, E1, E2, E3, E4). Для сферических роликоподшипников: канавка для смазки и отверстия для смазки в наружном кольце. Угол контакта 25 градусов. Внутренний зазор больше С3. Коническое отверстие (1:12 по диаметру). Специальный зазор. Двух- или трехзначное число после буквы С обозначает средний осевой зазор в мкм.
W31, W33 и W45A (там, где это возможно). P5 точность (CO2 и CO4). Цельный обработанный латунный сепаратор направленный по внтутреннему кольцу. Коническое отверстие (1:12 по диаметру).
P5 точность хода (CO2 и CO4), C3 RIC. W31, W33 и W45A (там, где это возможно). Цельный обработанный латунный сепаратор направленный по внтутреннему кольцу. Коническое отверстие (1:12 по диаметру).
Подъемные отверстия с резьбой в торце наружного кольца для облегчения подъема и перемещения. Наружное кольцо со стандартными отверстиями для смазки. Цельный обработанный латунный сепаратор направленный по внтутреннему кольцу. Внутренний зазор меньше нормального. Защита поверхности - либо фосфатированная, либо с покрытием MoS2.
Подъемные отверстия с резьбой в торце наружного кольца для облегчения подъема и перемещения. 6 смазочных отверстий на наружной обойме. Цельный обработанный латунный сепаратор направленный по внтутреннему кольцу.
W31, W33 и W45A (там, где это возможно). P5 точность (CO2 и CO4). Цельный обработанный латунный сепаратор направленный по внтутреннему кольцу.
P5 точность хода (CO2 и CO4), C3 RIC. W31, W33 и W45A (там, где это возможно). Цельный обработанный латунный сепаратор направленный по внтутреннему кольцу.
P5 точность хода (CO2 и CO4), C3 RIC. W31, W33, W94 и W45A (где это возможно). Цельный обработанный латунный сепаратор направленный по внтутреннему кольцу.
CO2 + CO4 + W31 + W33 + W401 + W40R (предлагается для изделий с коническим отверстием, заменяет W507A, W534A). Цельный обработанный латунный сепаратор направленный по внтутреннему кольцу. Внутренний зазор больше нормального. Коническое отверстие (1:12 по диаметру).
Сепаратор: Массивный латунный сепаратор с центрированием по внутреннему кольцу. Коническое отверстие (1:12 по диаметру). Войлочное контактное уплотнение.
Сепаратор: Массивный латунный сепаратор с центрированием по внутреннему кольцу. Внутренний зазор больше нормального. Коническое отверстие (1:12 по диаметру). Войлочное контактное уплотнение.
Сепаратор: Массивный латунный сепаратор с центрированием по внутреннему кольцу. Войлочное контактное уплотнение.
Сепаратор: Массивный латунный сепаратор с центрированием по внутреннему кольцу. Внутренний зазор больше нормального. Войлочное контактное уплотнение.
Durotect Z покрытие внешней поверхности наружного кольца. Сепаратор: Массивный латунный сепаратор с центрированием по внутреннему кольцу. Специальный зазор. Двух- или трехзначное число после буквы С обозначает средний осевой зазор в мкм. Войлочное контактное уплотнение.
Угол контакта 25 градусов. Сепаратор: Массивный латунный сепаратор с центрированием по внутреннему кольцу. Закаленный стальной сепаратор (для коленчатого вала). Коническое отверстие (1:12 по диаметру). Малошумный. Граничные размеры не соответствуют серии размеров ISO.
Угол контакта 25 градусов. Сепаратор: Массивный латунный сепаратор с центрированием по внутреннему кольцу. Закаленный стальной сепаратор (для коленчатого вала). Малошумный. Граничные размеры не соответствуют серии размеров ISO.
Безусловно! Наши инженеры помогут найти идентичную замену или подобрать более износостойкий аналог. Свяжитесь с нами по телефону +7 (499) 229-40-33 или отправьте запрос на zakaz@prom-pod.ru.
Чтобы ускорить процесс, укажите маркировку с кольца подшипника, его размеры (d x D x B) или модель оборудования.
Да, для оптовых и постоянных партнеров мы предлагаем индивидуальный прайс-лист. Мы ценим долгосрочное сотрудничество и предоставляем гибкие условия.
Размер скидки фиксируется персонально и зависит от:
Для получения коммерческого предложения с учетом вашей скидки напишите на почту zakaz@prom-pod.ru.
Выберите наиболее удобный для вас вариант:
Для корпоративных клиентов у нас выделен отдельный отдел сопровождения. Позвоните по номеру +7 (499) 229-40-33 или пришлите реквизиты компании на email zakaz@prom-pod.ru.
Мы подготовим счет и полный пакет закрывающих документов в кратчайшие сроки.
Возврат изделий надлежащего качества возможен в течение 10 дней. Важно сохранить заводскую упаковку, товарный вид и отсутствие следов установки (монтажа).
Средства возвращаются в течение 10 рабочих дней после приемки и проверки товара на нашем складе.
Согласно регламенту, мы не принимаем к возврату подшипники со вскрытой упаковкой или явными признаками эксплуатации.
При этом мы полностью несем гарантийные обязательства: в случае обнаружения заводского брака производится оперативная замена или возврат средств.
Стандартный гарантийный срок хранения составляет 2 года. Чтобы подшипник сохранил свои свойства, важно держать его в сухом месте, в заводской упаковке и штатной консервационной смазке.
По конкретным сериям продукции точную информацию всегда подскажут наши менеджеры.
Мы на связи в будние дни с 8:00 до 17:00 (по Москве). Суббота и воскресенье — выходные.
Онлайн-заявки через сайт можно оставлять 24/7. Мы обработаем их в приоритетном порядке сразу в начале следующего рабочего дня.
Для оформления доставки минимальный порог составляет 3000 рублей. Если вы планируете забрать товар самовывозом, сумма заказа может быть любой (при условии наличия позиции на складе).
Еще никто не писал отзывов. Напишите первым!
Поговорите с экспертом нашей компании, за несколько минут он поможет вам не ошибиться в выборе, примет заказ в телефонном режиме и организуют оперативную доставку.
Получите бесплатную консультацию эксперта прямо сейчас!

Компания Prom-Pod.ru
Москва, Россия
Контакты: +7 499 229–40–33
zakaz@prom-pod.ru, prom-pod@mail.ru