24184 ECAK30/C4W33
В наличии
Будет доступен:
Цена на подшипник 24184 ECAK30/C4W33 является расчетной и зависит от следующих факторов:
Для уточнения актуальной цены и наличия:
Для двухрядных цилиндрических роликоподшипников: канавка для смазки и отверстия для смазки в наружном кольце (зависит от размера подшипника: E, E1, E2, E3, E4). Для сферических роликоподшипников: канавка для смазки и отверстия для смазки в наружном кольце. Радиальный сферический роликоподшипник исполнения СА с усиленным комплектом роликов.
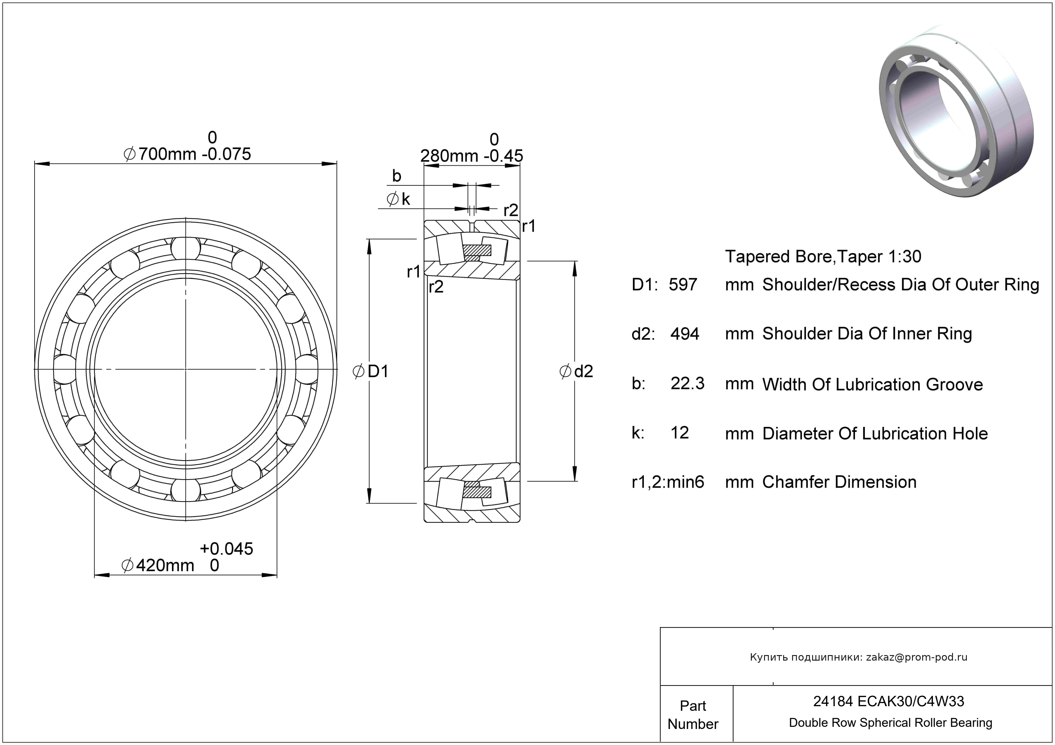
Для двухрядных цилиндрических роликоподшипников: канавка для смазки и отверстия для смазки в наружном кольце (зависит от размера подшипника: E, E1, E2, E3, E4). Для сферических роликоподшипников: канавка для смазки и отверстия для смазки в наружном кольце. Коническое отверстие (1:30 по диаметру). Радиальный сферический роликоподшипник исполнения СА с усиленным комплектом роликов.
Контактное уплотнние из гидрированного бутадиенакрилнитрильного каучука (HNBR) с армированием листовой сталью с обеих сторон подшипника. Свободное пространство в подшипнике на 70-100% заполнено высокотемпературной смазкой. Коническое отверстие (1:30 по диаметру). Угол контакта 25 градусов. Внутренний зазор больше нормального. Оптимизированный подшипник SKF Explorer без проставочных колец, оптимизированная конструкция, открытый подшипник, предусмотрена выточка на наружных кольцах в случае необходимости установки уплотнений на более поздних стадиях. Спиральная канавка в отверстии внутреннего кольца. Слепое отверстие для штифта в наружном кольце O.D. Опускается, если внутреннее кольцо не поставляется.
Для двухрядных цилиндрических роликоподшипников: канавка для смазки и отверстия для смазки в наружном кольце (зависит от размера подшипника: E, E1, E2, E3, E4). Для сферических роликоподшипников: канавка для смазки и отверстия для смазки в наружном кольце. Радиальный сферический роликоподшипник исполнения СА с усиленным комплектом роликов. Внутренний зазор меньше нормального. Внутренний зазор меньше С2. Внутренний конструкторский индекс.
Для двухрядных цилиндрических роликоподшипников: канавка для смазки и отверстия для смазки в наружном кольце (зависит от размера подшипника: E, E1, E2, E3, E4). Для сферических роликоподшипников: канавка для смазки и отверстия для смазки в наружном кольце. Радиальный сферический роликоподшипник исполнения СА с усиленным комплектом роликов. Внутренний зазор больше нормального.
Для двухрядных цилиндрических роликоподшипников: канавка для смазки и отверстия для смазки в наружном кольце (зависит от размера подшипника: E, E1, E2, E3, E4). Для сферических роликоподшипников: канавка для смазки и отверстия для смазки в наружном кольце. Коническое отверстие (1:30 по диаметру). Угол контакта 25 градусов. Внутренний зазор больше нормального. Радиальные шариковые подшипники и незаменяемый зазор цилиндрических роликовых подшипников для электродвигателей.
Подъемные отверстия с резьбой в торце наружного кольца для облегчения подъема и перемещения. Для двухрядных цилиндрических роликоподшипников: канавка для смазки и отверстия для смазки в наружном кольце (зависит от размера подшипника: E, E1, E2, E3, E4). Для сферических роликоподшипников: канавка для смазки и отверстия для смазки в наружном кольце. Цельный обработанный латунный сепаратор направленный по внтутреннему кольцу. Коническое отверстие (1:12 по диаметру).
Подъемные отверстия с резьбой в торце наружного кольца для облегчения подъема и перемещения. 6 смазочных отверстий на наружной обойме. Цельный обработанный латунный сепаратор направленный по внтутреннему кольцу. Коническое отверстие (1:12 по диаметру).
W31, W33 и W45A (там, где это возможно). Цельный обработанный латунный сепаратор направленный по внтутреннему кольцу. Внутренний зазор больше нормального. Коническое отверстие (1:12 по диаметру). Только цилиндрический роликовый подшипник, ролик и сепаратор.
Подъемные отверстия с резьбой в торце наружного кольца для облегчения подъема и перемещения. 6 смазочных отверстий на наружной обойме. Цельный обработанный латунный сепаратор направленный по внтутреннему кольцу.
Подъемные отверстия с резьбой в торце наружного кольца для облегчения подъема и перемещения. 6 смазочных отверстий на наружной обойме. Цельный обработанный латунный сепаратор направленный по внтутреннему кольцу.
Внутренний зазор больше нормального. Закаленный стальной сепаратор (для коленчатого вала). Малошумный. Граничные размеры не соответствуют серии размеров ISO.
Внутренний зазор больше С3. Закаленный стальной сепаратор (для коленчатого вала). Малошумный. Граничные размеры не соответствуют серии размеров ISO.
Коническое отверстие (1:30 по диаметру). Закаленный стальной сепаратор (для коленчатого вала). Малошумный. Граничные размеры не соответствуют серии размеров ISO.
Коническое отверстие (1:30 по диаметру). Внутренний зазор больше нормального. Закаленный стальной сепаратор (для коленчатого вала). Малошумный. Граничные размеры не соответствуют серии размеров ISO.
Закаленный стальной сепаратор (для коленчатого вала). Малошумный. Граничные размеры не соответствуют серии размеров ISO.
Безусловно! Наши инженеры помогут найти идентичную замену или подобрать более износостойкий аналог. Свяжитесь с нами по телефону +7 (499) 229-40-33 или отправьте запрос на zakaz@prom-pod.ru.
Чтобы ускорить процесс, укажите маркировку с кольца подшипника, его размеры (d x D x B) или модель оборудования.
Да, для оптовых и постоянных партнеров мы предлагаем индивидуальный прайс-лист. Мы ценим долгосрочное сотрудничество и предоставляем гибкие условия.
Размер скидки фиксируется персонально и зависит от:
Для получения коммерческого предложения с учетом вашей скидки напишите на почту zakaz@prom-pod.ru.
Выберите наиболее удобный для вас вариант:
Для корпоративных клиентов у нас выделен отдельный отдел сопровождения. Позвоните по номеру +7 (499) 229-40-33 или пришлите реквизиты компании на email zakaz@prom-pod.ru.
Мы подготовим счет и полный пакет закрывающих документов в кратчайшие сроки.
Возврат изделий надлежащего качества возможен в течение 10 дней. Важно сохранить заводскую упаковку, товарный вид и отсутствие следов установки (монтажа).
Средства возвращаются в течение 10 рабочих дней после приемки и проверки товара на нашем складе.
Согласно регламенту, мы не принимаем к возврату подшипники со вскрытой упаковкой или явными признаками эксплуатации.
При этом мы полностью несем гарантийные обязательства: в случае обнаружения заводского брака производится оперативная замена или возврат средств.
Стандартный гарантийный срок хранения составляет 2 года. Чтобы подшипник сохранил свои свойства, важно держать его в сухом месте, в заводской упаковке и штатной консервационной смазке.
По конкретным сериям продукции точную информацию всегда подскажут наши менеджеры.
Мы на связи в будние дни с 8:00 до 17:00 (по Москве). Суббота и воскресенье — выходные.
Онлайн-заявки через сайт можно оставлять 24/7. Мы обработаем их в приоритетном порядке сразу в начале следующего рабочего дня.
Для оформления доставки минимальный порог составляет 3000 рублей. Если вы планируете забрать товар самовывозом, сумма заказа может быть любой (при условии наличия позиции на складе).
Еще никто не писал отзывов. Напишите первым!
Поговорите с экспертом нашей компании, за несколько минут он поможет вам не ошибиться в выборе, примет заказ в телефонном режиме и организуют оперативную доставку.
Получите бесплатную консультацию эксперта прямо сейчас!

Компания Prom-Pod.ru
Москва, Россия
Контакты: +7 499 229–40–33
zakaz@prom-pod.ru, prom-pod@mail.ru