230/500 CAK/C083W33
В наличии
Будет доступен:
Цена на подшипник 230/500 CAK/C083W33 является расчетной и зависит от следующих факторов:
Для уточнения актуальной цены и наличия:
Для двухрядных цилиндрических роликоподшипников: канавка для смазки и отверстия для смазки в наружном кольце (зависит от размера подшипника: E, E1, E2, E3, E4). Для сферических роликоподшипников: канавка для смазки и отверстия для смазки в наружном кольце. Угол контакта 25 градусов. Специальный зазор. Двух- или трехзначное число после буквы С обозначает средний осевой зазор в мкм.
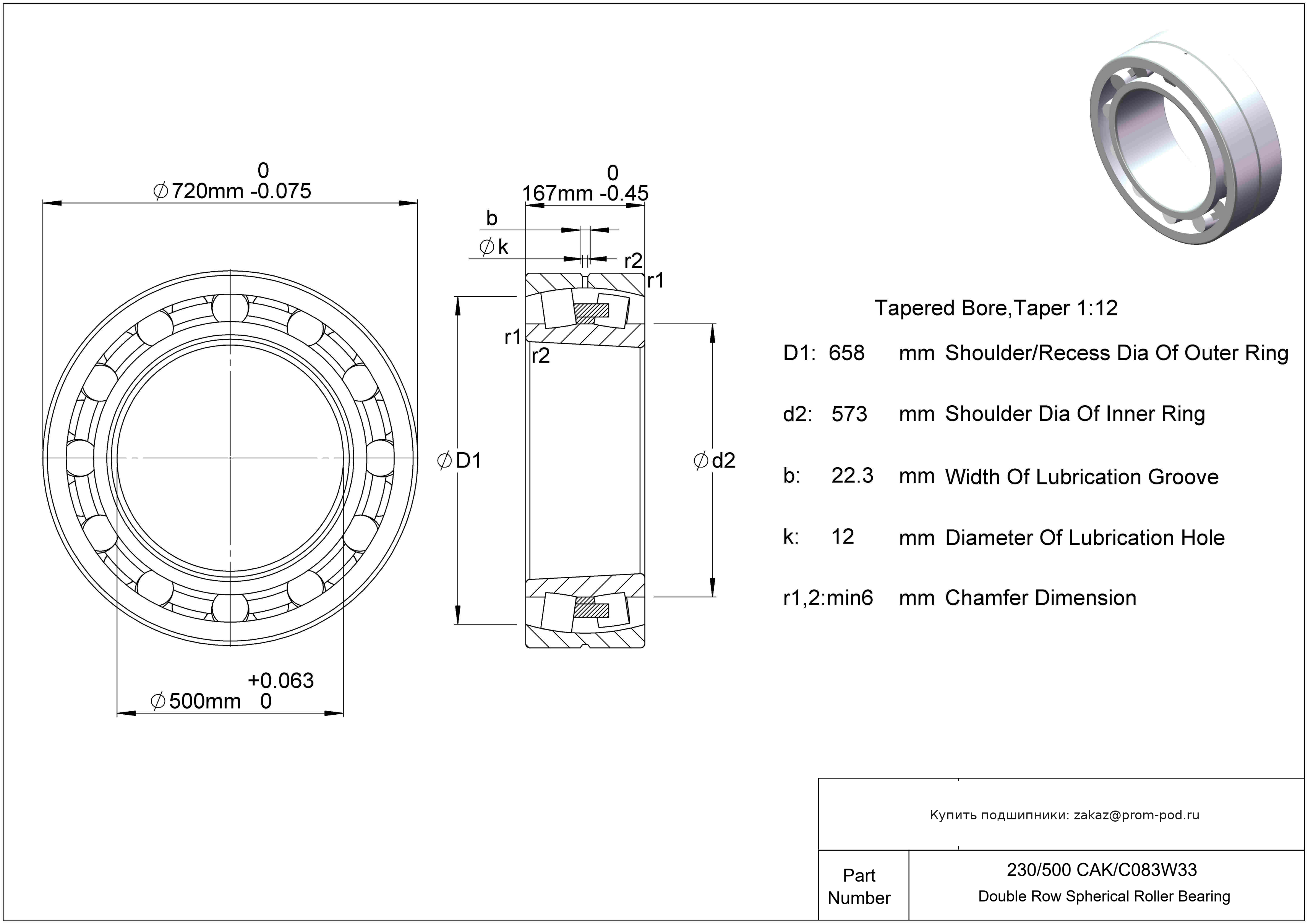
Для двухрядных цилиндрических роликоподшипников: канавка для смазки и отверстия для смазки в наружном кольце (зависит от размера подшипника: E, E1, E2, E3, E4). Для сферических роликоподшипников: канавка для смазки и отверстия для смазки в наружном кольце. Угол контакта 25 градусов. Коническое отверстие (1:12 по диаметру). Специальный зазор. Двух- или трехзначное число после буквы С обозначает средний осевой зазор в мкм.
W31, W33 и W45A (там, где это возможно). P5 точность (CO2 и CO4). Угол контакта 25 градусов. Коническое отверстие (1:12 по диаметру). Специальный зазор. Двух- или трехзначное число после буквы С обозначает средний осевой зазор в мкм.
W31, W33 и W45A (там, где это возможно). P5 точность (CO2 и CO4). Угол контакта 25 градусов. Коническое отверстие (1:12 по диаметру). Специальный зазор. Двух- или трехзначное число после буквы С обозначает средний осевой зазор в мкм.
Геометрические допуски более строгие, чем для C08. Для двухрядных цилиндрических роликоподшипников: канавка для смазки и отверстия для смазки в наружном кольце (зависит от размера подшипника: E, E1, E2, E3, E4). Для сферических роликоподшипников: канавка для смазки и отверстия для смазки в наружном кольце. Угол контакта 25 градусов. Специальный зазор. Двух- или трехзначное число после буквы С обозначает средний осевой зазор в мкм.
P5 точность (CO2 и CO4). Угол контакта 25 градусов. Коническое отверстие (1:12 по диаметру). Только цилиндрический роликовый подшипник, ролик и сепаратор. Специальный зазор. Двух- или трехзначное число после буквы С обозначает средний осевой зазор в мкм.
W26 + W33. Подшипник с шестью отверстиями для смазывания во внутреннем кольце. Подшипник с кольцевой канавкой и тремя смазочными отверстиями в наружном кольце. P5 точность (CO2 и CO4). Угол контакта 25 градусов. Специальный зазор. Двух- или трехзначное число после буквы С обозначает средний осевой зазор в мкм.
Для двухрядных цилиндрических роликоподшипников: канавка для смазки и отверстия для смазки в наружном кольце (зависит от размера подшипника: E, E1, E2, E3, E4). Для сферических роликоподшипников: канавка для смазки и отверстия для смазки в наружном кольце. Угол контакта 25 градусов. Внутренний зазор больше нормального. Коническое отверстие (1:12 по диаметру). Специальный зазор. Двух- или трехзначное число после буквы С обозначает средний осевой зазор в мкм.
W31, W33 и W45A (там, где это возможно). P5 точность (CO2 и CO4). Угол контакта 25 градусов. Специальный зазор. Двух- или трехзначное число после буквы С обозначает средний осевой зазор в мкм.
W31, W33, W94 и W45A (где это возможно). P5 точность (CO2 и CO4). Угол контакта 25 градусов. Специальный зазор. Двух- или трехзначное число после буквы С обозначает средний осевой зазор в мкм.
W31, W33, W94 и W45A (где это возможно). P5 точность (CO2 и CO4). Угол контакта 25 градусов. Специальный зазор. Двух- или трехзначное число после буквы С обозначает средний осевой зазор в мкм.
Для двухрядных цилиндрических роликоподшипников: канавка для смазки и отверстия для смазки в наружном кольце (зависит от размера подшипника: E, E1, E2, E3, E4). Для сферических роликоподшипников: канавка для смазки и отверстия для смазки в наружном кольце. Угол контакта 25 градусов. Внутренний зазор больше нормального. Специальный зазор. Двух- или трехзначное число после буквы С обозначает средний осевой зазор в мкм.
Угол контакта 25 градусов. Внутренний зазор больше нормального. Коническое отверстие (1:12 по диаметру). Только цилиндрический роликовый подшипник, ролик и сепаратор. Специальный зазор. Двух- или трехзначное число после буквы С обозначает средний осевой зазор в мкм.
Для двухрядных цилиндрических роликоподшипников: канавка для смазки и отверстия для смазки в наружном кольце (зависит от размера подшипника: E, E1, E2, E3, E4). Для сферических роликоподшипников: канавка для смазки и отверстия для смазки в наружном кольце. Угол контакта 25 градусов. Внутренний зазор больше нормального. Коническое отверстие (1:12 по диаметру). Специальный зазор. Двух- или трехзначное число после буквы С обозначает средний осевой зазор в мкм.
W31, W33, W94 и W45A (где это возможно). P5 точность (CO2 и CO4). Угол контакта 25 градусов. Специальный зазор. Двух- или трехзначное число после буквы С обозначает средний осевой зазор в мкм.
CO2 + CO4 + W31 + W33 + W401 + W40R (предлагается для изделий с коническим отверстием, заменяет W507A, W534A). Цельный обработанный латунный сепаратор направленный по внтутреннему кольцу. Коническое отверстие (1:12 по диаметру).
CO2 + CO4 + W31 + W33 + W401 + W40R (предлагается для изделий с коническим отверстием, заменяет W507A, W534A). Цельный обработанный латунный сепаратор направленный по внтутреннему кольцу. Внутренний зазор больше нормального. Коническое отверстие (1:12 по диаметру).
Наружное кольцо с просверленным отверстием для смазки. Цельный обработанный латунный сепаратор направленный по внтутреннему кольцу. Только цилиндрический роликовый подшипник, ролик и сепаратор. Войлочное контактное уплотнение.
W31, W33 и W45A (там, где это возможно). Наружное кольцо с просверленным отверстием для смазки. Цельный обработанный латунный сепаратор направленный по внтутреннему кольцу. Внутренний зазор больше нормального. Граничные размеры не соответствуют серии размеров ISO.
W31, W33, W94 и W45A (где это возможно). P5 точность (CO2 и CO4). Цельный обработанный латунный сепаратор направленный по внтутреннему кольцу.
P5 точность хода (CO2 и CO4), C3 RIC. W31, W33, W94 и W45A (где это возможно). Цельный обработанный латунный сепаратор направленный по внтутреннему кольцу.
W31, W33 и W45A (там, где это возможно). P5 точность (CO2 и CO4). Цельный обработанный латунный сепаратор направленный по внтутреннему кольцу. Радиальный внутренний зазор (RIC): специальный. Коническое отверстие (1:12 по диаметру).
CO2 + CO4 + W31 + W33 + W401 + W40R (предлагается для изделий с коническим отверстием, заменяет W507A, W534A). Отверстия для смазки внутреннего кольца и канавки на торце фиксатора - канавки на торце фиксатора отсутствуют. Цельный обработанный латунный сепаратор направленный по внтутреннему кольцу. Стопорный хомут с выравнивающим кольцом, адаптеры тяжелой серии.
Сепаратор: Массивный латунный сепаратор с центрированием по внутреннему кольцу. Коническое отверстие (1:12 по диаметру). Войлочное контактное уплотнение.
Сепаратор: Массивный латунный сепаратор с центрированием по внутреннему кольцу. Внутренний зазор больше нормального. Коническое отверстие (1:12 по диаметру). Войлочное контактное уплотнение.
Сепаратор: Массивный латунный сепаратор с центрированием по внутреннему кольцу. Внутренний зазор больше С3. Коническое отверстие (1:12 по диаметру). Войлочное контактное уплотнение.
Сепаратор: Массивный латунный сепаратор с центрированием по внутреннему кольцу. Войлочное контактное уплотнение.
Сепаратор: Массивный латунный сепаратор с центрированием по внутреннему кольцу. Внутренний зазор больше нормального. Войлочное контактное уплотнение.
Уменьшенный допуск на монтажный размер H1 (постскриптум: H1 с допуском ± ). Сепаратор: Массивный латунный сепаратор с центрированием по внутреннему кольцу. Войлочное контактное уплотнение. 35 градусов угол контакта.
Сферический роликоподшипник с 6 дополнительными отверстиями для смазки по внешнему кольцу. Сепаратор: Массивный латунный сепаратор с центрированием по внутреннему кольцу. Войлочное контактное уплотнение.
Однорядный бессепараторный цилиндрический роликоподшипник. Два борта на внутреннем кольце и один борт на наружном. Модифицированная внутренняя конструкция, полный комплект роликов.
Наружное кольцо с двумя бортиками, внутреннее кольцо без бортиков. Угол контакта 25 градусов. Радиальные шариковые подшипники и незаменяемый зазор цилиндрических роликовых подшипников для электродвигателей. Конструкция повышенной мощности ULTAGE, симметричные ролики.
Безусловно! Наши инженеры помогут найти идентичную замену или подобрать более износостойкий аналог. Свяжитесь с нами по телефону +7 (499) 229-40-33 или отправьте запрос на zakaz@prom-pod.ru.
Чтобы ускорить процесс, укажите маркировку с кольца подшипника, его размеры (d x D x B) или модель оборудования.
Да, для оптовых и постоянных партнеров мы предлагаем индивидуальный прайс-лист. Мы ценим долгосрочное сотрудничество и предоставляем гибкие условия.
Размер скидки фиксируется персонально и зависит от:
Для получения коммерческого предложения с учетом вашей скидки напишите на почту zakaz@prom-pod.ru.
Выберите наиболее удобный для вас вариант:
Для корпоративных клиентов у нас выделен отдельный отдел сопровождения. Позвоните по номеру +7 (499) 229-40-33 или пришлите реквизиты компании на email zakaz@prom-pod.ru.
Мы подготовим счет и полный пакет закрывающих документов в кратчайшие сроки.
Возврат изделий надлежащего качества возможен в течение 10 дней. Важно сохранить заводскую упаковку, товарный вид и отсутствие следов установки (монтажа).
Средства возвращаются в течение 10 рабочих дней после приемки и проверки товара на нашем складе.
Согласно регламенту, мы не принимаем к возврату подшипники со вскрытой упаковкой или явными признаками эксплуатации.
При этом мы полностью несем гарантийные обязательства: в случае обнаружения заводского брака производится оперативная замена или возврат средств.
Стандартный гарантийный срок хранения составляет 2 года. Чтобы подшипник сохранил свои свойства, важно держать его в сухом месте, в заводской упаковке и штатной консервационной смазке.
По конкретным сериям продукции точную информацию всегда подскажут наши менеджеры.
Мы на связи в будние дни с 8:00 до 17:00 (по Москве). Суббота и воскресенье — выходные.
Онлайн-заявки через сайт можно оставлять 24/7. Мы обработаем их в приоритетном порядке сразу в начале следующего рабочего дня.
Для оформления доставки минимальный порог составляет 3000 рублей. Если вы планируете забрать товар самовывозом, сумма заказа может быть любой (при условии наличия позиции на складе).
Еще никто не писал отзывов. Напишите первым!
Поговорите с экспертом нашей компании, за несколько минут он поможет вам не ошибиться в выборе, примет заказ в телефонном режиме и организуют оперативную доставку.
Получите бесплатную консультацию эксперта прямо сейчас!

Компания Prom-Pod.ru
Москва, Россия
Контакты: +7 499 229–40–33
zakaz@prom-pod.ru, prom-pod@mail.ru