24126 CC/C4
В наличии
Будет доступен:
Цена на подшипник 24126 CC/C4 является расчетной и зависит от следующих факторов:
Для уточнения актуальной цены и наличия:
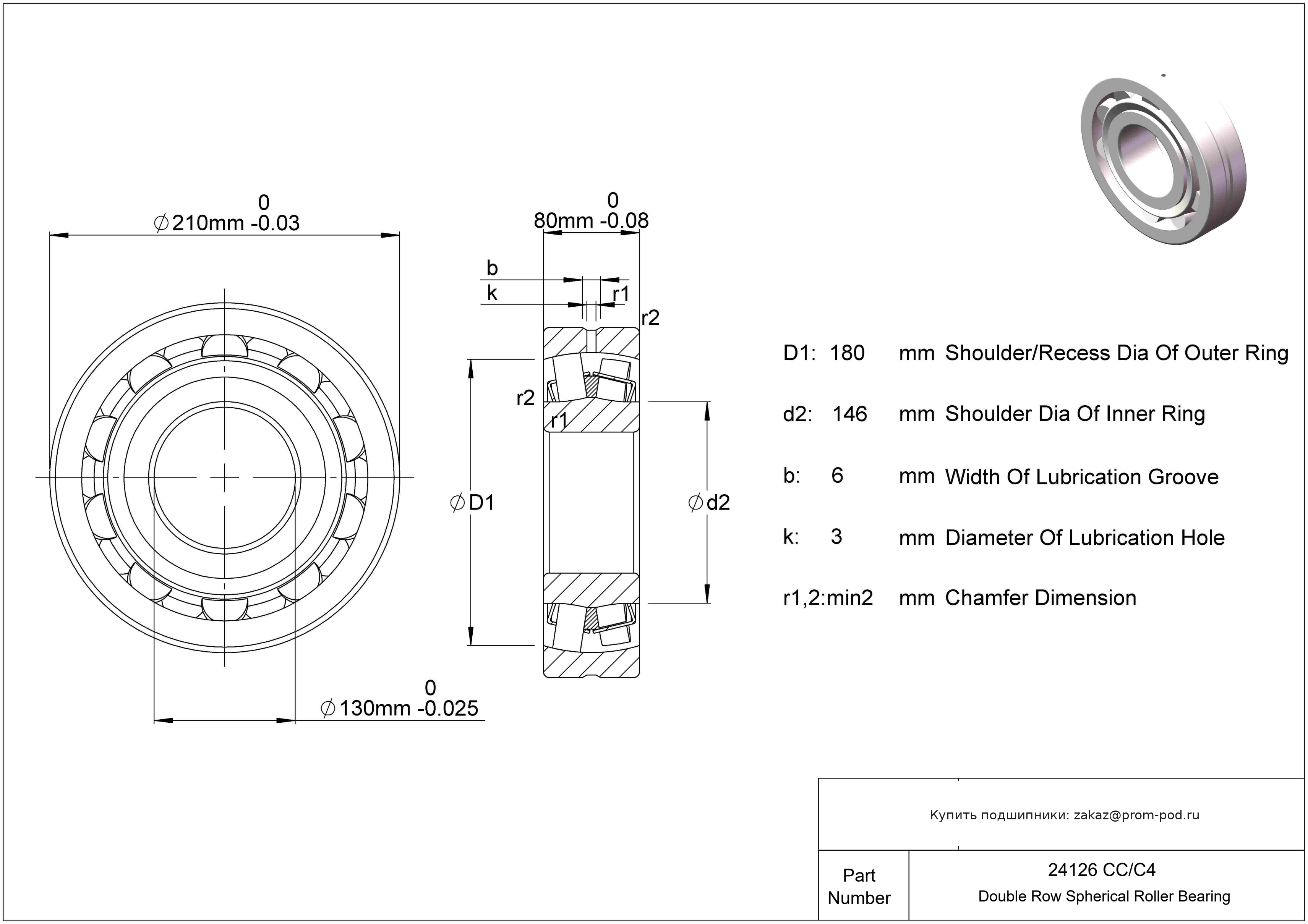
Для двухрядных цилиндрических роликоподшипников: канавка для смазки и отверстия для смазки в наружном кольце (зависит от размера подшипника: E, E1, E2, E3, E4). Для сферических роликоподшипников: канавка для смазки и отверстия для смазки в наружном кольце. Радиальный зазор для цилиндрических роликоподшипников с невзаимозаменяемыми компонентами подшипника. Последующее число указывает на класс зазора (если зазор нормальный, число отсутствует).
Для двухрядных цилиндрических роликоподшипников: канавка для смазки и отверстия для смазки в наружном кольце (зависит от размера подшипника: E, E1, E2, E3, E4). Для сферических роликоподшипников: канавка для смазки и отверстия для смазки в наружном кольце. Коническое отверстие (1:30 по диаметру). Радиальный зазор для цилиндрических роликоподшипников с невзаимозаменяемыми компонентами подшипника. Последующее число указывает на класс зазора (если зазор нормальный, число отсутствует).
Заполнение пластичной смазкой SKF LGEP 2 на 25–45 %. Контактное уплотнние из гидрированного бутадиенакрилнитрильного каучука (HNBR) с армированием листовой сталью с обеих сторон подшипника. Свободное пространство в подшипнике на 70-100% заполнено высокотемпературной смазкой.
Для двухрядных цилиндрических роликоподшипников: канавка для смазки и отверстия для смазки в наружном кольце (зависит от размера подшипника: E, E1, E2, E3, E4). Для сферических роликоподшипников: канавка для смазки и отверстия для смазки в наружном кольце. Угол контакта 25 градусов. Внутренний зазор больше нормального. Внутренний конструкторский индекс. Войлочное контактное уплотнение.
Для двухрядных цилиндрических роликоподшипников: канавка для смазки и отверстия для смазки в наружном кольце (зависит от размера подшипника: E, E1, E2, E3, E4). Для сферических роликоподшипников: канавка для смазки и отверстия для смазки в наружном кольце. Угол контакта 25 градусов. Внутренний зазор больше С3. Внутренний конструкторский индекс. Войлочное контактное уплотнение.
Для двухрядных цилиндрических роликоподшипников: канавка для смазки и отверстия для смазки в наружном кольце (зависит от размера подшипника: E, E1, E2, E3, E4). Для сферических роликоподшипников: канавка для смазки и отверстия для смазки в наружном кольце. Коническое отверстие (1:30 по диаметру). Внутренний зазор больше нормального. Радиальный зазор для цилиндрических роликоподшипников с невзаимозаменяемыми компонентами подшипника. Последующее число указывает на класс зазора (если зазор нормальный, число отсутствует).
W26 + W33. Подшипник с шестью отверстиями для смазывания во внутреннем кольце. Подшипник с кольцевой канавкой и тремя смазочными отверстиями в наружном кольце. Радиальный зазор для цилиндрических роликоподшипников с невзаимозаменяемыми компонентами подшипника. Последующее число указывает на класс зазора (если зазор нормальный, число отсутствует).
Для двухрядных цилиндрических роликоподшипников: канавка для смазки и отверстия для смазки в наружном кольце (зависит от размера подшипника: E, E1, E2, E3, E4). Для сферических роликоподшипников: канавка для смазки и отверстия для смазки в наружном кольце. P5 точность (CO2 и CO4). Радиальный зазор для цилиндрических роликоподшипников с невзаимозаменяемыми компонентами подшипника. Последующее число указывает на класс зазора (если зазор нормальный, число отсутствует).
Заполнение пластичной смазкой SKF LGHB 2 на 70–100 %. Контактное уплотнние из гидрированного бутадиенакрилнитрильного каучука (HNBR) с армированием листовой сталью с обеих сторон подшипника. Свободное пространство в подшипнике на 70-100% заполнено высокотемпературной смазкой. Внутренний зазор больше С3. Только цилиндрический роликовый подшипник, ролик и сепаратор.
Для двухрядных цилиндрических роликоподшипников: канавка для смазки и отверстия для смазки в наружном кольце (зависит от размера подшипника: E, E1, E2, E3, E4). Для сферических роликоподшипников: канавка для смазки и отверстия для смазки в наружном кольце. Коническое отверстие (1:30 по диаметру). Внутренний зазор больше С3. Радиальный зазор для цилиндрических роликоподшипников с невзаимозаменяемыми компонентами подшипника. Последующее число указывает на класс зазора (если зазор нормальный, число отсутствует).
Для двухрядных цилиндрических роликоподшипников: канавка для смазки и отверстия для смазки в наружном кольце (зависит от размера подшипника: E, E1, E2, E3, E4). Для сферических роликоподшипников: канавка для смазки и отверстия для смазки в наружном кольце. Внутренний зазор больше нормального. Радиальный зазор для цилиндрических роликоподшипников с невзаимозаменяемыми компонентами подшипника. Последующее число указывает на класс зазора (если зазор нормальный, число отсутствует).
Для двухрядных цилиндрических роликоподшипников: канавка для смазки и отверстия для смазки в наружном кольце (зависит от размера подшипника: E, E1, E2, E3, E4). Для сферических роликоподшипников: канавка для смазки и отверстия для смазки в наружном кольце. Внутренний зазор больше С3. Радиальный зазор для цилиндрических роликоподшипников с невзаимозаменяемыми компонентами подшипника. Последующее число указывает на класс зазора (если зазор нормальный, число отсутствует).
Радиальный зазор для цилиндрических роликоподшипников с невзаимозаменяемыми компонентами подшипника. Последующее число указывает на класс зазора (если зазор нормальный, число отсутствует). Только цилиндрический роликовый подшипник, ролик и сепаратор.
Для двухрядных цилиндрических роликоподшипников: канавка для смазки и отверстия для смазки в наружном кольце (зависит от размера подшипника: E, E1, E2, E3, E4). Для сферических роликоподшипников: канавка для смазки и отверстия для смазки в наружном кольце. Внутренний зазор больше С3. Радиальный зазор для цилиндрических роликоподшипников с невзаимозаменяемыми компонентами подшипника. Последующее число указывает на класс зазора (если зазор нормальный, число отсутствует).
6 смазочных отверстий на наружной обойме. Конструкция с повышенной грузоподъемностью, штампованный стальной сепаратор.
6 смазочных отверстий на наружной обойме. Конструкция с повышенной грузоподъемностью, штампованный стальной сепаратор.
6 смазочных отверстий на наружной обойме. Конструкция с повышенной грузоподъемностью, штампованный стальной сепаратор.
Наружное кольцо со стандартными отверстиями для смазки заглушено. Конструкция с повышенной грузоподъемностью, штампованный стальной сепаратор.
Для двухрядных цилиндрических роликоподшипников: канавка для смазки и отверстия для смазки в наружном кольце (зависит от размера подшипника: E, E1, E2, E3, E4). Для сферических роликоподшипников: канавка для смазки и отверстия для смазки в наружном кольце. Двухрядный подшипник с вершинами контактных углов снаружи подшипников, стальной фиксатор, тип Conrad. Угол контакта 40 градусов для радиально-упорных типов.
6 смазочных отверстий на наружной обойме. Двухрядный подшипник с вершинами контактных углов снаружи подшипников, стальной фиксатор, тип Conrad. Угол контакта 40 градусов для радиально-упорных типов.
Для двухрядных цилиндрических роликоподшипников: канавка для смазки и отверстия для смазки в наружном кольце (зависит от размера подшипника: E, E1, E2, E3, E4). Для сферических роликоподшипников: канавка для смазки и отверстия для смазки в наружном кольце. Конструкция с повышенной грузоподъемностью, штампованный стальной сепаратор.
Закаленный стальной сепаратор (для коленчатого вала). Малошумный. Граничные размеры не соответствуют серии размеров ISO.
2 Уплотнения из фторкаучука, заполненные высокотемпературной смазкой. Пиковая рабочая температура составляет 200°C. Закаленный стальной сепаратор (для коленчатого вала). Малошумный. С выпуклыми асимметричными роликами и обработанным сепаратором. Граничные размеры не соответствуют серии размеров ISO.
2 Уплотнения из фторкаучука, заполненные высокотемпературной смазкой. Пиковая рабочая температура составляет 200°C. Внутренний зазор больше С3. Закаленный стальной сепаратор (для коленчатого вала). Малошумный. С выпуклыми асимметричными роликами и обработанным сепаратором. Граничные размеры не соответствуют серии размеров ISO.
Подшипник без смазочной канавки и без отверстий для смазки по внешнему кольцу. 2 Уплотнения из фторкаучука, заполненные высокотемпературной смазкой. Пиковая рабочая температура составляет 200°C. Закаленный стальной сепаратор (для коленчатого вала). Малошумный. С выпуклыми асимметричными роликами и обработанным сепаратором. Граничные размеры не соответствуют серии размеров ISO.
Подшипник без смазочной канавки и без отверстий для смазки по внешнему кольцу. 2 Уплотнения из фторкаучука, заполненные высокотемпературной смазкой. Пиковая рабочая температура составляет 200°C. Внутренний зазор больше С3. Закаленный стальной сепаратор (для коленчатого вала). Малошумный. С выпуклыми асимметричными роликами и обработанным сепаратором. Граничные размеры не соответствуют серии размеров ISO.
Внутренний зазор больше нормального. Закаленный стальной сепаратор (для коленчатого вала). Малошумный. Граничные размеры не соответствуют серии размеров ISO.
Внутренний зазор больше С3. Закаленный стальной сепаратор (для коленчатого вала). Малошумный. Граничные размеры не соответствуют серии размеров ISO.
Сферический роликоподшипник с 6 дополнительными отверстиями для смазки по внешнему кольцу. Закаленный стальной сепаратор (для коленчатого вала). Малошумный. Граничные размеры не соответствуют серии размеров ISO.
Коническое отверстие (1:30 по диаметру). Закаленный стальной сепаратор (для коленчатого вала). Малошумный. Граничные размеры не соответствуют серии размеров ISO.
Безусловно! Наши инженеры помогут найти идентичную замену или подобрать более износостойкий аналог. Свяжитесь с нами по телефону +7 (499) 229-40-33 или отправьте запрос на zakaz@prom-pod.ru.
Чтобы ускорить процесс, укажите маркировку с кольца подшипника, его размеры (d x D x B) или модель оборудования.
Да, для оптовых и постоянных партнеров мы предлагаем индивидуальный прайс-лист. Мы ценим долгосрочное сотрудничество и предоставляем гибкие условия.
Размер скидки фиксируется персонально и зависит от:
Для получения коммерческого предложения с учетом вашей скидки напишите на почту zakaz@prom-pod.ru.
Выберите наиболее удобный для вас вариант:
Для корпоративных клиентов у нас выделен отдельный отдел сопровождения. Позвоните по номеру +7 (499) 229-40-33 или пришлите реквизиты компании на email zakaz@prom-pod.ru.
Мы подготовим счет и полный пакет закрывающих документов в кратчайшие сроки.
Возврат изделий надлежащего качества возможен в течение 10 дней. Важно сохранить заводскую упаковку, товарный вид и отсутствие следов установки (монтажа).
Средства возвращаются в течение 10 рабочих дней после приемки и проверки товара на нашем складе.
Согласно регламенту, мы не принимаем к возврату подшипники со вскрытой упаковкой или явными признаками эксплуатации.
При этом мы полностью несем гарантийные обязательства: в случае обнаружения заводского брака производится оперативная замена или возврат средств.
Стандартный гарантийный срок хранения составляет 2 года. Чтобы подшипник сохранил свои свойства, важно держать его в сухом месте, в заводской упаковке и штатной консервационной смазке.
По конкретным сериям продукции точную информацию всегда подскажут наши менеджеры.
Мы на связи в будние дни с 8:00 до 17:00 (по Москве). Суббота и воскресенье — выходные.
Онлайн-заявки через сайт можно оставлять 24/7. Мы обработаем их в приоритетном порядке сразу в начале следующего рабочего дня.
Для оформления доставки минимальный порог составляет 3000 рублей. Если вы планируете забрать товар самовывозом, сумма заказа может быть любой (при условии наличия позиции на складе).
Еще никто не писал отзывов. Напишите первым!
Поговорите с экспертом нашей компании, за несколько минут он поможет вам не ошибиться в выборе, примет заказ в телефонном режиме и организуют оперативную доставку.
Получите бесплатную консультацию эксперта прямо сейчас!

Компания Prom-Pod.ru
Москва, Россия
Контакты: +7 499 229–40–33
zakaz@prom-pod.ru, prom-pod@mail.ru