22328 CC/C3W26 PLUS MOD FEE
В наличии
Будет доступен:
Цена на подшипник 22328 CC/C3W26 PLUS MOD FEE является расчетной и зависит от следующих факторов:
Для уточнения актуальной цены и наличия:
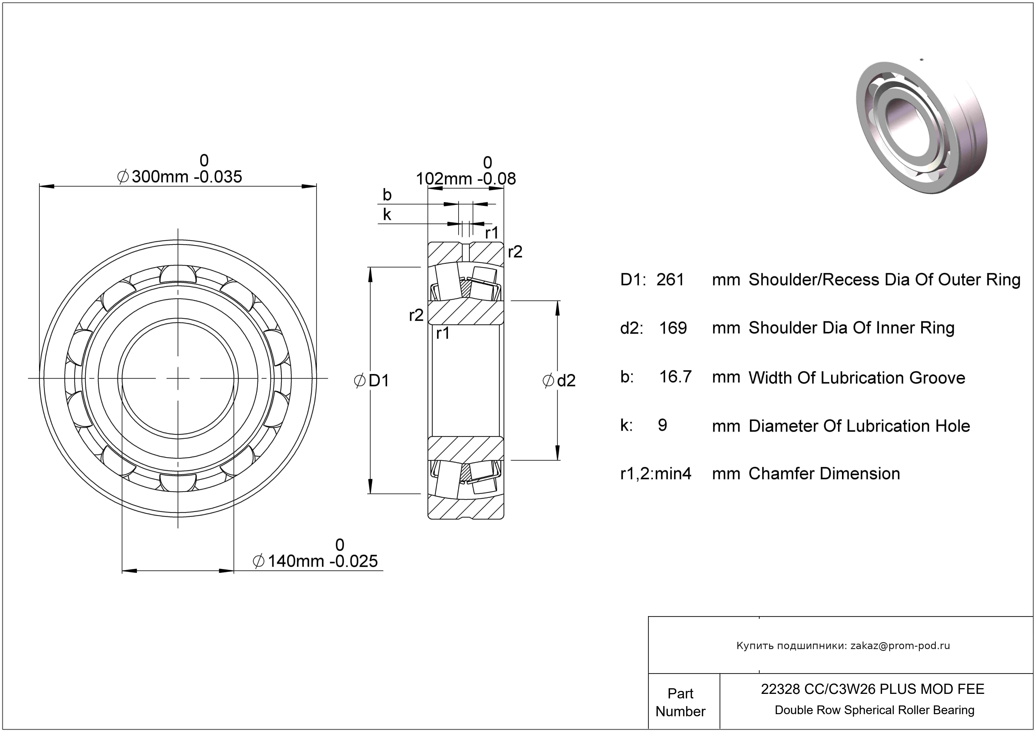
Подшипник для работы с высокими частотами вращения. Для двухрядных цилиндрических роликоподшипников: канавка для смазки и отверстия для смазки в наружном кольце (зависит от размера подшипника: E, E1, E2, E3, E4). Для сферических роликоподшипников: канавка для смазки и отверстия для смазки в наружном кольце. Внутренний зазор больше С3. Радиальный зазор для цилиндрических роликоподшипников с невзаимозаменяемыми компонентами подшипника. Последующее число указывает на класс зазора (если зазор нормальный, число отсутствует).
Для двухрядных цилиндрических роликоподшипников: канавка для смазки и отверстия для смазки в наружном кольце (зависит от размера подшипника: E, E1, E2, E3, E4). Для сферических роликоподшипников: канавка для смазки и отверстия для смазки в наружном кольце. Радиальный зазор для цилиндрических роликоподшипников с невзаимозаменяемыми компонентами подшипника. Последующее число указывает на класс зазора (если зазор нормальный, число отсутствует).
Подшипник для вибромашин со штампованными стальными сепараторами с поверхностной закалкой. Внутреннее кольцо без бортов, направляющее кольцо, центрируемое по дорожке качения наружного кольца, два штампованных стальных сепаратора. Для двухрядных цилиндрических роликоподшипников: канавка для смазки и отверстия для смазки в наружном кольце (зависит от размера подшипника: E, E1, E2, E3, E4). Для сферических роликоподшипников: канавка для смазки и отверстия для смазки в наружном кольце.
Аналогично VA405, но цилиндрическое отверстие внутреннего кольца покрыто политетрафторэтиленом (PTFE). Внутреннее кольцо без бортов, направляющее кольцо, центрируемое по дорожке качения наружного кольца, два штампованных стальных сепаратора. Для двухрядных цилиндрических роликоподшипников: канавка для смазки и отверстия для смазки в наружном кольце (зависит от размера подшипника: E, E1, E2, E3, E4). Для сферических роликоподшипников: канавка для смазки и отверстия для смазки в наружном кольце.
Для двухрядных цилиндрических роликоподшипников: канавка для смазки и отверстия для смазки в наружном кольце (зависит от размера подшипника: E, E1, E2, E3, E4). Для сферических роликоподшипников: канавка для смазки и отверстия для смазки в наружном кольце. Радиальный зазор для цилиндрических роликоподшипников с невзаимозаменяемыми компонентами подшипника. Последующее число указывает на класс зазора (если зазор нормальный, число отсутствует). Коническое отверстие (1:12 по диаметру).
Подшипник для вибромашин со штампованными стальными сепараторами с поверхностной закалкой. Для двухрядных цилиндрических роликоподшипников: канавка для смазки и отверстия для смазки в наружном кольце (зависит от размера подшипника: E, E1, E2, E3, E4). Для сферических роликоподшипников: канавка для смазки и отверстия для смазки в наружном кольце. Угол контакта 25 градусов. Радиальный зазор для цилиндрических роликоподшипников с невзаимозаменяемыми компонентами подшипника. Последующее число указывает на класс зазора (если зазор нормальный, число отсутствует). Коническое отверстие (1:12 по диаметру). Угол контакта 40 градусов для радиально-упорных типов.
Заполнение пластичной смазкой SKF LGEP 2 на 25–45 %. Контактное уплотнние из гидрированного бутадиенакрилнитрильного каучука (HNBR) с армированием листовой сталью с обеих сторон подшипника. Свободное пространство в подшипнике на 70-100% заполнено высокотемпературной смазкой.
Заполнение пластичной смазкой SKF LGEP 2 на 25–45 %. Контактное уплотнние из гидрированного бутадиенакрилнитрильного каучука (HNBR) с армированием листовой сталью с обеих сторон подшипника. Свободное пространство в подшипнике на 70-100% заполнено высокотемпературной смазкой. Коническое отверстие (1:12 по диаметру).
Для двухрядных цилиндрических роликоподшипников: канавка для смазки и отверстия для смазки в наружном кольце (зависит от размера подшипника: E, E1, E2, E3, E4). Для сферических роликоподшипников: канавка для смазки и отверстия для смазки в наружном кольце. Внутренний зазор больше нормального. Радиальный зазор для цилиндрических роликоподшипников с невзаимозаменяемыми компонентами подшипника. Последующее число указывает на класс зазора (если зазор нормальный, число отсутствует).
Для двухрядных цилиндрических роликоподшипников: канавка для смазки и отверстия для смазки в наружном кольце (зависит от размера подшипника: E, E1, E2, E3, E4). Для сферических роликоподшипников: канавка для смазки и отверстия для смазки в наружном кольце. Внутренний зазор меньше нормального. Радиальный зазор для цилиндрических роликоподшипников с невзаимозаменяемыми компонентами подшипника. Последующее число указывает на класс зазора (если зазор нормальный, число отсутствует). Коническое отверстие (1:12 по диаметру).
W22, W33 и W45A (где это возможно). Внутренний зазор больше нормального. Радиальный зазор для цилиндрических роликоподшипников с невзаимозаменяемыми компонентами подшипника. Последующее число указывает на класс зазора (если зазор нормальный, число отсутствует).
Для двухрядных цилиндрических роликоподшипников: канавка для смазки и отверстия для смазки в наружном кольце (зависит от размера подшипника: E, E1, E2, E3, E4). Для сферических роликоподшипников: канавка для смазки и отверстия для смазки в наружном кольце. Внутренний зазор больше нормального. Радиальный зазор для цилиндрических роликоподшипников с невзаимозаменяемыми компонентами подшипника. Последующее число указывает на класс зазора (если зазор нормальный, число отсутствует). Коническое отверстие (1:12 по диаметру).
Для двухрядных цилиндрических роликоподшипников: канавка для смазки и отверстия для смазки в наружном кольце (зависит от размера подшипника: E, E1, E2, E3, E4). Для сферических роликоподшипников: канавка для смазки и отверстия для смазки в наружном кольце. Внутренний зазор меньше нормального. Радиальный зазор для цилиндрических роликоподшипников с невзаимозаменяемыми компонентами подшипника. Последующее число указывает на класс зазора (если зазор нормальный, число отсутствует).
Радиальный зазор для цилиндрических роликоподшипников с невзаимозаменяемыми компонентами подшипника. Последующее число указывает на класс зазора (если зазор нормальный, число отсутствует). Только цилиндрический роликовый подшипник, ролик и сепаратор.
W26 + W33. Подшипник с шестью отверстиями для смазывания во внутреннем кольце. Подшипник с кольцевой канавкой и тремя смазочными отверстиями в наружном кольце. Внутренний зазор больше нормального. Радиальный зазор для цилиндрических роликоподшипников с невзаимозаменяемыми компонентами подшипника. Последующее число указывает на класс зазора (если зазор нормальный, число отсутствует).
Внутренний зазор больше нормального. Радиальный зазор для цилиндрических роликоподшипников с невзаимозаменяемыми компонентами подшипника. Последующее число указывает на класс зазора (если зазор нормальный, число отсутствует). Конструкция повышенной мощности ULTAGE, симметричные ролики. Только цилиндрический роликовый подшипник, ролик и сепаратор.
Для двухрядных цилиндрических роликоподшипников: канавка для смазки и отверстия для смазки в наружном кольце (зависит от размера подшипника: E, E1, E2, E3, E4). Для сферических роликоподшипников: канавка для смазки и отверстия для смазки в наружном кольце. Внутренний зазор больше С3. Радиальный зазор для цилиндрических роликоподшипников с невзаимозаменяемыми компонентами подшипника. Последующее число указывает на класс зазора (если зазор нормальный, число отсутствует).
Для двухрядных цилиндрических роликоподшипников: канавка для смазки и отверстия для смазки в наружном кольце (зависит от размера подшипника: E, E1, E2, E3, E4). Для сферических роликоподшипников: канавка для смазки и отверстия для смазки в наружном кольце. Внутренний зазор больше С3. Радиальный зазор для цилиндрических роликоподшипников с невзаимозаменяемыми компонентами подшипника. Последующее число указывает на класс зазора (если зазор нормальный, число отсутствует). Коническое отверстие (1:12 по диаметру).
Специальный зазор. Двух- или трехзначное число после буквы С обозначает средний осевой зазор в мкм. Измененный размер вала - не взаимозаменяем.
Для двухрядных цилиндрических роликоподшипников: канавка для смазки и отверстия для смазки в наружном кольце (зависит от размера подшипника: E, E1, E2, E3, E4). Для сферических роликоподшипников: канавка для смазки и отверстия для смазки в наружном кольце. Внутренний зазор меньше нормального. Коническое отверстие (1:12 по диаметру). Специальный зазор. Двух- или трехзначное число после буквы С обозначает средний осевой зазор в мкм. Угол контакта 40 градусов для радиально-упорных типов.
Угол контакта 25 градусов. Специальный зазор. Двух- или трехзначное число после буквы С обозначает средний осевой зазор в мкм. Измененный размер вала - не взаимозаменяем.
Внутренний зазор больше нормального. Коническое отверстие (1:12 по диаметру). Специальный зазор. Двух- или трехзначное число после буквы С обозначает средний осевой зазор в мкм. Измененный размер вала - не взаимозаменяем.
Для двухрядных цилиндрических роликоподшипников: канавка для смазки и отверстия для смазки в наружном кольце (зависит от размера подшипника: E, E1, E2, E3, E4). Для сферических роликоподшипников: канавка для смазки и отверстия для смазки в наружном кольце. Внутренний зазор больше С3. Коническое отверстие (1:12 по диаметру). Специальный зазор. Двух- или трехзначное число после буквы С обозначает средний осевой зазор в мкм. Угол контакта 40 градусов для радиально-упорных типов.
Для двухрядных цилиндрических роликоподшипников: канавка для смазки и отверстия для смазки в наружном кольце (зависит от размера подшипника: E, E1, E2, E3, E4). Для сферических роликоподшипников: канавка для смазки и отверстия для смазки в наружном кольце. Коническое отверстие (1:12 по диаметру). Специальный зазор. Двух- или трехзначное число после буквы С обозначает средний осевой зазор в мкм. Угол контакта 40 градусов для радиально-упорных типов.
Для двухрядных цилиндрических роликоподшипников: канавка для смазки и отверстия для смазки в наружном кольце (зависит от размера подшипника: E, E1, E2, E3, E4). Для сферических роликоподшипников: канавка для смазки и отверстия для смазки в наружном кольце. Внутренний зазор больше нормального. Радиальный зазор для цилиндрических роликоподшипников с невзаимозаменяемыми компонентами подшипника. Последующее число указывает на класс зазора (если зазор нормальный, число отсутствует).
Самоустанавливающийся роликоподшипник с измененной внутренней конструкцией, с сепаратором из стального листа.
Для двухрядных цилиндрических роликоподшипников: канавка для смазки и отверстия для смазки в наружном кольце (зависит от размера подшипника: E, E1, E2, E3, E4). Для сферических роликоподшипников: канавка для смазки и отверстия для смазки в наружном кольце. Радиальный зазор для цилиндрических роликоподшипников с невзаимозаменяемыми компонентами подшипника. Последующее число указывает на класс зазора (если зазор нормальный, число отсутствует). Смазка Dow Corning DC44. Только цилиндрический роликовый подшипник, ролик и сепаратор.
Угол контакта 25 градусов.
Для двухрядных цилиндрических роликоподшипников: канавка для смазки и отверстия для смазки в наружном кольце (зависит от размера подшипника: E, E1, E2, E3, E4). Для сферических роликоподшипников: канавка для смазки и отверстия для смазки в наружном кольце. Внутренний зазор больше нормального. Радиальный зазор для цилиндрических роликоподшипников с невзаимозаменяемыми компонентами подшипника. Последующее число указывает на класс зазора (если зазор нормальный, число отсутствует). Коническое отверстие (1:12 по диаметру).
Для двухрядных цилиндрических роликоподшипников: канавка для смазки и отверстия для смазки в наружном кольце (зависит от размера подшипника: E, E1, E2, E3, E4). Для сферических роликоподшипников: канавка для смазки и отверстия для смазки в наружном кольце. Конструкция с повышенной грузоподъемностью, штампованный стальной сепаратор.
Однорядный бессепараторный цилиндрический роликоподшипник. Два борта на внутреннем кольце и один борт на наружном. Самоустанавливающийся роликоподшипник с измененной внутренней конструкцией, с сепаратором из стального листа. Конструкция повышенной мощности ULTAGE, симметричные ролики. Войлочное контактное уплотнение.
Радиальные шариковые подшипники и незаменяемый зазор цилиндрических роликовых подшипников для электродвигателей. Конструкция повышенной мощности ULTAGE, симметричные ролики. Слепое отверстие для штифта в наружном кольце O.D. Опускается, если внутреннее кольцо не поставляется.
Наружное кольцо с двумя бортиками, внутреннее кольцо с одним бортиком. Радиальные шариковые подшипники и незаменяемый зазор цилиндрических роликовых подшипников для электродвигателей. Конструкция повышенной мощности ULTAGE, симметричные ролики. Малошумный.
Наружное кольцо с двумя бортиками, внутреннее кольцо без бортиков. Радиальные шариковые подшипники и незаменяемый зазор цилиндрических роликовых подшипников для электродвигателей. Конструкция повышенной мощности ULTAGE, симметричные ролики. Малошумный.
Наружное кольцо с двумя бортиками, внутреннее кольцо с одним бортиком и свободным кольцом. Радиальные шариковые подшипники и незаменяемый зазор цилиндрических роликовых подшипников для электродвигателей. Конструкция повышенной мощности ULTAGE, симметричные ролики. Малошумный.
Безусловно! Наши инженеры помогут найти идентичную замену или подобрать более износостойкий аналог. Свяжитесь с нами по телефону +7 (499) 229-40-33 или отправьте запрос на zakaz@prom-pod.ru.
Чтобы ускорить процесс, укажите маркировку с кольца подшипника, его размеры (d x D x B) или модель оборудования.
Да, для оптовых и постоянных партнеров мы предлагаем индивидуальный прайс-лист. Мы ценим долгосрочное сотрудничество и предоставляем гибкие условия.
Размер скидки фиксируется персонально и зависит от:
Для получения коммерческого предложения с учетом вашей скидки напишите на почту zakaz@prom-pod.ru.
Выберите наиболее удобный для вас вариант:
Для корпоративных клиентов у нас выделен отдельный отдел сопровождения. Позвоните по номеру +7 (499) 229-40-33 или пришлите реквизиты компании на email zakaz@prom-pod.ru.
Мы подготовим счет и полный пакет закрывающих документов в кратчайшие сроки.
Возврат изделий надлежащего качества возможен в течение 10 дней. Важно сохранить заводскую упаковку, товарный вид и отсутствие следов установки (монтажа).
Средства возвращаются в течение 10 рабочих дней после приемки и проверки товара на нашем складе.
Согласно регламенту, мы не принимаем к возврату подшипники со вскрытой упаковкой или явными признаками эксплуатации.
При этом мы полностью несем гарантийные обязательства: в случае обнаружения заводского брака производится оперативная замена или возврат средств.
Стандартный гарантийный срок хранения составляет 2 года. Чтобы подшипник сохранил свои свойства, важно держать его в сухом месте, в заводской упаковке и штатной консервационной смазке.
По конкретным сериям продукции точную информацию всегда подскажут наши менеджеры.
Мы на связи в будние дни с 8:00 до 17:00 (по Москве). Суббота и воскресенье — выходные.
Онлайн-заявки через сайт можно оставлять 24/7. Мы обработаем их в приоритетном порядке сразу в начале следующего рабочего дня.
Для оформления доставки минимальный порог составляет 3000 рублей. Если вы планируете забрать товар самовывозом, сумма заказа может быть любой (при условии наличия позиции на складе).
Еще никто не писал отзывов. Напишите первым!
Поговорите с экспертом нашей компании, за несколько минут он поможет вам не ошибиться в выборе, примет заказ в телефонном режиме и организуют оперативную доставку.
Получите бесплатную консультацию эксперта прямо сейчас!

Компания Prom-Pod.ru
Москва, Россия
Контакты: +7 499 229–40–33
zakaz@prom-pod.ru, prom-pod@mail.ru