2201-TVH-C3
В наличии
Будет доступен:
Цена на подшипник 2201-TVH-C3 является расчетной и зависит от следующих факторов:
Для уточнения актуальной цены и наличия:
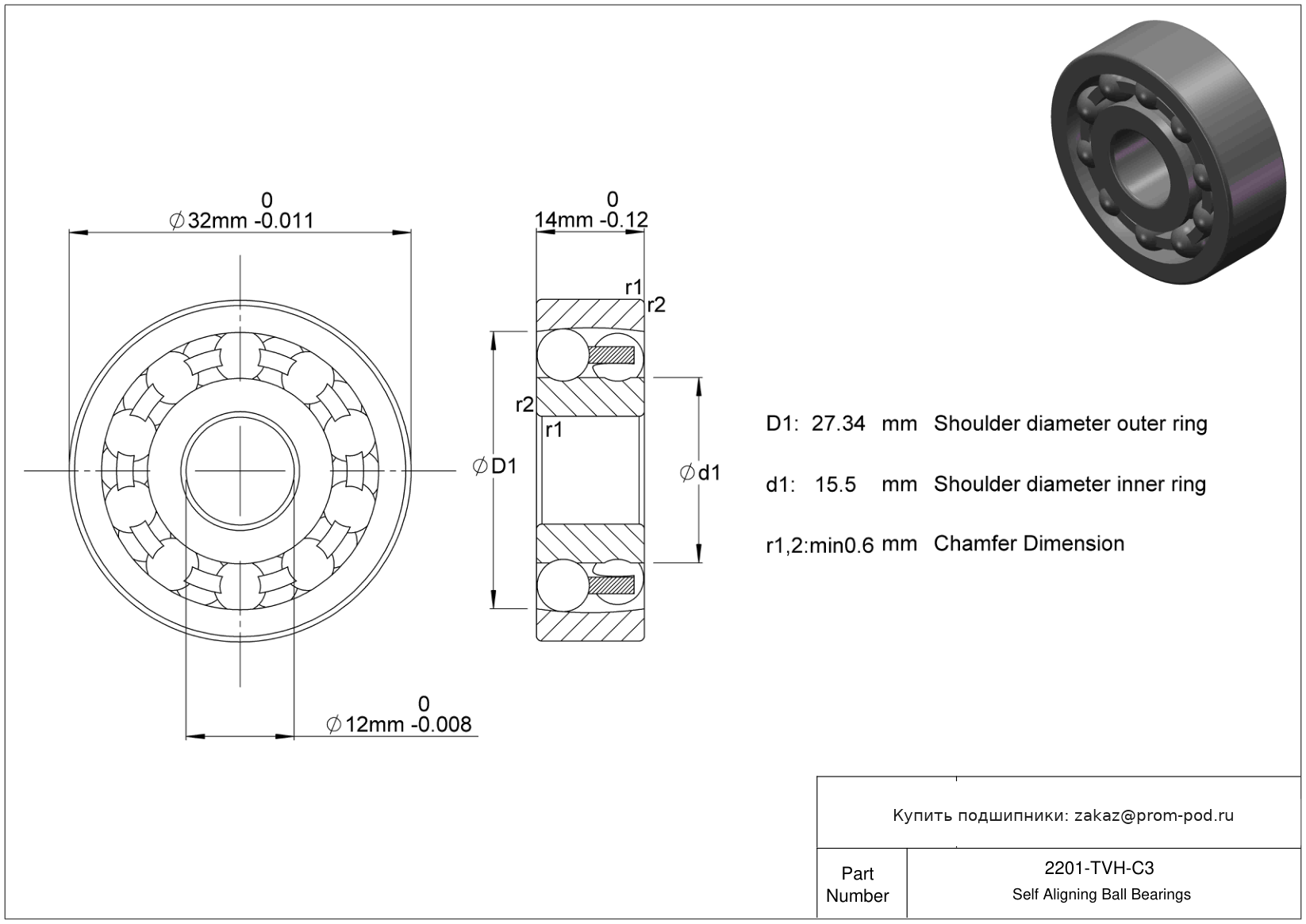
Шарики и кольца из материала AISI 440C. Самоустанавливающийся шарикоподшипник с двумя уплотнениями из синтетического каучука. Сепаратор из полиамида, армированного стекловолокном. Самоустанавливающийся шарикоподшипник с более высокой грузоподъемностью по сравнению с оригинальной конструкцией.
Шарики и кольца из материала AISI 440C. Сепаратор из полиамида, армированного стекловолокном. Самоустанавливающийся шарикоподшипник с более высокой грузоподъемностью по сравнению с оригинальной конструкцией.
Уплотнение с двух сторон. Для двухрядных радиально-упорных шарикоподшипников: подшипник с защитной шайбой, без канавки на внутреннем кольце. Самоустанавливающийся шарикоподшипник с более высокой грузоподъемностью по сравнению с оригинальной конструкцией.
Для двухрядных радиально-упорных шарикоподшипников: подшипник с защитной шайбой, без канавки на внутреннем кольце.
Уплотнение с двух сторон. Самоустанавливающийся шарикоподшипник с более высокой грузоподъемностью по сравнению с оригинальной конструкцией. Внешнее самоцентрирование. Сепаратор расположен на внутреннем кольце.
Внешнее самоцентрирование. Сепаратор расположен на внутреннем кольце.
Очищенная монтажная шайба, комплект с подшипником. Тип-выжимные подшипники. Уплотнение с двух сторон. Самоустанавливающийся шарикоподшипник с более высокой грузоподъемностью по сравнению с оригинальной конструкцией.
Очищенная монтажная шайба, комплект с подшипником. Тип-выжимные подшипники.
Самоустанавливающийся шарикоподшипник с двумя уплотнениями из синтетического каучука. Сепаратор из полиамида, армированного стекловолокном. Самоустанавливающийся шарикоподшипник с более высокой грузоподъемностью по сравнению с оригинальной конструкцией.
Сепаратор из полиамида, армированного стекловолокном. Самоустанавливающийся шарикоподшипник с более высокой грузоподъемностью по сравнению с оригинальной конструкцией.
Уплотнение с обеих сторон, NBR. Сепаратор: Сепаратор из стеклонаполненного полиамида (PA66), защелкивающийся сепаратор, с центрированием по телам качения.
Сепаратор: Сепаратор из стеклонаполненного полиамида (PA66), защелкивающийся сепаратор, с центрированием по телам качения.
Уплотнение низкого трения из бутадиенакрилонитрильного каучука (NBR) с одной или обеих сторон. Одинарные манжетные уплотнения - стандарт.
Стальные фиксаторы.
Отверстие для смазки H1 в наружном кольце и уплотнительные кольца/пазы. Радиальное биение (дюймы): Внутреннее кольцо - 0.0001, наружное кольцо - 0.00005. Самоустанавливающийся шарикоподшипник с более высокой грузоподъемностью по сравнению с оригинальной конструкцией.
Полиамидный сепаратор. Самоустанавливающийся шарикоподшипник с более высокой грузоподъемностью по сравнению с оригинальной конструкцией.
Отверстие для смазки H1 в наружном кольце и уплотнительные кольца/пазы.
Уплотнение с обеих сторон, NBR.
Самоустанавливающийся шарикоподшипник с двумя уплотнениями из синтетического каучука. Сепаратор из полиамида, армированного стекловолокном. Самоустанавливающийся шарикоподшипник с более высокой грузоподъемностью по сравнению с оригинальной конструкцией. Максимальная грузоподьемность, слот для ввода шариков.
Уплотнение низкого трения из бутадиенакрилонитрильного каучука (NBR) с одной или обеих сторон. Внутренний зазор больше нормального. Обозначение типа смазки. Одинарные манжетные уплотнения - стандарт.
Стандартное контактное нитрильное уплотнение с двух сторон подшипника (от -20 до +120°C). Полиамидный сепаратор, армированный стекловолокном для постоянной температуры +120°C.
Внутренний зазор больше нормального.
Сепаратор: Сепаратор из стеклонаполненного полиамида (PA66), защелкивающийся сепаратор, с центрированием по телам качения. PumPac Diamond. Комплект подшипников с углом контакта 15° в монтаже спина к спине. V вытравлено на наружном диаметре для формирования ромба.
Сепаратор: Сепаратор из стеклонаполненного полиамида (PA66), защелкивающийся сепаратор, с центрированием по телам качения. Внутренний зазор больше нормального. PumPac Diamond. Комплект подшипников с углом контакта 15° в монтаже спина к спине. V вытравлено на наружном диаметре для формирования ромба.
Сепаратор: Сепаратор из стеклонаполненного полиамида (PA66), защелкивающийся сепаратор, с центрированием по телам качения. PumPac Diamond. Комплект подшипников с углом контакта 15° в монтаже спина к спине. V вытравлено на наружном диаметре для формирования ромба. Одно механическое уплотнение.
Сепаратор: Сепаратор из стеклонаполненного полиамида (PA66), защелкивающийся сепаратор, с центрированием по телам качения. Внутренний зазор больше нормального. PumPac Diamond. Комплект подшипников с углом контакта 15° в монтаже спина к спине. V вытравлено на наружном диаметре для формирования ромба. Одно механическое уплотнение.
A + TN9. Без пазов для ввода шариков. Сепаратор из стеклонаполненного полиамида PA66, центрируемый по шарикам.
Шарики и кольца из материала AISI 440C. Уплотнение с обеих сторон, NBR.
Уплотнение с обеих сторон, NBR.
Уплотнение с обеих сторон, NBR. Внутренний зазор больше нормального.
Подшипник с контактными уплотнениями с двух сторон, в случае двухрядных радиально-упорных шарикоподшипников - без канавки на внутреннем кольце. Угол контакта 25 градусов.
Подшипник с контактными уплотнениями с двух сторон, в случае двухрядных радиально-упорных шарикоподшипников - без канавки на внутреннем кольце. Угол контакта 25 градусов. Внутренний зазор больше нормального.
Подшипник с уплотнением по обеим сторонам.
Уплотнение низкого трения из бутадиенакрилонитрильного каучука (NBR) с одной или обеих сторон. Внутренний зазор больше нормального. Обозначение типа смазки. Одинарные манжетные уплотнения - стандарт.
Подшипник с контактными уплотнениями с двух сторон, в случае двухрядных радиально-упорных шарикоподшипников - без канавки на внутреннем кольце. Штампованный латунный сепаратор.
Подшипники сортируются на две группы в зависимости от допуска внутреннего и наружнего диаметра. Шпиндельные подшипники для разнообразных комплектов,схема монтажа-спина к спине. Возможность выдерживать радиальные нагрузки. Осевые нагрузки в двух направлениях. Высокий момент жесткости.
Самоустанавливающийся шарикоподшипник с более высокой грузоподъемностью по сравнению с оригинальной конструкцией. Литые однокромочные уплотнения.
Внутренний зазор больше нормального. Самоустанавливающийся шарикоподшипник с более высокой грузоподъемностью по сравнению с оригинальной конструкцией. Литые однокромочные уплотнения.
Уплотнение полиакриловое контактное (от -15 до +150°C) с двух сторон подшипника. Массивные латунные сепараторы. Двухрядный радиально-упорный шарикоподшипник без слота для ввода шариков, со сходящимися наружу углами контакта, жесткая конструкция. Внешнее самоцентрирование.
Подшипники сортируются на две группы в зависимости от допуска внутреннего и наружнего диаметра. Два уплотнения Mechani-Seals, взаимозаменяемые с серией RR, но имеющие бесконтактные лабиринтные уплотнения и стальные сепараторы для работы при низких крутящих моментах, высоких скоростях и высоких температурах. (До 350°F/176°C). Одно механическое уплотнение.
Низкий крутящий момент Полиакриловое фрикционное уплотнение (от -10 до +150°C) с двух сторон подшипника. Сепаратор из полиамида 6.6, армированный стекловолокном. Двухрядный радиально-упорный шарикоподшипник без слота для ввода шариков, со сходящимися наружу углами контакта, жесткая конструкция. Внешнее самоцентрирование.
Стандартное контактное нитрильное уплотнение с двух сторон подшипника (от -20 до +120°C).
| Товар / Аналог | Тип | Расшифровка / Описание |
|---|---|---|
| 4201-BB-TVH | Шариковый подшипник | Сепаратор: Сепаратор из стеклонаполненного полиамида (PA66), защелкивающийся сепаратор, с центрированием по телам качения. PumPac Diamond. Комплект подшипников с углом контакта 15° в монтаже спина к спине. V вытравлено на наружном диаметре для формирования ромба. |
| 4201-BB-TVH-C3 | Шариковый подшипник | Сепаратор: Сепаратор из стеклонаполненного полиамида (PA66), защелкивающийся сепаратор, с центрированием по телам качения. Внутренний зазор больше нормального. PumPac Diamond. Комплект подшипников с углом контакта 15° в монтаже спина к спине. V вытравлено на наружном диаметре для формирования ромба. |
| 4201-BB-TVH-L946 | Шариковый подшипник | Сепаратор: Сепаратор из стеклонаполненного полиамида (PA66), защелкивающийся сепаратор, с центрированием по телам качения. PumPac Diamond. Комплект подшипников с углом контакта 15° в монтаже спина к спине. V вытравлено на наружном диаметре для формирования ромба. Одно механическое уплотнение. |
| 4201-BB-TVH-L946-C3 | Шариковый подшипник | Сепаратор: Сепаратор из стеклонаполненного полиамида (PA66), защелкивающийся сепаратор, с центрированием по телам качения. Внутренний зазор больше нормального. PumPac Diamond. Комплект подшипников с углом контакта 15° в монтаже спина к спине. V вытравлено на наружном диаметре для формирования ромба. Одно механическое уплотнение. |
| 4201 ATN9 | Шариковый подшипник | A + TN9. Без пазов для ввода шариков. Сепаратор из стеклонаполненного полиамида PA66, центрируемый по шарикам. |
| S62201 2rs | Шариковый подшипник | Шарики и кольца из материала AISI 440C. Уплотнение с обеих сторон, NBR. |
| 62201 2RS | Шариковый подшипник | Уплотнение с обеих сторон, NBR. |
| 62201-2RS-C3 | Шариковый подшипник | Уплотнение с обеих сторон, NBR. Внутренний зазор больше нормального. |
| 62201-A-2RSR | Шариковый подшипник | Подшипник с контактными уплотнениями с двух сторон, в случае двухрядных радиально-упорных шарикоподшипников - без канавки на внутреннем кольце. Угол контакта 25 градусов. |
| 62201-A-2RSR-C3 | Шариковый подшипник | Подшипник с контактными уплотнениями с двух сторон, в случае двухрядных радиально-упорных шарикоподшипников - без канавки на внутреннем кольце. Угол контакта 25 градусов. Внутренний зазор больше нормального. |
| 62201DDU | Шариковый подшипник | Подшипник с уплотнением по обеим сторонам. |
| 62201-2RSTNGC3 | Шариковый подшипник | Уплотнение низкого трения из бутадиенакрилонитрильного каучука (NBR) с одной или обеих сторон. Внутренний зазор больше нормального. Обозначение типа смазки. Одинарные манжетные уплотнения - стандарт. |
| 62201-2RSRY | Шариковый подшипник | Подшипник с контактными уплотнениями с двух сторон, в случае двухрядных радиально-упорных шарикоподшипников - без канавки на внутреннем кольце. Штампованный латунный сепаратор. |
| 62201DDUC3 | Шариковый подшипник | Подшипники сортируются на две группы в зависимости от допуска внутреннего и наружнего диаметра. Шпиндельные подшипники для разнообразных комплектов,схема монтажа-спина к спине. Возможность выдерживать радиальные нагрузки. Осевые нагрузки в двух направлениях. Высокий момент жесткости. |
| 62201EE | Шариковый подшипник | Самоустанавливающийся шарикоподшипник с более высокой грузоподъемностью по сравнению с оригинальной конструкцией. Литые однокромочные уплотнения. |
| 62201EEC3 | Шариковый подшипник | Внутренний зазор больше нормального. Самоустанавливающийся шарикоподшипник с более высокой грузоподъемностью по сравнению с оригинальной конструкцией. Литые однокромочные уплотнения. |
| 62201LLUACS20/L1#01 | Шариковый подшипник | Уплотнение полиакриловое контактное (от -15 до +150°C) с двух сторон подшипника. Массивные латунные сепараторы. Двухрядный радиально-упорный шарикоподшипник без слота для ввода шариков, со сходящимися наружу углами контакта, жесткая конструкция. Внешнее самоцентрирование. |
| 62201LLUC3/L417 | Шариковый подшипник | Подшипники сортируются на две группы в зависимости от допуска внутреннего и наружнего диаметра. Два уплотнения Mechani-Seals, взаимозаменяемые с серией RR, но имеющие бесконтактные лабиринтные уплотнения и стальные сепараторы для работы при низких крутящих моментах, высоких скоростях и высоких температурах. (До 350°F/176°C). Одно механическое уплотнение. |
| 62201T2X2LLHACS1#02 | Шариковый подшипник | Низкий крутящий момент Полиакриловое фрикционное уплотнение (от -10 до +150°C) с двух сторон подшипника. Сепаратор из полиамида 6.6, армированный стекловолокном. Двухрядный радиально-упорный шарикоподшипник без слота для ввода шариков, со сходящимися наружу углами контакта, жесткая конструкция. Внешнее самоцентрирование. |
| 62201LLU | Шариковый подшипник | Стандартное контактное нитрильное уплотнение с двух сторон подшипника (от -20 до +120°C). |
Безусловно! Наши инженеры помогут найти идентичную замену или подобрать более износостойкий аналог. Свяжитесь с нами по телефону +7 (499) 229-40-33 или отправьте запрос на zakaz@prom-pod.ru.
Чтобы ускорить процесс, укажите маркировку с кольца подшипника, его размеры (d x D x B) или модель оборудования.
Да, для оптовых и постоянных партнеров мы предлагаем индивидуальный прайс-лист. Мы ценим долгосрочное сотрудничество и предоставляем гибкие условия.
Размер скидки фиксируется персонально и зависит от:
Для получения коммерческого предложения с учетом вашей скидки напишите на почту zakaz@prom-pod.ru.
Выберите наиболее удобный для вас вариант:
Для корпоративных клиентов у нас выделен отдельный отдел сопровождения. Позвоните по номеру +7 (499) 229-40-33 или пришлите реквизиты компании на email zakaz@prom-pod.ru.
Мы подготовим счет и полный пакет закрывающих документов в кратчайшие сроки.
Возврат изделий надлежащего качества возможен в течение 10 дней. Важно сохранить заводскую упаковку, товарный вид и отсутствие следов установки (монтажа).
Средства возвращаются в течение 10 рабочих дней после приемки и проверки товара на нашем складе.
Согласно регламенту, мы не принимаем к возврату подшипники со вскрытой упаковкой или явными признаками эксплуатации.
При этом мы полностью несем гарантийные обязательства: в случае обнаружения заводского брака производится оперативная замена или возврат средств.
Стандартный гарантийный срок хранения составляет 2 года. Чтобы подшипник сохранил свои свойства, важно держать его в сухом месте, в заводской упаковке и штатной консервационной смазке.
По конкретным сериям продукции точную информацию всегда подскажут наши менеджеры.
Мы на связи в будние дни с 8:00 до 17:00 (по Москве). Суббота и воскресенье — выходные.
Онлайн-заявки через сайт можно оставлять 24/7. Мы обработаем их в приоритетном порядке сразу в начале следующего рабочего дня.
Для оформления доставки минимальный порог составляет 3000 рублей. Если вы планируете забрать товар самовывозом, сумма заказа может быть любой (при условии наличия позиции на складе).
Еще никто не писал отзывов. Напишите первым!
Поговорите с экспертом нашей компании, за несколько минут он поможет вам не ошибиться в выборе, примет заказ в телефонном режиме и организуют оперативную доставку.
Получите бесплатную консультацию эксперта прямо сейчас!

Компания Prom-Pod.ru
Москва, Россия
Контакты: +7 499 229–40–33
zakaz@prom-pod.ru, prom-pod@mail.ru