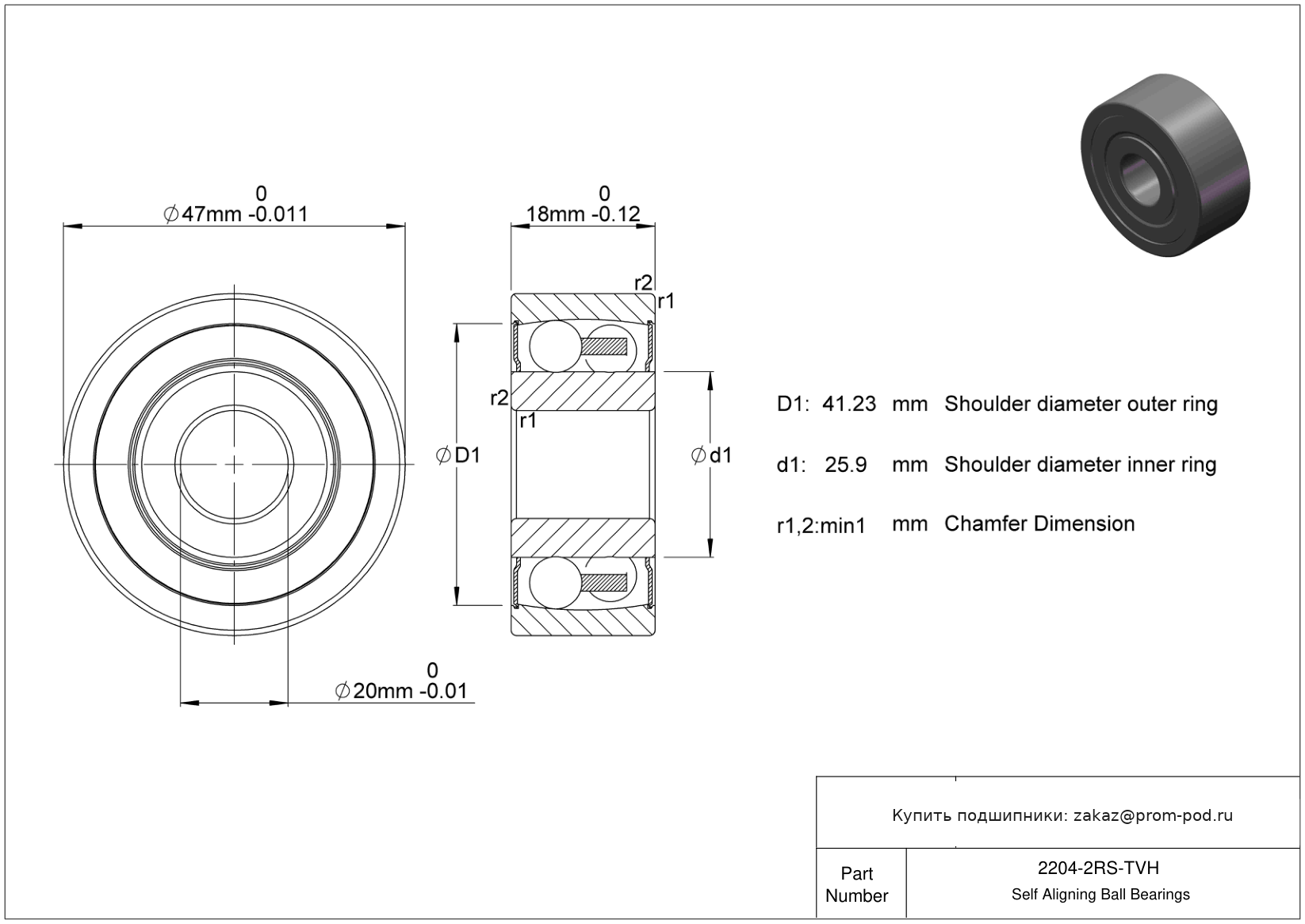
2204-2RS-TVH
В наличии
Будет доступен:
Цена на подшипник 2204-2RS-TVH является расчетной и зависит от следующих факторов:
Для уточнения актуальной цены и наличия:
Наружное кольцо с двумя бортиками, внутреннее кольцо с одним бортиком. Оптимизированная внутренняя конструкция предусматривает увеличенное количество роликов и/или ролики большего размера с улучшенными условиями контакта торцов роликов с бортами внутреннего кольца. Уплотнение с одной стороны.
Наружное кольцо с двумя бортиками, внутреннее кольцо без бортиков. Оптимизированная внутренняя конструкция предусматривает увеличенное количество роликов и/или ролики большего размера с улучшенными условиями контакта торцов роликов с бортами внутреннего кольца. Уплотнение с одной стороны.
Шарики и кольца из материала AISI 440C. Самоустанавливающийся шарикоподшипник с двумя уплотнениями из синтетического каучука. Сепаратор из полиамида, армированного стекловолокном. Самоустанавливающийся шарикоподшипник с более высокой грузоподъемностью по сравнению с оригинальной конструкцией.
Шарики и кольца из материала AISI 440C. Сепаратор из полиамида, армированного стекловолокном. Самоустанавливающийся шарикоподшипник с более высокой грузоподъемностью по сравнению с оригинальной конструкцией.
Уплотнение с двух сторон. Для двухрядных радиально-упорных шарикоподшипников: подшипник с защитной шайбой, без канавки на внутреннем кольце. Самоустанавливающийся шарикоподшипник с более высокой грузоподъемностью по сравнению с оригинальной конструкцией.
Для двухрядных радиально-упорных шарикоподшипников: подшипник с защитной шайбой, без канавки на внутреннем кольце.
Уплотнение с двух сторон. Самоустанавливающийся шарикоподшипник с более высокой грузоподъемностью по сравнению с оригинальной конструкцией. Внешнее самоцентрирование. Сепаратор расположен на внутреннем кольце.
Внешнее самоцентрирование. Сепаратор расположен на внутреннем кольце.
Очищенная монтажная шайба, комплект с подшипником. Тип-выжимные подшипники. Уплотнение с двух сторон. Самоустанавливающийся шарикоподшипник с более высокой грузоподъемностью по сравнению с оригинальной конструкцией.
Очищенная монтажная шайба, комплект с подшипником. Тип-выжимные подшипники.
Самоустанавливающийся шарикоподшипник с двумя уплотнениями из синтетического каучука. Сепаратор из полиамида, армированного стекловолокном. Самоустанавливающийся шарикоподшипник с более высокой грузоподъемностью по сравнению с оригинальной конструкцией.
Сепаратор из полиамида, армированного стекловолокном. Самоустанавливающийся шарикоподшипник с более высокой грузоподъемностью по сравнению с оригинальной конструкцией.
Сепаратор: Сепаратор из стеклонаполненного полиамида (PA66), защелкивающийся сепаратор, с центрированием по телам качения. Внутренний зазор больше нормального.
Сепаратор: Сепаратор из стеклонаполненного полиамида (PA66), защелкивающийся сепаратор, с центрированием по телам качения.
Сепаратор из полиамида, армированного стекловолокном. Внутренний зазор больше нормального. Самоустанавливающийся шарикоподшипник с более высокой грузоподъемностью по сравнению с оригинальной конструкцией.
Сепаратор из полиамида, армированного стекловолокном. Самоустанавливающийся шарикоподшипник с более высокой грузоподъемностью по сравнению с оригинальной конструкцией. Максимальная грузоподьемность, слот для ввода шариков. Уплотнение типа Flex Seal с одной стороны. Минимальный крутящий момент, низкий уровень трения, которое обеспечивает удержание смазки и защиты от загрязнений. Изготовлен из алюминия / ламинированного волокна.
Самоустанавливающийся шарикоподшипник с двумя уплотнениями из синтетического каучука. Сепаратор из полиамида, армированного стекловолокном. Внутренний зазор больше нормального. Самоустанавливающийся шарикоподшипник с более высокой грузоподъемностью по сравнению с оригинальной конструкцией.
Сепаратор из полиамида, армированного стекловолокном. Самоустанавливающийся шарикоподшипник с более высокой грузоподъемностью по сравнению с оригинальной конструкцией. Максимальная грузоподьемность, слот для ввода шариков.
Отверстие для смазки H1 в наружном кольце и уплотнительные кольца/пазы.
Внутренний зазор больше нормального.
Уплотнение низкого трения из бутадиенакрилонитрильного каучука (NBR) с одной или обеих сторон. Одинарные манжетные уплотнения - стандарт.
Уплотнение с обеих сторон, NBR. Самоустанавливающийся шарикоподшипник с более высокой грузоподъемностью по сравнению с оригинальной конструкцией.
Самоустанавливающийся шарикоподшипник с двумя уплотнениями из синтетического каучука. Сепаратор из полиамида, армированного стекловолокном. Обозначение типа смазки. Самоустанавливающийся шарикоподшипник с более высокой грузоподъемностью по сравнению с оригинальной конструкцией. Стальные фиксаторы. Уплотнение типа Flex Seal с одной стороны. Минимальный крутящий момент, низкий уровень трения, которое обеспечивает удержание смазки и защиты от загрязнений. Изготовлен из алюминия / ламинированного волокна.
Полиамидный сепаратор. Самоустанавливающийся шарикоподшипник с более высокой грузоподъемностью по сравнению с оригинальной конструкцией.
Отверстие для смазки H1 в наружном кольце и уплотнительные кольца/пазы. Радиальное биение (дюймы): Внутреннее кольцо - 0.0001, наружное кольцо - 0.00005. Самоустанавливающийся шарикоподшипник с более высокой грузоподъемностью по сравнению с оригинальной конструкцией.
Двухрядный радиально-упорный подшипник со слотом для ввода шариков, стандартная ширина и сходящиеся внутрь углы контакта, нежесткая конструкция. Стальные фиксаторы.
Стальные фиксаторы.
Уплотнение с обеих сторон, NBR. Двухрядный радиально-упорный шарикоподшипник без слота для ввода шариков, со сходящимися наружу углами контакта, жесткая конструкция.
Обрабатываемый бронзовый сепаратор для самоустанавливающихся шарикоподшипников.
Сепаратор: Сепаратор из стеклонаполненного полиамида (PA66), защелкивающийся сепаратор, с центрированием по телам качения. PumPac Diamond. Комплект подшипников с углом контакта 15° в монтаже спина к спине. V вытравлено на наружном диаметре для формирования ромба.
A + TN9. Без пазов для ввода шариков. Сепаратор из стеклонаполненного полиамида PA66, центрируемый по шарикам.
Шарики и кольца из материала AISI 440C. Уплотнение с обеих сторон, NBR.
Уплотнение с обеих сторон, NBR.
Уплотнение с обеих сторон, NBR. Внутренний зазор больше нормального.
Подшипник с контактными уплотнениями с двух сторон, в случае двухрядных радиально-упорных шарикоподшипников - без канавки на внутреннем кольце. Угол контакта 25 градусов.
Подшипник с контактными уплотнениями с двух сторон, в случае двухрядных радиально-упорных шарикоподшипников - без канавки на внутреннем кольце. Угол контакта 25 градусов. Внутренний зазор больше нормального.
Внутренний зазор больше нормального. Самоустанавливающийся шарикоподшипник с более высокой грузоподъемностью по сравнению с оригинальной конструкцией. Литые однокромочные уплотнения.
Два уплотнения Mechani-Seals, взаимозаменяемые с серией RR, но имеющие бесконтактные лабиринтные уплотнения и стальные сепараторы для работы при низких крутящих моментах, высоких скоростях и высоких температурах. (До 350°F/176°C).
Самоустанавливающийся шарикоподшипник с двумя уплотнениями из синтетического каучука.
| Товар / Аналог | Тип | Расшифровка / Описание |
|---|---|---|
| 4204-BB-TVH | Шариковый подшипник | Сепаратор: Сепаратор из стеклонаполненного полиамида (PA66), защелкивающийся сепаратор, с центрированием по телам качения. PumPac Diamond. Комплект подшипников с углом контакта 15° в монтаже спина к спине. V вытравлено на наружном диаметре для формирования ромба. |
| 4204 ATN9 | Шариковый подшипник | A + TN9. Без пазов для ввода шариков. Сепаратор из стеклонаполненного полиамида PA66, центрируемый по шарикам. |
| S62204 2rs | Шариковый подшипник | Шарики и кольца из материала AISI 440C. Уплотнение с обеих сторон, NBR. |
| 62204 2RS | Шариковый подшипник | Уплотнение с обеих сторон, NBR. |
| 62204-2RS-C3 | Шариковый подшипник | Уплотнение с обеих сторон, NBR. Внутренний зазор больше нормального. |
| 62204-A-2RSR | Шариковый подшипник | Подшипник с контактными уплотнениями с двух сторон, в случае двухрядных радиально-упорных шарикоподшипников - без канавки на внутреннем кольце. Угол контакта 25 градусов. |
| 62204-A-2RSR-C3 | Шариковый подшипник | Подшипник с контактными уплотнениями с двух сторон, в случае двухрядных радиально-упорных шарикоподшипников - без канавки на внутреннем кольце. Угол контакта 25 градусов. Внутренний зазор больше нормального. |
| 62204EEC3 | Шариковый подшипник | Внутренний зазор больше нормального. Самоустанавливающийся шарикоподшипник с более высокой грузоподъемностью по сравнению с оригинальной конструкцией. Литые однокромочные уплотнения. |
| 62204LL | Шариковый подшипник | Два уплотнения Mechani-Seals, взаимозаменяемые с серией RR, но имеющие бесконтактные лабиринтные уплотнения и стальные сепараторы для работы при низких крутящих моментах, высоких скоростях и высоких температурах. (До 350°F/176°C). |
| 62204-2RS1 | Шариковый подшипник | Самоустанавливающийся шарикоподшипник с двумя уплотнениями из синтетического каучука. |
Безусловно! Наши инженеры помогут найти идентичную замену или подобрать более износостойкий аналог. Свяжитесь с нами по телефону +7 (499) 229-40-33 или отправьте запрос на zakaz@prom-pod.ru.
Чтобы ускорить процесс, укажите маркировку с кольца подшипника, его размеры (d x D x B) или модель оборудования.
Да, для оптовых и постоянных партнеров мы предлагаем индивидуальный прайс-лист. Мы ценим долгосрочное сотрудничество и предоставляем гибкие условия.
Размер скидки фиксируется персонально и зависит от:
Для получения коммерческого предложения с учетом вашей скидки напишите на почту zakaz@prom-pod.ru.
Выберите наиболее удобный для вас вариант:
Для корпоративных клиентов у нас выделен отдельный отдел сопровождения. Позвоните по номеру +7 (499) 229-40-33 или пришлите реквизиты компании на email zakaz@prom-pod.ru.
Мы подготовим счет и полный пакет закрывающих документов в кратчайшие сроки.
Возврат изделий надлежащего качества возможен в течение 10 дней. Важно сохранить заводскую упаковку, товарный вид и отсутствие следов установки (монтажа).
Средства возвращаются в течение 10 рабочих дней после приемки и проверки товара на нашем складе.
Согласно регламенту, мы не принимаем к возврату подшипники со вскрытой упаковкой или явными признаками эксплуатации.
При этом мы полностью несем гарантийные обязательства: в случае обнаружения заводского брака производится оперативная замена или возврат средств.
Стандартный гарантийный срок хранения составляет 2 года. Чтобы подшипник сохранил свои свойства, важно держать его в сухом месте, в заводской упаковке и штатной консервационной смазке.
По конкретным сериям продукции точную информацию всегда подскажут наши менеджеры.
Мы на связи в будние дни с 8:00 до 17:00 (по Москве). Суббота и воскресенье — выходные.
Онлайн-заявки через сайт можно оставлять 24/7. Мы обработаем их в приоритетном порядке сразу в начале следующего рабочего дня.
Для оформления доставки минимальный порог составляет 3000 рублей. Если вы планируете забрать товар самовывозом, сумма заказа может быть любой (при условии наличия позиции на складе).
Еще никто не писал отзывов. Напишите первым!
Поговорите с экспертом нашей компании, за несколько минут он поможет вам не ошибиться в выборе, примет заказ в телефонном режиме и организуют оперативную доставку.
Получите бесплатную консультацию эксперта прямо сейчас!

Компания Prom-Pod.ru
Москва, Россия
Контакты: +7 499 229–40–33
zakaz@prom-pod.ru, prom-pod@mail.ru