1203C3
В наличии
Будет доступен:
Цена на подшипник 1203C3 является расчетной и зависит от следующих факторов:
Для уточнения актуальной цены и наличия:
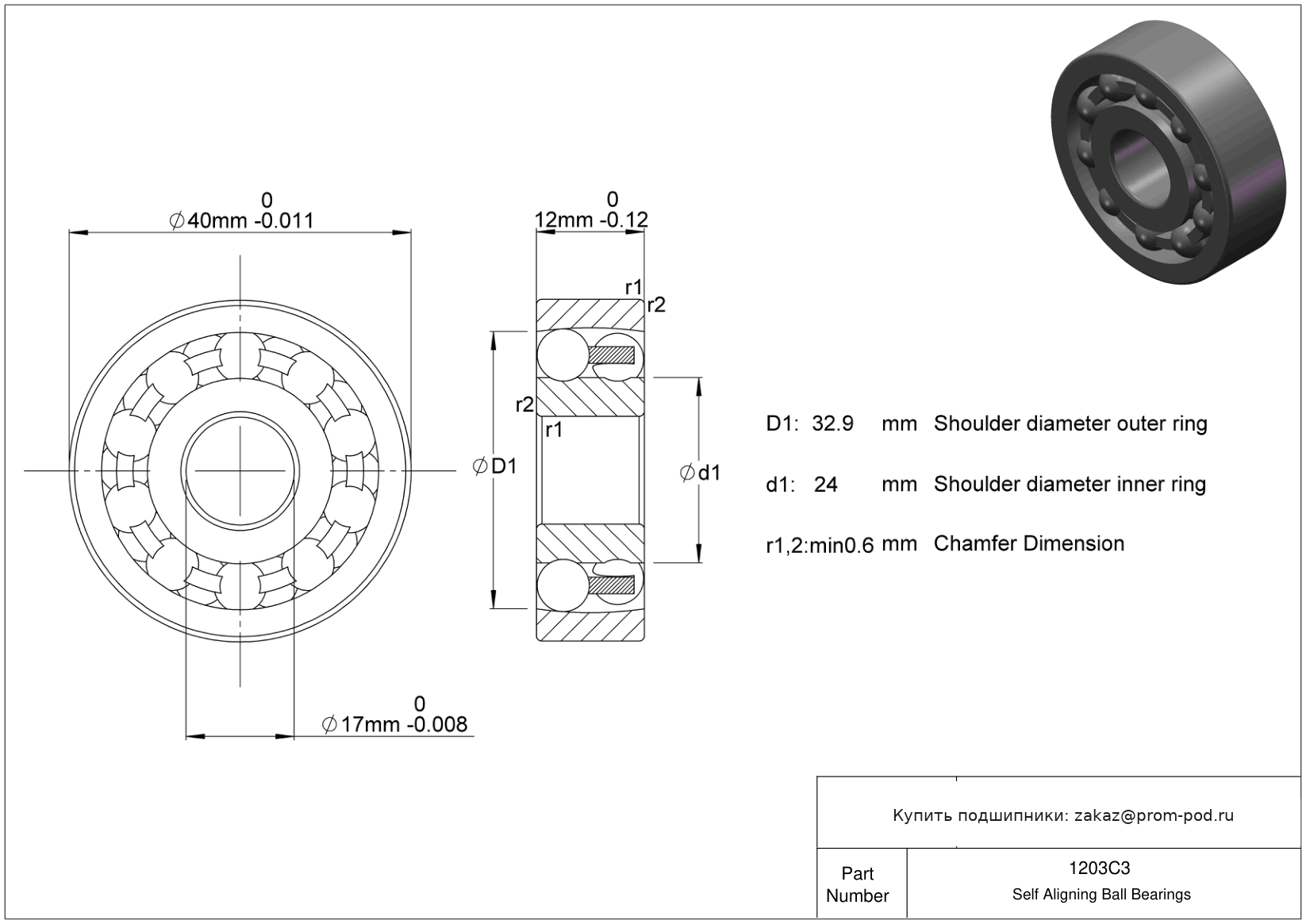
Сепаратор из полиамида, армированного стекловолокном. Самоустанавливающийся шарикоподшипник с более высокой грузоподъемностью по сравнению с оригинальной конструкцией.
Шарики и кольца из материала AISI 440C. Сепаратор из полиамида, армированного стекловолокном. Самоустанавливающийся шарикоподшипник с более высокой грузоподъемностью по сравнению с оригинальной конструкцией.
Для двухрядных радиально-упорных шарикоподшипников: подшипник с защитной шайбой, без канавки на внутреннем кольце.
Очищенная монтажная шайба, комплект с подшипником. Тип-выжимные подшипники.
Внешнее самоцентрирование. Сепаратор расположен на внутреннем кольце.
Сепаратор: Сепаратор из стеклонаполненного полиамида (PA66), защелкивающийся сепаратор, с центрированием по телам качения. Внутренний зазор больше нормального.
Сепаратор: Сепаратор из стеклонаполненного полиамида (PA66), защелкивающийся сепаратор, с центрированием по телам качения.
Полиамидный сепаратор.
Одно уплотнение.
Двухрядный радиально-упорный шарикоподшипник без слота для ввода шариков, со сходящимися наружу углами контакта, жесткая конструкция.
Двухрядный радиально-упорный шарикоподшипник без слота для ввода шариков, со сходящимися наружу углами контакта, жесткая конструкция.
Сепаратор из полиамида, армированного стекловолокном. Внутренний зазор больше нормального. Самоустанавливающийся шарикоподшипник с более высокой грузоподъемностью по сравнению с оригинальной конструкцией.
Сепаратор из полиамида, армированного стекловолокном. Самоустанавливающийся шарикоподшипник с более высокой грузоподъемностью по сравнению с оригинальной конструкцией. Максимальная грузоподьемность, слот для ввода шариков.
Стальные фиксаторы.
Обрабатываемый бронзовый сепаратор для самоустанавливающихся шарикоподшипников.
Уплотнение с обеих сторон, NBR.
Уплотнение с обеих сторон, NBR.
Размеры не соответствуют международному стандарту. Смазка Molykote 44. Внешнее самоцентрирование. Одно уплотнение.
Подшипник типа ICOS.
Специальные однорядные шарикоподшипники. Стандартное контактное нитрильное уплотнение с одной стороны подшипника (от -20 до +120°C). Внутренний зазор больше нормального. Одно механическое уплотнение.
Двухрядный радиально-упорный подшипник со слотом для ввода шариков, стандартная ширина и сходящиеся внутрь углы контакта, нежесткая конструкция.
K+D. Тип Conrad, без паза для ввода шариков. Одна защитная шайба.
K+DD. Тип Conrad, без паза для ввода шариков. Две защитные шайбы.
K+DD. Тип Conrad, без паза для ввода шариков. Две защитные шайбы. Обозначение типа смазки.
Обозначение типа смазки. Двухрядный радиально-упорный подшипник со слотом для ввода шариков, стандартная ширина и сходящиеся внутрь углы контакта, нежесткая конструкция.
Одно фетровое уплотнение, заменено на 8XXX. Уплотнение с двух сторон. Двухрядный радиально-упорный подшипник со слотом для ввода шариков, стандартная ширина и сходящиеся внутрь углы контакта, нежесткая конструкция.
Высокоскоростные уплотнения.
Два уплотнения Mechani-Seals, взаимозаменяемые с серией RR, но имеющие бесконтактные лабиринтные уплотнения и стальные сепараторы для работы при низких крутящих моментах, высоких скоростях и высоких температурах. (До 350°F/176°C). Одно механическое уплотнение. Одно уплотнение.
Специальная сталь с термообработкой для более длительного срока службы. Подшипники сортируются на две группы в зависимости от допуска внутреннего и наружнего диаметра. Угол контакта 25 градусов. Сепаратор состоящий из двух плоских штампованных колец, центрируемый по шарикам.
Специальная сталь с термообработкой для более длительного срока службы. Подшипники сортируются на две группы в зависимости от допуска внутреннего и наружнего диаметра. Угол контакта 25 градусов. Сепаратор состоящий из двух плоских штампованных колец, центрируемый по шарикам. Внешнее самоцентрирование.
Специальная сталь с термообработкой для более длительного срока службы. Подшипники сортируются на две группы в зависимости от допуска внутреннего и наружнего диаметра. Бесконтактное (лабиринтное) уплотнение с одной стороны подшипника. Смазка: Chevron/SRI-2 (от -29 до +177°C). Одно механическое уплотнение.
Специальная сталь с термообработкой для более длительного срока службы. Бесконтактное (лабиринтное) уплотнение с двух сторон подшипника. Внутренний зазор больше нормального. Смазка: Chevron/SRI-2 (от -29 до +177°C).
Специальная сталь с термообработкой для более длительного срока службы. Угол контакта 25 градусов. Старое обозначение: Радиально-упорный шарикоподшипник с углом контакта α=25. Два уплотнения Mechani-Seals, взаимозаменяемые с серией RR, но имеющие бесконтактные лабиринтные уплотнения и стальные сепараторы для работы при низких крутящих моментах, высоких скоростях и высоких температурах. (До 350°F/176°C). Двухрядный шарикоподшипник радиального типа без слота для ввода шариков с литым бронзовым сепаратором пальцевого типа. Углы контакта 0°. Внешнее самоцентрирование. Подшипник с бесконтактными уплотнениями на одной стороне. Штампованный латунный сепаратор.
Специальная сталь с термообработкой для более длительного срока службы. Подшипники сортируются на две группы в зависимости от допуска внутреннего и наружнего диаметра. Два уплотнения Mechani-Seals, взаимозаменяемые с серией RR, но имеющие бесконтактные лабиринтные уплотнения и стальные сепараторы для работы при низких крутящих моментах, высоких скоростях и высоких температурах. (До 350°F/176°C). Смазка: Chevron/SRI-2 (от -29 до +177°C).
Корпус картридж, стальной корпус. Стандартное контактное нитрильное уплотнение с двух сторон подшипника (от -20 до +120°C).
Корпус картридж, стальной корпус. Подшипники сортируются на две группы в зависимости от допуска внутреннего и наружнего диаметра. Два уплотнения Mechani-Seals, взаимозаменяемые с серией RR, но имеющие бесконтактные лабиринтные уплотнения и стальные сепараторы для работы при низких крутящих моментах, высоких скоростях и высоких температурах. (До 350°F/176°C).
| Товар / Аналог | Тип | Расшифровка / Описание |
|---|---|---|
| SS7203 2RS | Радиально-упорный шариковый подшипник | Уплотнение с обеих сторон, NBR. |
| TS3-R2524CS292PX1 | Шариковый подшипник | Размеры не соответствуют международному стандарту. Смазка Molykote 44. Внешнее самоцентрирование. Одно уплотнение. |
| ICOS-D1B03 TN9 | Шариковый подшипник | Подшипник типа ICOS. |
| SX0366LULC3 | Шариковый подшипник | Специальные однорядные шарикоподшипники. Стандартное контактное нитрильное уплотнение с одной стороны подшипника (от -20 до +120°C). Внутренний зазор больше нормального. Одно механическое уплотнение. |
| 203K | Шариковый подшипник | Двухрядный радиально-упорный подшипник со слотом для ввода шариков, стандартная ширина и сходящиеся внутрь углы контакта, нежесткая конструкция. |
| 203KD | Шариковый подшипник | K+D. Тип Conrad, без паза для ввода шариков. Одна защитная шайба. |
| 203KDD | Шариковый подшипник | K+DD. Тип Conrad, без паза для ввода шариков. Две защитные шайбы. |
| 203KDDG | Шариковый подшипник | K+DD. Тип Conrad, без паза для ввода шариков. Две защитные шайбы. Обозначение типа смазки. |
| 203KG | Шариковый подшипник | Обозначение типа смазки. Двухрядный радиально-упорный подшипник со слотом для ввода шариков, стандартная ширина и сходящиеся внутрь углы контакта, нежесткая конструкция. |
| 203PP FS50387K | Шариковый подшипник | Одно фетровое уплотнение, заменено на 8XXX. Уплотнение с двух сторон. Двухрядный радиально-упорный подшипник со слотом для ввода шариков, стандартная ширина и сходящиеся внутрь углы контакта, нежесткая конструкция. |
| 203VV | Шариковый подшипник | Высокоскоростные уплотнения. |
| SSN203LL/LP03 | Шариковый подшипник | Два уплотнения Mechani-Seals, взаимозаменяемые с серией RR, но имеющие бесконтактные лабиринтные уплотнения и стальные сепараторы для работы при низких крутящих моментах, высоких скоростях и высоких температурах. (До 350°F/176°C). Одно механическое уплотнение. Одно уплотнение. |
| TMB203JRUC3/3A | Шариковый подшипник | Специальная сталь с термообработкой для более длительного срока службы. Подшипники сортируются на две группы в зависимости от допуска внутреннего и наружнего диаметра. Угол контакта 25 градусов. Сепаратор состоящий из двух плоских штампованных колец, центрируемый по шарикам. |
| TMB203JRUC3/3AS | Шариковый подшипник | Специальная сталь с термообработкой для более длительного срока службы. Подшипники сортируются на две группы в зависимости от допуска внутреннего и наружнего диаметра. Угол контакта 25 градусов. Сепаратор состоящий из двух плоских штампованных колец, центрируемый по шарикам. Внешнее самоцентрирование. |
| TMB203LBLUC3/5C | Шариковый подшипник | Специальная сталь с термообработкой для более длительного срока службы. Подшипники сортируются на две группы в зависимости от допуска внутреннего и наружнего диаметра. Бесконтактное (лабиринтное) уплотнение с одной стороны подшипника. Смазка: Chevron/SRI-2 (от -29 до +177°C). Одно механическое уплотнение. |
| TMB203LLBC3/5C | Шариковый подшипник | Специальная сталь с термообработкой для более длительного срока службы. Бесконтактное (лабиринтное) уплотнение с двух сторон подшипника. Внутренний зазор больше нормального. Смазка: Chevron/SRI-2 (от -29 до +177°C). |
| TMB203LLSAX3-YRV61 | Шариковый подшипник | Специальная сталь с термообработкой для более длительного срока службы. Угол контакта 25 градусов. Старое обозначение: Радиально-упорный шарикоподшипник с углом контакта α=25. Два уплотнения Mechani-Seals, взаимозаменяемые с серией RR, но имеющие бесконтактные лабиринтные уплотнения и стальные сепараторы для работы при низких крутящих моментах, высоких скоростях и высоких температурах. (До 350°F/176°C). Двухрядный шарикоподшипник радиального типа без слота для ввода шариков с литым бронзовым сепаратором пальцевого типа. Углы контакта 0°. Внешнее самоцентрирование. Подшипник с бесконтактными уплотнениями на одной стороне. Штампованный латунный сепаратор. |
| TMB203LLUC3/5C | Шариковый подшипник | Специальная сталь с термообработкой для более длительного срока службы. Подшипники сортируются на две группы в зависимости от допуска внутреннего и наружнего диаметра. Два уплотнения Mechani-Seals, взаимозаменяемые с серией RR, но имеющие бесконтактные лабиринтные уплотнения и стальные сепараторы для работы при низких крутящих моментах, высоких скоростях и высоких температурах. (До 350°F/176°C). Смазка: Chevron/SRI-2 (от -29 до +177°C). |
| CS203LLU | Шариковый подшипник | Корпус картридж, стальной корпус. Стандартное контактное нитрильное уплотнение с двух сторон подшипника (от -20 до +120°C). |
| CS203LLUC3 | Шариковый подшипник | Корпус картридж, стальной корпус. Подшипники сортируются на две группы в зависимости от допуска внутреннего и наружнего диаметра. Два уплотнения Mechani-Seals, взаимозаменяемые с серией RR, но имеющие бесконтактные лабиринтные уплотнения и стальные сепараторы для работы при низких крутящих моментах, высоких скоростях и высоких температурах. (До 350°F/176°C). |
Безусловно! Наши инженеры помогут найти идентичную замену или подобрать более износостойкий аналог. Свяжитесь с нами по телефону +7 (499) 229-40-33 или отправьте запрос на zakaz@prom-pod.ru.
Чтобы ускорить процесс, укажите маркировку с кольца подшипника, его размеры (d x D x B) или модель оборудования.
Да, для оптовых и постоянных партнеров мы предлагаем индивидуальный прайс-лист. Мы ценим долгосрочное сотрудничество и предоставляем гибкие условия.
Размер скидки фиксируется персонально и зависит от:
Для получения коммерческого предложения с учетом вашей скидки напишите на почту zakaz@prom-pod.ru.
Выберите наиболее удобный для вас вариант:
Для корпоративных клиентов у нас выделен отдельный отдел сопровождения. Позвоните по номеру +7 (499) 229-40-33 или пришлите реквизиты компании на email zakaz@prom-pod.ru.
Мы подготовим счет и полный пакет закрывающих документов в кратчайшие сроки.
Возврат изделий надлежащего качества возможен в течение 10 дней. Важно сохранить заводскую упаковку, товарный вид и отсутствие следов установки (монтажа).
Средства возвращаются в течение 10 рабочих дней после приемки и проверки товара на нашем складе.
Согласно регламенту, мы не принимаем к возврату подшипники со вскрытой упаковкой или явными признаками эксплуатации.
При этом мы полностью несем гарантийные обязательства: в случае обнаружения заводского брака производится оперативная замена или возврат средств.
Стандартный гарантийный срок хранения составляет 2 года. Чтобы подшипник сохранил свои свойства, важно держать его в сухом месте, в заводской упаковке и штатной консервационной смазке.
По конкретным сериям продукции точную информацию всегда подскажут наши менеджеры.
Мы на связи в будние дни с 8:00 до 17:00 (по Москве). Суббота и воскресенье — выходные.
Онлайн-заявки через сайт можно оставлять 24/7. Мы обработаем их в приоритетном порядке сразу в начале следующего рабочего дня.
Для оформления доставки минимальный порог составляет 3000 рублей. Если вы планируете забрать товар самовывозом, сумма заказа может быть любой (при условии наличия позиции на складе).
Еще никто не писал отзывов. Напишите первым!
Поговорите с экспертом нашей компании, за несколько минут он поможет вам не ошибиться в выборе, примет заказ в телефонном режиме и организуют оперативную доставку.
Получите бесплатную консультацию эксперта прямо сейчас!

Компания Prom-Pod.ru
Москва, Россия
Контакты: +7 499 229–40–33
zakaz@prom-pod.ru, prom-pod@mail.ru