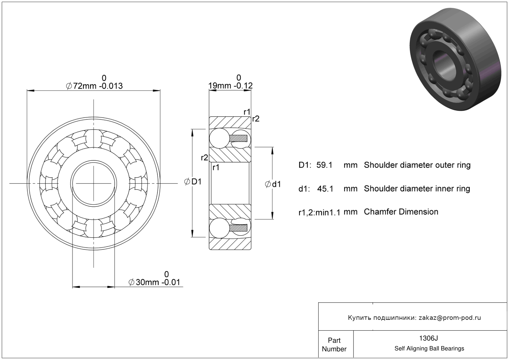
1306J
В наличии
Будет доступен:
Цена на подшипник 1306J является расчетной и зависит от следующих факторов:
Для уточнения актуальной цены и наличия:
Сепаратор из полиамида, армированного стекловолокном. Упорный шариковый подшипник без упорного кольца.
Сепаратор из полиамида, армированного стекловолокном. Самоустанавливающийся шарикоподшипник с более высокой грузоподъемностью по сравнению с оригинальной конструкцией.
Шарики и кольца из материала AISI 440C. Сепаратор из полиамида, армированного стекловолокном. Упорный шариковый подшипник без упорного кольца.
Шарики и кольца из материала AISI 440C. Сепаратор из полиамида, армированного стекловолокном. Самоустанавливающийся шарикоподшипник с более высокой грузоподъемностью по сравнению с оригинальной конструкцией.
Для двухрядных радиально-упорных шарикоподшипников: подшипник с защитной шайбой, без канавки на внутреннем кольце.
Внешнее самоцентрирование. Сепаратор расположен на внутреннем кольце.
Очищенная монтажная шайба, комплект с подшипником. Тип-выжимные подшипники.
Сепаратор: Сепаратор из стеклонаполненного полиамида (PA66), защелкивающийся сепаратор, с центрированием по телам качения. Внутренний зазор больше нормального. Двухрядный радиально-упорный подшипник со слотом для ввода шариков, стандартная ширина и сходящиеся внутрь углы контакта, нежесткая конструкция.
Сепаратор: Сепаратор из стеклонаполненного полиамида (PA66), защелкивающийся сепаратор, с центрированием по телам качения. Внутренний зазор больше нормального.
Сепаратор: Сепаратор из стеклонаполненного полиамида (PA66), защелкивающийся сепаратор, с центрированием по телам качения.
Двухрядный радиально-упорный подшипник со слотом для ввода шариков, стандартная ширина и сходящиеся внутрь углы контакта, нежесткая конструкция.
Сепаратор из полиамида, армированного стекловолокном. Внутренний зазор больше нормального. Самоустанавливающийся шарикоподшипник с более высокой грузоподъемностью по сравнению с оригинальной конструкцией.
Сепаратор из полиамида, армированного стекловолокном. Самоустанавливающийся шарикоподшипник с более высокой грузоподъемностью по сравнению с оригинальной конструкцией. Максимальная грузоподьемность, слот для ввода шариков.
Сепаратор из полиамида, армированного стекловолокном. Внутренний зазор больше нормального. Упорный шариковый подшипник без упорного кольца.
Двухрядный радиально-упорный подшипник со слотом для ввода шариков, стандартная ширина и сходящиеся внутрь углы контакта, нежесткая конструкция.
Массивные латунные сепараторы. Внутренний зазор больше нормального.
Двухрядный радиально-упорный подшипник со слотом для ввода шариков, стандартная ширина и сходящиеся внутрь углы контакта, нежесткая конструкция.
Внутренний зазор больше нормального.
Полиамидный сепаратор. Двухрядный радиально-упорный подшипник со слотом для ввода шариков, стандартная ширина и сходящиеся внутрь углы контакта, нежесткая конструкция.
Полиамидный сепаратор.
Внутренний зазор больше нормального. Двухрядный радиально-упорный подшипник со слотом для ввода шариков, стандартная ширина и сходящиеся внутрь углы контакта, нежесткая конструкция.
Двухрядный радиально-упорный шарикоподшипник без слота для ввода шариков, со сходящимися наружу углами контакта, жесткая конструкция.
Двухрядный радиально-упорный подшипник со слотом для ввода шариков, стандартная ширина и сходящиеся внутрь углы контакта, нежесткая конструкция. Двухрядный радиально-упорный шарикоподшипник без слота для ввода шариков, со сходящимися наружу углами контакта, жесткая конструкция.
Двухрядный радиально-упорный подшипник со слотом для ввода шариков, стандартная ширина и сходящиеся внутрь углы контакта, нежесткая конструкция. Двухрядный радиально-упорный шарикоподшипник без слота для ввода шариков, со сходящимися наружу углами контакта, жесткая конструкция.
Двухрядный радиально-упорный шарикоподшипник без слота для ввода шариков, со сходящимися наружу углами контакта, жесткая конструкция.
Обрабатываемый бронзовый сепаратор для самоустанавливающихся шарикоподшипников.
Внутренний зазор больше нормального.
Подшипники из стали со специальной обработкой.
Защитная шайба с двух сторон. Низкий крутящий момент, высокая скорость, обеспечение удержания смазки и защиты от загрязнения. Изготовлен из нержавеющей стали 302. Двухрядный радиально-упорный подшипник со слотом для ввода шариков, стандартная ширина и сходящиеся внутрь углы контакта, нежесткая конструкция.
Шариковый однорядный подшипник с четырехточечным углом контакта. Угол контакта 25 градусов. Обрабатываемый бронзовый сепаратор для самоустанавливающихся шарикоподшипников.
Шариковый однорядный подшипник с четырехточечным углом контакта. Подшипник с двумя фиксирующими пазами и латунным сепаратором. Угол контакта 25 градусов.
Шариковый однорядный подшипник с четырехточечным углом контакта. Сепаратор из стеклонаполненого полиэфирэфиркетона РЕЕК, со смазочными канавками на направляющих поверхностях, центрируемый по наружному кольцу. Подшипник с двумя смещёнными на α=180 стопорящими пазами на наружной поверхности наружного кольца (для удерживания подшипника от проворачивания).
K+D. Тип Conrad, без паза для ввода шариков. Одна защитная шайба.
K+DD. Тип Conrad, без паза для ввода шариков. Две защитные шайбы.
K+DD. Тип Conrad, без паза для ввода шариков. Две защитные шайбы. Обозначение типа смазки.
Два однорядных радиально-упорных шарикоподшипника в универсальном исполнении, т. е. пригодные для монтажа по любой схеме: 0-образной, Х-образной или тандем. Обозначения осевого зазора или предварительного натяга также, как у DB. Двухрядный радиально-упорный подшипник со слотом для ввода шариков, стандартная ширина и сходящиеся внутрь углы контакта, нежесткая конструкция.
Обозначение типа смазки. Двухрядный радиально-упорный подшипник со слотом для ввода шариков, стандартная ширина и сходящиеся внутрь углы контакта, нежесткая конструкция.
Одно уплотнение.
Уплотнение с двух сторон.
Максимальная грузоподьемность, слот для ввода шариков.
Поперечное сечение подшипника 1/2 площади. Максимальная грузоподьемность, слот для ввода шариков.
Шпиндельные подшипники для разнообразных комплектов,схема монтажа-спина к спине. Возможность выдерживать радиальные нагрузки. Осевые нагрузки в двух направлениях. Высокий момент жесткости. Максимальная грузоподьемность, слот для ввода шариков.
Узел плавающих подшипников.
Узел плавающих подшипников. Подшипник с защитной шайбой с одной стороны.
Узел плавающих подшипников. Два уплотнителя из синтетического каучука.
Узел плавающих подшипников. Внутренний зазор больше нормального.
Узел плавающих подшипников. Защитная шайба с одной стороны, канавка под стопорное кольцо на наружном кольце, стопорное кольцо на противоположной стороне от защитной шайбы.
| Товар / Аналог | Тип | Расшифровка / Описание |
|---|---|---|
| TM-SX06C42CS44 | Шариковый подшипник | Подшипники из стали со специальной обработкой. |
| 215SSK | Шариковый подшипник | Защитная шайба с двух сторон. Низкий крутящий момент, высокая скорость, обеспечение удержания смазки и защиты от загрязнения. Изготовлен из нержавеющей стали 302. Двухрядный радиально-упорный подшипник со слотом для ввода шариков, стандартная ширина и сходящиеся внутрь углы контакта, нежесткая конструкция. |
| QJ 306 MA | Радиально-упорный шариковый подшипник | Шариковый однорядный подшипник с четырехточечным углом контакта. Угол контакта 25 градусов. Обрабатываемый бронзовый сепаратор для самоустанавливающихся шарикоподшипников. |
| QJ 306 N2MA | Радиально-упорный шариковый подшипник | Шариковый однорядный подшипник с четырехточечным углом контакта. Подшипник с двумя фиксирующими пазами и латунным сепаратором. Угол контакта 25 градусов. |
| QJ 306 N2PHAS | Радиально-упорный шариковый подшипник | Шариковый однорядный подшипник с четырехточечным углом контакта. Сепаратор из стеклонаполненого полиэфирэфиркетона РЕЕК, со смазочными канавками на направляющих поверхностях, центрируемый по наружному кольцу. Подшипник с двумя смещёнными на α=180 стопорящими пазами на наружной поверхности наружного кольца (для удерживания подшипника от проворачивания). |
| 306KD | Шариковый подшипник | K+D. Тип Conrad, без паза для ввода шариков. Одна защитная шайба. |
| 306KDD | Шариковый подшипник | K+DD. Тип Conrad, без паза для ввода шариков. Две защитные шайбы. |
| 306KDDG | Шариковый подшипник | K+DD. Тип Conrad, без паза для ввода шариков. Две защитные шайбы. Обозначение типа смазки. |
| 306KDG | Шариковый подшипник | Два однорядных радиально-упорных шарикоподшипника в универсальном исполнении, т. е. пригодные для монтажа по любой схеме: 0-образной, Х-образной или тандем. Обозначения осевого зазора или предварительного натяга также, как у DB. Двухрядный радиально-упорный подшипник со слотом для ввода шариков, стандартная ширина и сходящиеся внутрь углы контакта, нежесткая конструкция. |
| 306KG | Шариковый подшипник | Обозначение типа смазки. Двухрядный радиально-упорный подшипник со слотом для ввода шариков, стандартная ширина и сходящиеся внутрь углы контакта, нежесткая конструкция. |
| 306P | Шариковый подшипник | Одно уплотнение. |
| 306PP | Шариковый подшипник | Уплотнение с двух сторон. |
| 306W | Шариковый подшипник | Максимальная грузоподьемность, слот для ввода шариков. |
| 306WD | Шариковый подшипник | Поперечное сечение подшипника 1/2 площади. Максимальная грузоподьемность, слот для ввода шариков. |
| 306WDD | Шариковый подшипник | Шпиндельные подшипники для разнообразных комплектов,схема монтажа-спина к спине. Возможность выдерживать радиальные нагрузки. Осевые нагрузки в двух направлениях. Высокий момент жесткости. Максимальная грузоподьемность, слот для ввода шариков. |
| BL306 | Шариковый подшипник | Узел плавающих подшипников. |
| BL306Z | Шариковый подшипник | Узел плавающих подшипников. Подшипник с защитной шайбой с одной стороны. |
| BL306ZZ | Шариковый подшипник | Узел плавающих подшипников. Два уплотнителя из синтетического каучука. |
| BL306C3 | Шариковый подшипник | Узел плавающих подшипников. Внутренний зазор больше нормального. |
| BL306ZNR | Шариковый подшипник | Узел плавающих подшипников. Защитная шайба с одной стороны, канавка под стопорное кольцо на наружном кольце, стопорное кольцо на противоположной стороне от защитной шайбы. |
Безусловно! Наши инженеры помогут найти идентичную замену или подобрать более износостойкий аналог. Свяжитесь с нами по телефону +7 (499) 229-40-33 или отправьте запрос на zakaz@prom-pod.ru.
Чтобы ускорить процесс, укажите маркировку с кольца подшипника, его размеры (d x D x B) или модель оборудования.
Да, для оптовых и постоянных партнеров мы предлагаем индивидуальный прайс-лист. Мы ценим долгосрочное сотрудничество и предоставляем гибкие условия.
Размер скидки фиксируется персонально и зависит от:
Для получения коммерческого предложения с учетом вашей скидки напишите на почту zakaz@prom-pod.ru.
Выберите наиболее удобный для вас вариант:
Для корпоративных клиентов у нас выделен отдельный отдел сопровождения. Позвоните по номеру +7 (499) 229-40-33 или пришлите реквизиты компании на email zakaz@prom-pod.ru.
Мы подготовим счет и полный пакет закрывающих документов в кратчайшие сроки.
Возврат изделий надлежащего качества возможен в течение 10 дней. Важно сохранить заводскую упаковку, товарный вид и отсутствие следов установки (монтажа).
Средства возвращаются в течение 10 рабочих дней после приемки и проверки товара на нашем складе.
Согласно регламенту, мы не принимаем к возврату подшипники со вскрытой упаковкой или явными признаками эксплуатации.
При этом мы полностью несем гарантийные обязательства: в случае обнаружения заводского брака производится оперативная замена или возврат средств.
Стандартный гарантийный срок хранения составляет 2 года. Чтобы подшипник сохранил свои свойства, важно держать его в сухом месте, в заводской упаковке и штатной консервационной смазке.
По конкретным сериям продукции точную информацию всегда подскажут наши менеджеры.
Мы на связи в будние дни с 8:00 до 17:00 (по Москве). Суббота и воскресенье — выходные.
Онлайн-заявки через сайт можно оставлять 24/7. Мы обработаем их в приоритетном порядке сразу в начале следующего рабочего дня.
Для оформления доставки минимальный порог составляет 3000 рублей. Если вы планируете забрать товар самовывозом, сумма заказа может быть любой (при условии наличия позиции на складе).
Еще никто не писал отзывов. Напишите первым!
Поговорите с экспертом нашей компании, за несколько минут он поможет вам не ошибиться в выборе, примет заказ в телефонном режиме и организуют оперативную доставку.
Получите бесплатную консультацию эксперта прямо сейчас!

Компания Prom-Pod.ru
Москва, Россия
Контакты: +7 499 229–40–33
zakaz@prom-pod.ru, prom-pod@mail.ru