7412 BGAM
В наличии
Будет доступен:
Цена на подшипник 7412 BGAM является расчетной и зависит от следующих факторов:
Для уточнения актуальной цены и наличия:
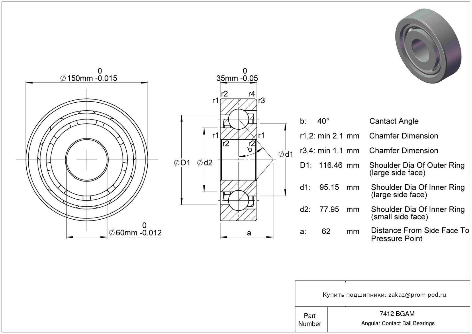
B + CB + M. Угол контакта α=40. Подшипник для универсального монтажа. Два подшипника, установленные по О-образной или Х-образной схеме, имеют нормальный осевой внутренний зазор. Механически обработанный латунный сепаратор, центрируемый по шарикам. Разные конструкции обозначаются цифрой после буквы М, например, М2.
Угол контакта α=40, для универсальной установки. Сходящийся наружу угол контакта со слотом для ввода шариков серии 5000. Жесткая конструкция. Обрабатываемый бронзовый сепаратор для самоустанавливающихся шарикоподшипников.
Сходящийся наружу угол контакта со слотом для ввода шариков серии 5000. Жесткая конструкция. Обрабатываемый бронзовый сепаратор для самоустанавливающихся шарикоподшипников.
Удлиненное внутреннее кольцо, вставка из нержавеющей стали, литые манжетные уплотнения.
Для двухрядных радиально-упорных шарикоподшипников: подшипник с защитной шайбой, без канавки на внутреннем кольце.
Уплотнение с двух сторон. Для двухрядных радиально-упорных шарикоподшипников: подшипник с защитной шайбой, без канавки на внутреннем кольце.
Внешнее самоцентрирование. Сепаратор расположен на внутреннем кольце.
Уплотнение с двух сторон. Внешнее самоцентрирование. Сепаратор расположен на внутреннем кольце.
Очищенная монтажная шайба, комплект с подшипником. Тип-выжимные подшипники. Уплотнение с двух сторон.
Очищенная монтажная шайба, комплект с подшипником. Тип-выжимные подшипники.
Уплотнение с обеих сторон, NBR.
Узел плавающих подшипников. Канавка для стопорного кольца в наружном кольце подшипника и соответствующее стопорное кольцо.
Шарики и кольца из материала AISI 440C.
Двухрядный радиально-упорный шарикоподшипник без слота для ввода шариков, со сходящимися наружу углами контакта, жесткая конструкция.
Внутренний зазор больше нормального.
Внутренний зазор больше С3.
Одинарные манжетные уплотнения - стандарт.
Внутренний зазор больше нормального. Одинарные манжетные уплотнения - стандарт.
Внутренний зазор больше нормального. Канавка для стопорного кольца в наружном кольце подшипника и соответствующее стопорное кольцо.
Высокий центр линии стационарного корпуса. Внутренний зазор больше нормального.
Внутренний зазор больше нормального.
Два уплотнителя из синтетического каучука.
Канавка для стопорного кольца в наружном кольце подшипника и соответствующее стопорное кольцо.
Внутренний зазор больше С3. Внешнее самоцентрирование.
Канавка для стопорного кольца в наружном кольце подшипника и соответствующее стопорное кольцо.
| Товар / Аналог | Тип | Расшифровка / Описание |
|---|---|---|
| SS7412 2RS | Радиально-упорный шариковый подшипник | Уплотнение с обеих сторон, NBR. |
| BL412NR | Шариковый подшипник | Узел плавающих подшипников. Канавка для стопорного кольца в наружном кольце подшипника и соответствующее стопорное кольцо. |
| S6412 | Шариковый подшипник | Шарики и кольца из материала AISI 440C. |
| 6412 | Шариковый подшипник | |
| 6412C | Шариковый подшипник | Двухрядный радиально-упорный шарикоподшипник без слота для ввода шариков, со сходящимися наружу углами контакта, жесткая конструкция. |
| 6412-C3 | Шариковый подшипник | Внутренний зазор больше нормального. |
| 6412-C4 | Шариковый подшипник | Внутренний зазор больше С3. |
| 6412-N | Шариковый подшипник | Одинарные манжетные уплотнения - стандарт. |
| 6412-N-C3 | Шариковый подшипник | Внутренний зазор больше нормального. Одинарные манжетные уплотнения - стандарт. |
| 6412-NR-C3 | Шариковый подшипник | Внутренний зазор больше нормального. Канавка для стопорного кольца в наружном кольце подшипника и соответствующее стопорное кольцо. |
| 6412-RS-C3 | Шариковый подшипник | Высокий центр линии стационарного корпуса. Внутренний зазор больше нормального. |
| 6412C3 | Шариковый подшипник | Внутренний зазор больше нормального. |
| 6412ZZ | Шариковый подшипник | Два уплотнителя из синтетического каучука. |
| 6412NR | Шариковый подшипник | Канавка для стопорного кольца в наружном кольце подшипника и соответствующее стопорное кольцо. |
| 6412/C4S1 | Шариковый подшипник | Внутренний зазор больше С3. Внешнее самоцентрирование. |
| 6412 NR | Шариковый подшипник | Канавка для стопорного кольца в наружном кольце подшипника и соответствующее стопорное кольцо. |
Безусловно! Наши инженеры помогут найти идентичную замену или подобрать более износостойкий аналог. Свяжитесь с нами по телефону +7 (499) 229-40-33 или отправьте запрос на zakaz@prom-pod.ru.
Чтобы ускорить процесс, укажите маркировку с кольца подшипника, его размеры (d x D x B) или модель оборудования.
Да, для оптовых и постоянных партнеров мы предлагаем индивидуальный прайс-лист. Мы ценим долгосрочное сотрудничество и предоставляем гибкие условия.
Размер скидки фиксируется персонально и зависит от:
Для получения коммерческого предложения с учетом вашей скидки напишите на почту zakaz@prom-pod.ru.
Выберите наиболее удобный для вас вариант:
Для корпоративных клиентов у нас выделен отдельный отдел сопровождения. Позвоните по номеру +7 (499) 229-40-33 или пришлите реквизиты компании на email zakaz@prom-pod.ru.
Мы подготовим счет и полный пакет закрывающих документов в кратчайшие сроки.
Возврат изделий надлежащего качества возможен в течение 10 дней. Важно сохранить заводскую упаковку, товарный вид и отсутствие следов установки (монтажа).
Средства возвращаются в течение 10 рабочих дней после приемки и проверки товара на нашем складе.
Согласно регламенту, мы не принимаем к возврату подшипники со вскрытой упаковкой или явными признаками эксплуатации.
При этом мы полностью несем гарантийные обязательства: в случае обнаружения заводского брака производится оперативная замена или возврат средств.
Стандартный гарантийный срок хранения составляет 2 года. Чтобы подшипник сохранил свои свойства, важно держать его в сухом месте, в заводской упаковке и штатной консервационной смазке.
По конкретным сериям продукции точную информацию всегда подскажут наши менеджеры.
Мы на связи в будние дни с 8:00 до 17:00 (по Москве). Суббота и воскресенье — выходные.
Онлайн-заявки через сайт можно оставлять 24/7. Мы обработаем их в приоритетном порядке сразу в начале следующего рабочего дня.
Для оформления доставки минимальный порог составляет 3000 рублей. Если вы планируете забрать товар самовывозом, сумма заказа может быть любой (при условии наличия позиции на складе).
Еще никто не писал отзывов. Напишите первым!
Поговорите с экспертом нашей компании, за несколько минут он поможет вам не ошибиться в выборе, примет заказ в телефонном режиме и организуют оперативную доставку.
Получите бесплатную консультацию эксперта прямо сейчас!

Компания Prom-Pod.ru
Москва, Россия
Контакты: +7 499 229–40–33
zakaz@prom-pod.ru, prom-pod@mail.ru