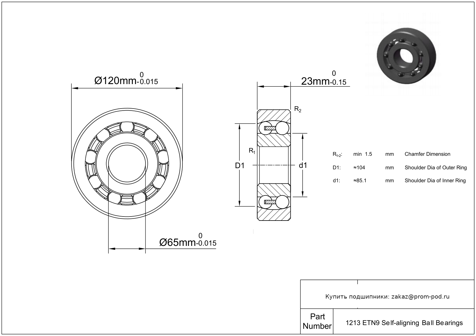
S1213 ETN9
В наличии
Будет доступен:
Цена на подшипник S1213 ETN9 является расчетной и зависит от следующих факторов:
Для уточнения актуальной цены и наличия:
Сепаратор из полиамида, армированного стекловолокном. Упорный шариковый подшипник без упорного кольца.
Сепаратор из полиамида, армированного стекловолокном. Самоустанавливающийся шарикоподшипник с более высокой грузоподъемностью по сравнению с оригинальной конструкцией.
Шарики и кольца из материала AISI 440C. Сепаратор из полиамида, армированного стекловолокном. Упорный шариковый подшипник без упорного кольца.
Для двухрядных радиально-упорных шарикоподшипников: подшипник с защитной шайбой, без канавки на внутреннем кольце.
Очищенная монтажная шайба, комплект с подшипником. Тип-выжимные подшипники.
Угол контакта 25 градусов. Угол контакта α=25. Сходящийся наружу угол контакта со слотом для ввода шариков серии 5000. Жесткая конструкция.
Внешнее самоцентрирование. Сепаратор расположен на внутреннем кольце.
Сепаратор: Сепаратор из стеклонаполненного полиамида (PA66), защелкивающийся сепаратор, с центрированием по телам качения. Внутренний зазор больше нормального. Двухрядный радиально-упорный подшипник со слотом для ввода шариков, стандартная ширина и сходящиеся внутрь углы контакта, нежесткая конструкция.
Сепаратор: Сепаратор из стеклонаполненного полиамида (PA66), защелкивающийся сепаратор, с центрированием по телам качения. Двухрядный радиально-упорный подшипник со слотом для ввода шариков, стандартная ширина и сходящиеся внутрь углы контакта, нежесткая конструкция.
Сепаратор: Сепаратор из стеклонаполненного полиамида (PA66), защелкивающийся сепаратор, с центрированием по телам качения.
Сепаратор: Сепаратор из стеклонаполненного полиамида (PA66), защелкивающийся сепаратор, с центрированием по телам качения. Внутренний зазор больше нормального.
Сепаратор из полиамида, армированного стекловолокном. Внутренний зазор больше нормального. Самоустанавливающийся шарикоподшипник с более высокой грузоподъемностью по сравнению с оригинальной конструкцией.
Сепаратор из полиамида, армированного стекловолокном. Внутренний зазор больше нормального. Упорный шариковый подшипник без упорного кольца.
Внутренний зазор больше нормального.
Двухрядный радиально-упорный подшипник со слотом для ввода шариков, стандартная ширина и сходящиеся внутрь углы контакта, нежесткая конструкция.
Двухрядный радиально-упорный подшипник со слотом для ввода шариков, стандартная ширина и сходящиеся внутрь углы контакта, нежесткая конструкция.
Полиамидный сепаратор. Двухрядный радиально-упорный подшипник со слотом для ввода шариков, стандартная ширина и сходящиеся внутрь углы контакта, нежесткая конструкция.
Внутренний зазор больше нормального. Двухрядный радиально-упорный подшипник со слотом для ввода шариков, стандартная ширина и сходящиеся внутрь углы контакта, нежесткая конструкция.
Внутренний зазор больше нормального. Двухрядный радиально-упорный подшипник со слотом для ввода шариков, стандартная ширина и сходящиеся внутрь углы контакта, нежесткая конструкция. Стальные фиксаторы.
Стальные фиксаторы.
Внутренний зазор больше нормального. Стальные фиксаторы.
Двухрядный радиально-упорный подшипник со слотом для ввода шариков, стандартная ширина и сходящиеся внутрь углы контакта, нежесткая конструкция. Стальные фиксаторы.
Двухрядный радиально-упорный подшипник со слотом для ввода шариков, стандартная ширина и сходящиеся внутрь углы контакта, нежесткая конструкция. Двухрядный радиально-упорный шарикоподшипник без слота для ввода шариков, со сходящимися наружу углами контакта, жесткая конструкция. Одно уплотнение.
Внутренний зазор больше нормального. Двухрядный радиально-упорный подшипник со слотом для ввода шариков, стандартная ширина и сходящиеся внутрь углы контакта, нежесткая конструкция.
Внутренний зазор больше нормального.
Двухрядный радиально-упорный подшипник со слотом для ввода шариков, стандартная ширина и сходящиеся внутрь углы контакта, нежесткая конструкция. Двухрядный радиально-упорный шарикоподшипник без слота для ввода шариков, со сходящимися наружу углами контакта, жесткая конструкция.
Двухрядный радиально-упорный подшипник со слотом для ввода шариков, стандартная ширина и сходящиеся внутрь углы контакта, нежесткая конструкция. Двухрядный радиально-упорный шарикоподшипник без слота для ввода шариков, со сходящимися наружу углами контакта, жесткая конструкция.
Двухрядный радиально-упорный шарикоподшипник без слота для ввода шариков, со сходящимися наружу углами контакта, жесткая конструкция.
Сепаратор из полиамида, армированного стекловолокном. Внутренний зазор больше нормального. Упорный шариковый подшипник без упорного кольца. Максимальная грузоподьемность, слот для ввода шариков.
Шариковый однорядный подшипник с четырехточечным углом контакта. Угол контакта 25 градусов. Обрабатываемый бронзовый сепаратор для самоустанавливающихся шарикоподшипников.
Шариковый однорядный подшипник с четырехточечным углом контакта. Подшипник с двумя фиксирующими пазами и латунным сепаратором. Угол контакта 25 градусов.
Шариковый однорядный подшипник с четырехточечным углом контакта. Сепаратор из стеклонаполненого полиэфирэфиркетона РЕЕК, со смазочными канавками на направляющих поверхностях, центрируемый по наружному кольцу. Подшипник с двумя смещёнными на α=180 стопорящими пазами на наружной поверхности наружного кольца (для удерживания подшипника от проворачивания).
Двухрядный радиально-упорный подшипник со слотом для ввода шариков, стандартная ширина и сходящиеся внутрь углы контакта, нежесткая конструкция.
K+DD. Тип Conrad, без паза для ввода шариков. Две защитные шайбы.
K+D. Тип Conrad, без паза для ввода шариков. Одна защитная шайба.
Уплотнение с двух сторон. Одинарные манжетные уплотнения - стандарт.
Максимальная грузоподьемность, слот для ввода шариков.
Шпиндельные подшипники для разнообразных комплектов,схема монтажа-спина к спине. Возможность выдерживать радиальные нагрузки. Осевые нагрузки в двух направлениях. Высокий момент жесткости. Радиально-упорный, низкий уступ по внутреннему и наружному кольцу.
Поперечное сечение подшипника 1/2 площади. Одинарные манжетные уплотнения - стандарт. Максимальная грузоподьемность, слот для ввода шариков.
Узел плавающих подшипников. Два уплотнителя из синтетического каучука.
Узел плавающих подшипников. Подшипник с защитной шайбой с одной стороны.
Узел плавающих подшипников.
Узел плавающих подшипников. Защитная шайба с одной стороны, канавка под стопорное кольцо на наружном кольце, стопорное кольцо на противоположной стороне от защитной шайбы.
Узел плавающих подшипников. Канавка для стопорного кольца в наружном кольце подшипника и соответствующее стопорное кольцо.
Узел плавающих подшипников. Внутренний зазор больше нормального.
Узел плавающих подшипников. Внутренний зазор больше нормального. Канавка для стопорного кольца в наружном кольце подшипника и соответствующее стопорное кольцо.
Узел плавающих подшипников. Защитная шайба с одной стороны, канавка под стопорное кольцо на наружном кольце, стопорное кольцо на противоположной стороне от защитной шайбы. Инструмент дюймовой серии с мелкими шариками.
Специальная сталь с термообработкой для более длительного срока службы. Внутренний зазор больше нормального.
Корпус картридж, стальной корпус. Поперечное сечение подшипника 1/2 площади. Подшипник с бесконтактными уплотнениями на одной стороне.
| Товар / Аналог | Тип | Расшифровка / Описание |
|---|---|---|
| QJ 213 MA | Радиально-упорный шариковый подшипник | Шариковый однорядный подшипник с четырехточечным углом контакта. Угол контакта 25 градусов. Обрабатываемый бронзовый сепаратор для самоустанавливающихся шарикоподшипников. |
| QJ 213 N2MA | Радиально-упорный шариковый подшипник | Шариковый однорядный подшипник с четырехточечным углом контакта. Подшипник с двумя фиксирующими пазами и латунным сепаратором. Угол контакта 25 градусов. |
| QJ 213 N2PHAS | Радиально-упорный шариковый подшипник | Шариковый однорядный подшипник с четырехточечным углом контакта. Сепаратор из стеклонаполненого полиэфирэфиркетона РЕЕК, со смазочными канавками на направляющих поверхностях, центрируемый по наружному кольцу. Подшипник с двумя смещёнными на α=180 стопорящими пазами на наружной поверхности наружного кольца (для удерживания подшипника от проворачивания). |
| 213K | Шариковый подшипник | Двухрядный радиально-упорный подшипник со слотом для ввода шариков, стандартная ширина и сходящиеся внутрь углы контакта, нежесткая конструкция. |
| 213KDD | Шариковый подшипник | K+DD. Тип Conrad, без паза для ввода шариков. Две защитные шайбы. |
| 213KD | Шариковый подшипник | K+D. Тип Conrad, без паза для ввода шариков. Одна защитная шайба. |
| 213NPP | Шариковый подшипник | Уплотнение с двух сторон. Одинарные манжетные уплотнения - стандарт. |
| 213W | Шариковый подшипник | Максимальная грузоподьемность, слот для ввода шариков. |
| 213WDDN | Шариковый подшипник | Шпиндельные подшипники для разнообразных комплектов,схема монтажа-спина к спине. Возможность выдерживать радиальные нагрузки. Осевые нагрузки в двух направлениях. Высокий момент жесткости. Радиально-упорный, низкий уступ по внутреннему и наружному кольцу. |
| 213WDN | Шариковый подшипник | Поперечное сечение подшипника 1/2 площади. Одинарные манжетные уплотнения - стандарт. Максимальная грузоподьемность, слот для ввода шариков. |
| BL213ZZ | Шариковый подшипник | Узел плавающих подшипников. Два уплотнителя из синтетического каучука. |
| BL213Z | Шариковый подшипник | Узел плавающих подшипников. Подшипник с защитной шайбой с одной стороны. |
| BL213 | Шариковый подшипник | Узел плавающих подшипников. |
| BL213ZNR | Шариковый подшипник | Узел плавающих подшипников. Защитная шайба с одной стороны, канавка под стопорное кольцо на наружном кольце, стопорное кольцо на противоположной стороне от защитной шайбы. |
| BL213NR | Шариковый подшипник | Узел плавающих подшипников. Канавка для стопорного кольца в наружном кольце подшипника и соответствующее стопорное кольцо. |
| BL213C3 | Шариковый подшипник | Узел плавающих подшипников. Внутренний зазор больше нормального. |
| BL213NRC3 | Шариковый подшипник | Узел плавающих подшипников. Внутренний зазор больше нормального. Канавка для стопорного кольца в наружном кольце подшипника и соответствующее стопорное кольцо. |
| BL213X50ZNR | Шариковый подшипник | Узел плавающих подшипников. Защитная шайба с одной стороны, канавка под стопорное кольцо на наружном кольце, стопорное кольцо на противоположной стороне от защитной шайбы. Инструмент дюймовой серии с мелкими шариками. |
| TMB213C3 | Шариковый подшипник | Специальная сталь с термообработкой для более длительного срока службы. Внутренний зазор больше нормального. |
| CS213D1V2 | Шариковый подшипник | Корпус картридж, стальной корпус. Поперечное сечение подшипника 1/2 площади. Подшипник с бесконтактными уплотнениями на одной стороне. |
Безусловно! Наши инженеры помогут найти идентичную замену или подобрать более износостойкий аналог. Свяжитесь с нами по телефону +7 (499) 229-40-33 или отправьте запрос на zakaz@prom-pod.ru.
Чтобы ускорить процесс, укажите маркировку с кольца подшипника, его размеры (d x D x B) или модель оборудования.
Да, для оптовых и постоянных партнеров мы предлагаем индивидуальный прайс-лист. Мы ценим долгосрочное сотрудничество и предоставляем гибкие условия.
Размер скидки фиксируется персонально и зависит от:
Для получения коммерческого предложения с учетом вашей скидки напишите на почту zakaz@prom-pod.ru.
Выберите наиболее удобный для вас вариант:
Для корпоративных клиентов у нас выделен отдельный отдел сопровождения. Позвоните по номеру +7 (499) 229-40-33 или пришлите реквизиты компании на email zakaz@prom-pod.ru.
Мы подготовим счет и полный пакет закрывающих документов в кратчайшие сроки.
Возврат изделий надлежащего качества возможен в течение 10 дней. Важно сохранить заводскую упаковку, товарный вид и отсутствие следов установки (монтажа).
Средства возвращаются в течение 10 рабочих дней после приемки и проверки товара на нашем складе.
Согласно регламенту, мы не принимаем к возврату подшипники со вскрытой упаковкой или явными признаками эксплуатации.
При этом мы полностью несем гарантийные обязательства: в случае обнаружения заводского брака производится оперативная замена или возврат средств.
Стандартный гарантийный срок хранения составляет 2 года. Чтобы подшипник сохранил свои свойства, важно держать его в сухом месте, в заводской упаковке и штатной консервационной смазке.
По конкретным сериям продукции точную информацию всегда подскажут наши менеджеры.
Мы на связи в будние дни с 8:00 до 17:00 (по Москве). Суббота и воскресенье — выходные.
Онлайн-заявки через сайт можно оставлять 24/7. Мы обработаем их в приоритетном порядке сразу в начале следующего рабочего дня.
Для оформления доставки минимальный порог составляет 3000 рублей. Если вы планируете забрать товар самовывозом, сумма заказа может быть любой (при условии наличия позиции на складе).
Еще никто не писал отзывов. Напишите первым!
Поговорите с экспертом нашей компании, за несколько минут он поможет вам не ошибиться в выборе, примет заказ в телефонном режиме и организуют оперативную доставку.
Получите бесплатную консультацию эксперта прямо сейчас!

Компания Prom-Pod.ru
Москва, Россия
Контакты: +7 499 229–40–33
zakaz@prom-pod.ru, prom-pod@mail.ru