HS7024-E-T-P4S-UL
В наличии
Будет доступен:
Цена на подшипник HS7024-E-T-P4S-UL является расчетной и зависит от следующих факторов:
Для уточнения актуальной цены и наличия:
B + G + M. Угол контакта α=40. Подшипник для универсального монтажа. Два подшипника, установленные по О-образной или Х-образной схеме, имеют осевой внутренний зазор. Механически обработанный латунный сепаратор, центрируемый по шарикам. Разные конструкции обозначаются цифрой после буквы М, например, М2.
Удлиненное внутреннее кольцо, вставка из нержавеющей стали, литые манжетные уплотнения.
Для двухрядных радиально-упорных шарикоподшипников: подшипник с защитной шайбой, без канавки на внутреннем кольце.
Уплотнение с двух сторон. Для двухрядных радиально-упорных шарикоподшипников: подшипник с защитной шайбой, без канавки на внутреннем кольце.
Внешнее самоцентрирование. Сепаратор расположен на внутреннем кольце.
Уплотнение с двух сторон. Внешнее самоцентрирование. Сепаратор расположен на внутреннем кольце.
Очищенная монтажная шайба, комплект с подшипником. Тип-выжимные подшипники. Уплотнение с двух сторон.
Высокоскоростные радиально-упорные шпиндельные подшипники. Класс точности P4S. Класс точности (FAG) для шпиндельных подшипников: размере и форму допуска в соответствии с P4, допуск на вращение в соответствии с P2. Универсальное исполнение - легкий преднатяг. Двухрядный радиально-упорный шарикоподшипник без слота для ввода шариков, со сходящимися наружу углами контакта, жесткая конструкция. Одно фетровое уплотнение.
Стандартное исполнение радиально-упорных шпиндельных подшипников. Класс точности P4S. Класс точности (FAG) для шпиндельных подшипников: размере и форму допуска в соответствии с P4, допуск на вращение в соответствии с P2. Универсальное исполнение - легкий преднатяг. Самоустанавливающийся шарикоподшипник с более высокой грузоподъемностью по сравнению с оригинальной конструкцией. Одно фетровое уплотнение.
Шарики и кольца из материала AISI M50. Класс точности P4S. Класс точности (FAG) для шпиндельных подшипников: размере и форму допуска в соответствии с P4, допуск на вращение в соответствии с P2. Универсальное исполнение - легкий преднатяг. Самоустанавливающийся шарикоподшипник с более высокой грузоподъемностью по сравнению с оригинальной конструкцией. Одно механическое уплотнение. Одно фетровое уплотнение. Для упорных шарикоподшипников: наружный диаметр шайбы вала меньше, чем шайбы корпуса.
Высокоскоростные радиально-упорные шпиндельные подшипники, бесконтактные уплотнения с двух сторон. Класс точности P4S. Класс точности (FAG) для шпиндельных подшипников: размере и форму допуска в соответствии с P4, допуск на вращение в соответствии с P2. Универсальное исполнение - легкий преднатяг. Двухрядный радиально-упорный шарикоподшипник без слота для ввода шариков, со сходящимися наружу углами контакта, жесткая конструкция. Одно фетровое уплотнение.
Высокоскоростные радиально-упорные шпиндельные подшипники, бесконтактные уплотнения с двух сторон. Класс точности P4S. Класс точности (FAG) для шпиндельных подшипников: размере и форму допуска в соответствии с P4, допуск на вращение в соответствии с P2. Универсальное исполнение - легкий преднатяг. Самоустанавливающийся шарикоподшипник с более высокой грузоподъемностью по сравнению с оригинальной конструкцией. Одно фетровое уплотнение.
Стандартное исполнение радиально-упорных шпиндельных подшипников. Класс точности P4S. Класс точности (FAG) для шпиндельных подшипников: размере и форму допуска в соответствии с P4, допуск на вращение в соответствии с P2. Универсальное исполнение - легкий преднатяг. Двухрядный радиально-упорный шарикоподшипник без слота для ввода шариков, со сходящимися наружу углами контакта, жесткая конструкция. Одно фетровое уплотнение.
Шарики и кольца из материала AISI M50. Класс точности P4S. Класс точности (FAG) для шпиндельных подшипников: размере и форму допуска в соответствии с P4, допуск на вращение в соответствии с P2. Универсальное исполнение - легкий преднатяг. Двухрядный радиально-упорный шарикоподшипник без слота для ввода шариков, со сходящимися наружу углами контакта, жесткая конструкция. Одно механическое уплотнение. Одно фетровое уплотнение. Для упорных шарикоподшипников: наружный диаметр шайбы вала меньше, чем шайбы корпуса.
Класс точности P4S. Класс точности (FAG) для шпиндельных подшипников: размере и форму допуска в соответствии с P4, допуск на вращение в соответствии с P2. Универсальное исполнение - легкий преднатяг. Двухрядный радиально-упорный шарикоподшипник без слота для ввода шариков, со сходящимися наружу углами контакта, жесткая конструкция. Одно механическое уплотнение. Одно фетровое уплотнение. Для упорных шарикоподшипников: наружный диаметр шайбы вала меньше, чем шайбы корпуса.
Радиально-упорные шпиндельные подшипники с керамическими шариками. Класс точности P4S. Класс точности (FAG) для шпиндельных подшипников: размере и форму допуска в соответствии с P4, допуск на вращение в соответствии с P2. Универсальное исполнение - легкий преднатяг. Самоустанавливающийся шарикоподшипник с более высокой грузоподъемностью по сравнению с оригинальной конструкцией. Одно фетровое уплотнение.
Радиально-упорные шпиндельные подшипники с керамическими шариками. Класс точности P4S. Класс точности (FAG) для шпиндельных подшипников: размере и форму допуска в соответствии с P4, допуск на вращение в соответствии с P2. Универсальное исполнение - легкий преднатяг. Двухрядный радиально-упорный шарикоподшипник без слота для ввода шариков, со сходящимися наружу углами контакта, жесткая конструкция. Одно фетровое уплотнение.
Керамические подшипники качения гибридные (кольца, изготовленные из стали, элементы качения из керамического материала). Конструкция HCS закрыта с обеих сторон RSD уплотнениями. Класс точности P4S. Класс точности (FAG) для шпиндельных подшипников: размере и форму допуска в соответствии с P4, допуск на вращение в соответствии с P2. Универсальное исполнение - легкий преднатяг. Самоустанавливающийся шарикоподшипник с более высокой грузоподъемностью по сравнению с оригинальной конструкцией. Одно фетровое уплотнение.
X-life ultra керамические шарики. Класс точности P4S. Класс точности (FAG) для шпиндельных подшипников: размере и форму допуска в соответствии с P4, допуск на вращение в соответствии с P2. Универсальное исполнение - легкий преднатяг. Самоустанавливающийся шарикоподшипник с более высокой грузоподъемностью по сравнению с оригинальной конструкцией. Одно фетровое уплотнение.
Класс точности P4S. Класс точности (FAG) для шпиндельных подшипников: размере и форму допуска в соответствии с P4, допуск на вращение в соответствии с P2. Универсальное исполнение - легкий преднатяг. Самоустанавливающийся шарикоподшипник с более высокой грузоподъемностью по сравнению с оригинальной конструкцией. Одно механическое уплотнение. Одно фетровое уплотнение. Для упорных шарикоподшипников: наружный диаметр шайбы вала меньше, чем шайбы корпуса.
Класс точности P4S. Класс точности (FAG) для шпиндельных подшипников: размере и форму допуска в соответствии с P4, допуск на вращение в соответствии с P2. Универсальное исполнение - легкий преднатяг. Двухрядный радиально-упорный шарикоподшипник без слота для ввода шариков, со сходящимися наружу углами контакта, жесткая конструкция. Одно механическое уплотнение. Одно фетровое уплотнение. Для упорных шарикоподшипников: наружный диаметр шайбы вала меньше, чем шайбы корпуса.
Керамические подшипники качения гибридные (кольца, изготовленные из стали, элементы качения из керамического материала). Класс точности P4S. Класс точности (FAG) для шпиндельных подшипников: размере и форму допуска в соответствии с P4, допуск на вращение в соответствии с P2. Универсальное исполнение - легкий преднатяг. Самоустанавливающийся шарикоподшипник с более высокой грузоподъемностью по сравнению с оригинальной конструкцией. Одно фетровое уплотнение.
Радиально-упорные шпиндельные подшипники с кольцами из высококачественной стали CRONIDUR 30, высокоскоростные, с керамическими шариками, бесконтактные уплотнения с двух сторон. Класс точности P4S. Класс точности (FAG) для шпиндельных подшипников: размере и форму допуска в соответствии с P4, допуск на вращение в соответствии с P2. Универсальное исполнение - легкий преднатяг. Самоустанавливающийся шарикоподшипник с более высокой грузоподъемностью по сравнению с оригинальной конструкцией. Одно фетровое уплотнение.
Класс точности P4S. Класс точности (FAG) для шпиндельных подшипников: размере и форму допуска в соответствии с P4, допуск на вращение в соответствии с P2. Универсальное исполнение - легкий преднатяг. Самоустанавливающийся шарикоподшипник с более высокой грузоподъемностью по сравнению с оригинальной конструкцией. Одно механическое уплотнение. Одно фетровое уплотнение. Для упорных шарикоподшипников: наружный диаметр шайбы вала меньше, чем шайбы корпуса.
Стандартное исполнение радиально-упорных шпиндельных подшипников. Бесконтактное уплотнение с обеих сторон, от 62 мм, NBR. Класс точности P4S. Класс точности (FAG) для шпиндельных подшипников: размере и форму допуска в соответствии с P4, допуск на вращение в соответствии с P2. Универсальное исполнение - легкий преднатяг. Двухрядный радиально-упорный шарикоподшипник без слота для ввода шариков, со сходящимися наружу углами контакта, жесткая конструкция. Одно фетровое уплотнение.
Стандартное исполнение радиально-упорных шпиндельных подшипников. Бесконтактное уплотнение с обеих сторон, от 62 мм, NBR. Класс точности P4S. Класс точности (FAG) для шпиндельных подшипников: размере и форму допуска в соответствии с P4, допуск на вращение в соответствии с P2. Универсальное исполнение - легкий преднатяг. Самоустанавливающийся шарикоподшипник с более высокой грузоподъемностью по сравнению с оригинальной конструкцией. Одно фетровое уплотнение.
Шарики и кольца из материала AISI M50. Бесконтактное уплотнение с обеих сторон, от 62 мм, NBR. Класс точности P4S. Класс точности (FAG) для шпиндельных подшипников: размере и форму допуска в соответствии с P4, допуск на вращение в соответствии с P2. Универсальное исполнение - легкий преднатяг. Двухрядный радиально-упорный шарикоподшипник без слота для ввода шариков, со сходящимися наружу углами контакта, жесткая конструкция. Одно механическое уплотнение. Одно фетровое уплотнение. Для упорных шарикоподшипников: наружный диаметр шайбы вала меньше, чем шайбы корпуса.
Шарики и кольца из материала AISI M50. Бесконтактное уплотнение с обеих сторон, от 62 мм, NBR. Класс точности P4S. Класс точности (FAG) для шпиндельных подшипников: размере и форму допуска в соответствии с P4, допуск на вращение в соответствии с P2. Универсальное исполнение - легкий преднатяг. Самоустанавливающийся шарикоподшипник с более высокой грузоподъемностью по сравнению с оригинальной конструкцией. Одно механическое уплотнение. Одно фетровое уплотнение. Для упорных шарикоподшипников: наружный диаметр шайбы вала меньше, чем шайбы корпуса.
Бесконтактное уплотнение с обеих сторон, от 62 мм, NBR. Класс точности P4S. Класс точности (FAG) для шпиндельных подшипников: размере и форму допуска в соответствии с P4, допуск на вращение в соответствии с P2. Универсальное исполнение - легкий преднатяг. Самоустанавливающийся шарикоподшипник с более высокой грузоподъемностью по сравнению с оригинальной конструкцией. Одно механическое уплотнение. Одно фетровое уплотнение. Для упорных шарикоподшипников: наружный диаметр шайбы вала меньше, чем шайбы корпуса.
Радиально-упорные шпиндельные подшипники с керамическими шариками. Бесконтактное уплотнение с обеих сторон, от 62 мм, NBR. Класс точности P4S. Класс точности (FAG) для шпиндельных подшипников: размере и форму допуска в соответствии с P4, допуск на вращение в соответствии с P2. Универсальное исполнение - легкий преднатяг. Самоустанавливающийся шарикоподшипник с более высокой грузоподъемностью по сравнению с оригинальной конструкцией. Одно фетровое уплотнение.
Уплотнение с обеих сторон, NBR.
Шарики и кольца из материала AISI 440C.
Шарики и кольца из материала AISI 440C. Уплотнение с обеих сторон, NBR.
Шарики и кольца из материала AISI 440C. Два уплотнителя из синтетического каучука.
Уплотнение с обеих сторон, NBR.
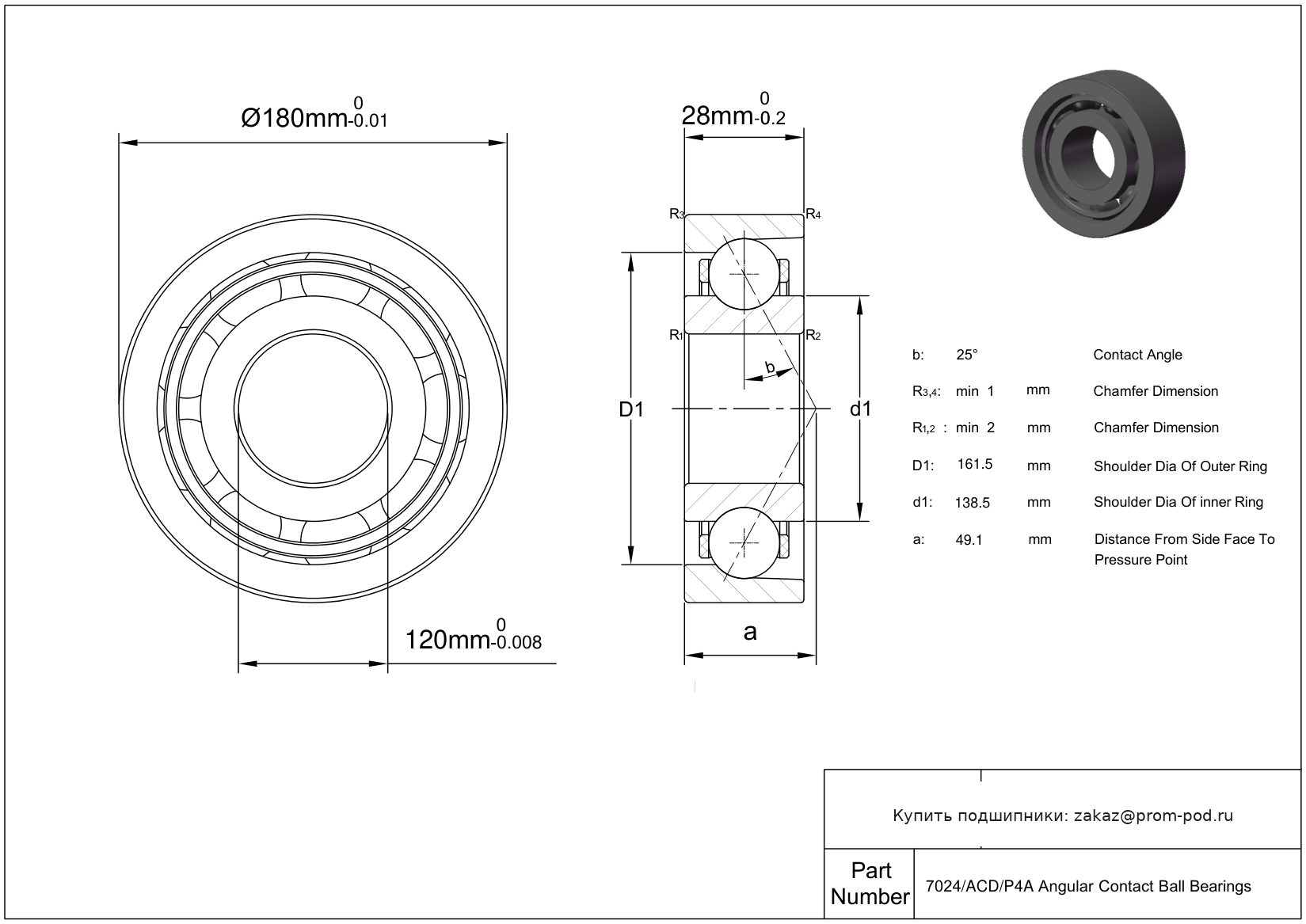
Двухрядный радиально-упорный шарикоподшипник без слота для ввода шариков, со сходящимися наружу углами контакта, жесткая конструкция.
Угол контакта 25 градусов. Внутренний зазор больше нормального. Сходящийся наружу угол контакта со слотом для ввода шариков серии 5000. Жесткая конструкция. Стальные фиксаторы.
Подшипник с контактными уплотнениями с двух сторон, в случае двухрядных радиально-упорных шарикоподшипников - без канавки на внутреннем кольце.
Подшипник с контактными уплотнениями с двух сторон, в случае двухрядных радиально-упорных шарикоподшипников - без канавки на внутреннем кольце. Внутренний зазор больше нормального.
Внутренний зазор больше нормального. Защитная шайба с обеих сторон.
Массивные латунные сепараторы. Внутренний зазор больше нормального. Защитная шайба с обеих сторон.
Внутренний зазор больше нормального.
Внутренний зазор больше С3.
Обрабатываемый бронзовый сепаратор для самоустанавливающихся шарикоподшипников.
Внутренний зазор больше нормального. Обрабатываемый бронзовый сепаратор для самоустанавливающихся шарикоподшипников.
Внутренний зазор больше С3. Обрабатываемый бронзовый сепаратор для самоустанавливающихся шарикоподшипников.
Одинарные манжетные уплотнения - стандарт.
Внутренний зазор больше нормального. Одинарные манжетные уплотнения - стандарт.
Внутренний зазор больше нормального. Подшипник с защитной шайбой с одной стороны.
| Товар / Аналог | Тип | Расшифровка / Описание |
|---|---|---|
| SS7024 2RS | Радиально-упорный шариковый подшипник | Уплотнение с обеих сторон, NBR. |
| S6024 | Шариковый подшипник | Шарики и кольца из материала AISI 440C. |
| S6024 2rs | Шариковый подшипник | Шарики и кольца из материала AISI 440C. Уплотнение с обеих сторон, NBR. |
| S6024zz | Шариковый подшипник | Шарики и кольца из материала AISI 440C. Два уплотнителя из синтетического каучука. |
| 6024 | Шариковый подшипник | |
| 6024 2RS | Шариковый подшипник | Уплотнение с обеих сторон, NBR. |
| 6024C | Шариковый подшипник | Двухрядный радиально-упорный шарикоподшипник без слота для ввода шариков, со сходящимися наружу углами контакта, жесткая конструкция. |
| 6024-J20AB-C3 | Шариковый подшипник | Угол контакта 25 градусов. Внутренний зазор больше нормального. Сходящийся наружу угол контакта со слотом для ввода шариков серии 5000. Жесткая конструкция. Стальные фиксаторы. |
| 6024-2RSR | Шариковый подшипник | Подшипник с контактными уплотнениями с двух сторон, в случае двухрядных радиально-упорных шарикоподшипников - без канавки на внутреннем кольце. |
| 6024-2RSR-C3 | Шариковый подшипник | Подшипник с контактными уплотнениями с двух сторон, в случае двухрядных радиально-упорных шарикоподшипников - без канавки на внутреннем кольце. Внутренний зазор больше нормального. |
| 6024-2Z-C3 | Шариковый подшипник | Внутренний зазор больше нормального. Защитная шайба с обеих сторон. |
| 6024-2Z-L100-C3 | Шариковый подшипник | Массивные латунные сепараторы. Внутренний зазор больше нормального. Защитная шайба с обеих сторон. |
| 6024-C3 | Шариковый подшипник | Внутренний зазор больше нормального. |
| 6024-C4 | Шариковый подшипник | Внутренний зазор больше С3. |
| 6024-M | Шариковый подшипник | Обрабатываемый бронзовый сепаратор для самоустанавливающихся шарикоподшипников. |
| 6024-M-C3 | Шариковый подшипник | Внутренний зазор больше нормального. Обрабатываемый бронзовый сепаратор для самоустанавливающихся шарикоподшипников. |
| 6024-M-C4 | Шариковый подшипник | Внутренний зазор больше С3. Обрабатываемый бронзовый сепаратор для самоустанавливающихся шарикоподшипников. |
| 6024-N | Шариковый подшипник | Одинарные манжетные уплотнения - стандарт. |
| 6024-N-C3 | Шариковый подшипник | Внутренний зазор больше нормального. Одинарные манжетные уплотнения - стандарт. |
| 6024-Z-C3 | Шариковый подшипник | Внутренний зазор больше нормального. Подшипник с защитной шайбой с одной стороны. |
Безусловно! Наши инженеры помогут найти идентичную замену или подобрать более износостойкий аналог. Свяжитесь с нами по телефону +7 (499) 229-40-33 или отправьте запрос на zakaz@prom-pod.ru.
Чтобы ускорить процесс, укажите маркировку с кольца подшипника, его размеры (d x D x B) или модель оборудования.
Да, для оптовых и постоянных партнеров мы предлагаем индивидуальный прайс-лист. Мы ценим долгосрочное сотрудничество и предоставляем гибкие условия.
Размер скидки фиксируется персонально и зависит от:
Для получения коммерческого предложения с учетом вашей скидки напишите на почту zakaz@prom-pod.ru.
Выберите наиболее удобный для вас вариант:
Для корпоративных клиентов у нас выделен отдельный отдел сопровождения. Позвоните по номеру +7 (499) 229-40-33 или пришлите реквизиты компании на email zakaz@prom-pod.ru.
Мы подготовим счет и полный пакет закрывающих документов в кратчайшие сроки.
Возврат изделий надлежащего качества возможен в течение 10 дней. Важно сохранить заводскую упаковку, товарный вид и отсутствие следов установки (монтажа).
Средства возвращаются в течение 10 рабочих дней после приемки и проверки товара на нашем складе.
Согласно регламенту, мы не принимаем к возврату подшипники со вскрытой упаковкой или явными признаками эксплуатации.
При этом мы полностью несем гарантийные обязательства: в случае обнаружения заводского брака производится оперативная замена или возврат средств.
Стандартный гарантийный срок хранения составляет 2 года. Чтобы подшипник сохранил свои свойства, важно держать его в сухом месте, в заводской упаковке и штатной консервационной смазке.
По конкретным сериям продукции точную информацию всегда подскажут наши менеджеры.
Мы на связи в будние дни с 8:00 до 17:00 (по Москве). Суббота и воскресенье — выходные.
Онлайн-заявки через сайт можно оставлять 24/7. Мы обработаем их в приоритетном порядке сразу в начале следующего рабочего дня.
Для оформления доставки минимальный порог составляет 3000 рублей. Если вы планируете забрать товар самовывозом, сумма заказа может быть любой (при условии наличия позиции на складе).
Еще никто не писал отзывов. Напишите первым!
Поговорите с экспертом нашей компании, за несколько минут он поможет вам не ошибиться в выборе, примет заказ в телефонном режиме и организуют оперативную доставку.
Получите бесплатную консультацию эксперта прямо сейчас!

Компания Prom-Pod.ru
Москва, Россия
Контакты: +7 499 229–40–33
zakaz@prom-pod.ru, prom-pod@mail.ru