KHM212049-KHM212011
В наличии
Будет доступен:
Цена на подшипник KHM212049-KHM212011 является расчетной и зависит от следующих факторов:
Для уточнения актуальной цены и наличия:
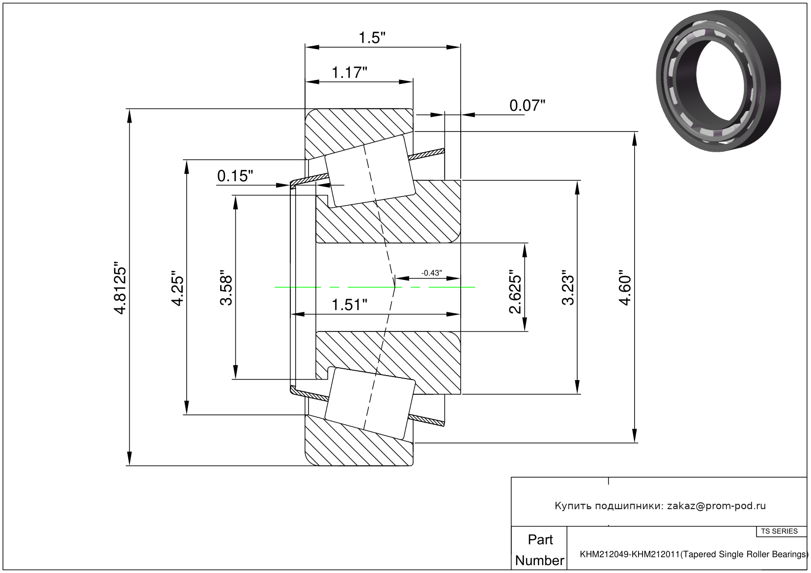
Подшипники среднетяжелой категории эксплуатации. Не взаимозаменяемы с другими внутренними или наружными кольцами того же основного исполнения. Механически обработанный латунный сепаратор (разборный). Слепое отверстие для штифта в наружном кольце O.D. Опускается, если внутреннее кольцо не поставляется.
Подшипники среднетяжелой категории эксплуатации. Не взаимозаменяемы с другими внутренними или наружными кольцами того же основного исполнения. Механически обработанный латунный сепаратор (разборный). Слепое отверстие для штифта в наружном кольце O.D. Опускается, если внутреннее кольцо не поставляется.
Подшипники среднетяжелой категории эксплуатации. Не взаимозаменяемы с другими внутренними или наружными кольцами того же основного исполнения. Угол контакта 25 градусов. Механически обработанный латунный сепаратор (разборный). Слепое отверстие для штифта в наружном кольце O.D. Опускается, если внутреннее кольцо не поставляется.
Подшипники среднетяжелой категории эксплуатации. Не взаимозаменяемы с другими внутренними или наружными кольцами того же основного исполнения. Угол контакта 25 градусов. Механически обработанный латунный сепаратор (разборный). Слепое отверстие для штифта в наружном кольце O.D. Опускается, если внутреннее кольцо не поставляется.
Подшипники среднетяжелой категории эксплуатации. Не взаимозаменяемы с другими внутренними или наружными кольцами того же основного исполнения. Механически обработанный латунный сепаратор (разборный). Граничные размеры не соответствуют серии размеров ISO. Слепое отверстие для штифта в наружном кольце O.D. Опускается, если внутреннее кольцо не поставляется.
Граничные размеры не соответствуют серии размеров ISO.
Безусловно! Наши инженеры помогут найти идентичную замену или подобрать более износостойкий аналог. Свяжитесь с нами по телефону +7 (499) 229-40-33 или отправьте запрос на zakaz@prom-pod.ru.
Чтобы ускорить процесс, укажите маркировку с кольца подшипника, его размеры (d x D x B) или модель оборудования.
Да, для оптовых и постоянных партнеров мы предлагаем индивидуальный прайс-лист. Мы ценим долгосрочное сотрудничество и предоставляем гибкие условия.
Размер скидки фиксируется персонально и зависит от:
Для получения коммерческого предложения с учетом вашей скидки напишите на почту zakaz@prom-pod.ru.
Выберите наиболее удобный для вас вариант:
Для корпоративных клиентов у нас выделен отдельный отдел сопровождения. Позвоните по номеру +7 (499) 229-40-33 или пришлите реквизиты компании на email zakaz@prom-pod.ru.
Мы подготовим счет и полный пакет закрывающих документов в кратчайшие сроки.
Возврат изделий надлежащего качества возможен в течение 10 дней. Важно сохранить заводскую упаковку, товарный вид и отсутствие следов установки (монтажа).
Средства возвращаются в течение 10 рабочих дней после приемки и проверки товара на нашем складе.
Согласно регламенту, мы не принимаем к возврату подшипники со вскрытой упаковкой или явными признаками эксплуатации.
При этом мы полностью несем гарантийные обязательства: в случае обнаружения заводского брака производится оперативная замена или возврат средств.
Стандартный гарантийный срок хранения составляет 2 года. Чтобы подшипник сохранил свои свойства, важно держать его в сухом месте, в заводской упаковке и штатной консервационной смазке.
По конкретным сериям продукции точную информацию всегда подскажут наши менеджеры.
Мы на связи в будние дни с 8:00 до 17:00 (по Москве). Суббота и воскресенье — выходные.
Онлайн-заявки через сайт можно оставлять 24/7. Мы обработаем их в приоритетном порядке сразу в начале следующего рабочего дня.
Для оформления доставки минимальный порог составляет 3000 рублей. Если вы планируете забрать товар самовывозом, сумма заказа может быть любой (при условии наличия позиции на складе).
Еще никто не писал отзывов. Напишите первым!
Поговорите с экспертом нашей компании, за несколько минут он поможет вам не ошибиться в выборе, примет заказ в телефонном режиме и организуют оперативную доставку.
Получите бесплатную консультацию эксперта прямо сейчас!

Компания Prom-Pod.ru
Москва, Россия
Контакты: +7 499 229–40–33
zakaz@prom-pod.ru, prom-pod@mail.ru