22320E CJW33
В наличии
Будет доступен:
Цена на подшипник 22320E CJW33 является расчетной и зависит от следующих факторов:
Для уточнения актуальной цены и наличия:
Цилиндрическое отверстие внутреннего кольца, с установочными винтами (легконагруженного типа). Для двухрядных цилиндрических роликоподшипников: канавка для смазки и отверстия для смазки в наружном кольце (зависит от размера подшипника: E, E1, E2, E3, E4). Для сферических роликоподшипников: канавка для смазки и отверстия для смазки в наружном кольце. Внутренний зазор больше нормального. Двойное уплотнение, кромки уплотнений наружу.
Конструкция повышенной мощности ULTAGE, симметричные ролики.
Подшипник для вибромашин со штампованными стальными сепараторами с поверхностной закалкой. Внутреннее кольцо без бортов, направляющее кольцо, центрируемое по дорожке качения наружного кольца, два штампованных стальных сепаратора.
Аналогично VA405, но цилиндрическое отверстие внутреннего кольца покрыто политетрафторэтиленом (PTFE). Внутреннее кольцо без бортов, направляющее кольцо, центрируемое по дорожке качения наружного кольца, два штампованных стальных сепаратора.
Коническое отверстие (1:12 по диаметру). Конструкция повышенной мощности ULTAGE, симметричные ролики.
Подшипник для вибромашин со штампованными стальными сепараторами с поверхностной закалкой. Угол контакта 25 градусов. Коническое отверстие (1:12 по диаметру). Конструкция повышенной мощности ULTAGE, симметричные ролики. Угол контакта 40 градусов для радиально-упорных типов.
Коническое отверстие (1:12 по диаметру). Конструкция повышенной мощности ULTAGE, симметричные ролики. Только цилиндрический роликовый подшипник, ролик и сепаратор.
Конструкция повышенной мощности ULTAGE, симметричные ролики. Только цилиндрический роликовый подшипник, ролик и сепаратор.
Внутренний зазор больше С3. Коническое отверстие (1:12 по диаметру). Конструкция повышенной мощности ULTAGE, симметричные ролики.
Внутренний зазор больше нормального. Конструкция повышенной мощности ULTAGE, симметричные ролики. Только цилиндрический роликовый подшипник, ролик и сепаратор.
Внутренний зазор больше С3. Конструкция повышенной мощности ULTAGE, симметричные ролики.
Внутренний зазор меньше нормального. Коническое отверстие (1:12 по диаметру). Конструкция повышенной мощности ULTAGE, симметричные ролики.
Один фиксирующий паз на торце наружного кольца. Внутренний зазор больше нормального. Коническое отверстие (1:12 по диаметру). Конструкция повышенной мощности ULTAGE, симметричные ролики.
Внутренний зазор меньше нормального. Конструкция повышенной мощности ULTAGE, симметричные ролики. Слепое отверстие для штифта в наружном кольце O.D. Опускается, если внутреннее кольцо не поставляется.
Внутренний зазор больше С3. Коническое отверстие (1:12 по диаметру). Конструкция повышенной мощности ULTAGE, симметричные ролики. Слепое отверстие для штифта в наружном кольце O.D. Опускается, если внутреннее кольцо не поставляется.
Внутренний зазор меньше С2. Конструкция повышенной мощности ULTAGE, симметричные ролики.
W31, W33, W94 и W45A (где это возможно). Внутренний зазор больше нормального. Конструкция повышенной мощности ULTAGE, симметричные ролики.
Внутренний зазор больше нормального. Коническое отверстие (1:12 по диаметру). Конструкция повышенной мощности ULTAGE, симметричные ролики.
Подшипник с шестью отверстиями для смазывания во внутреннем кольце. Внутренний зазор больше нормального. Конструкция повышенной мощности ULTAGE, симметричные ролики.
Внутренний зазор больше нормального. Конструкция повышенной мощности ULTAGE, симметричные ролики.
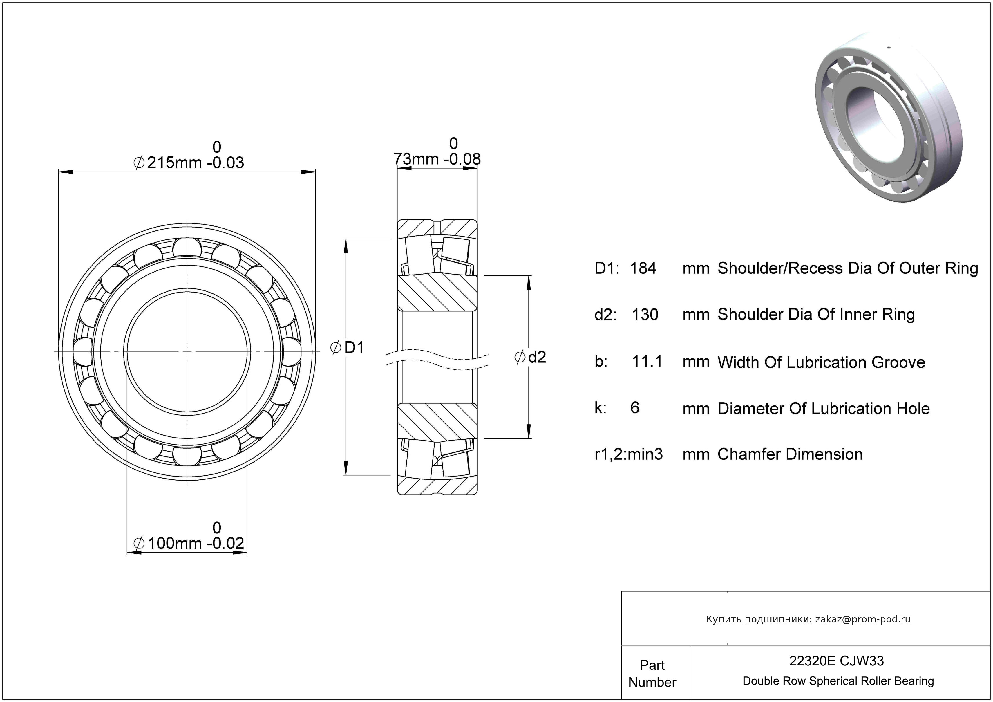
Для двухрядных цилиндрических роликоподшипников: канавка для смазки и отверстия для смазки в наружном кольце (зависит от размера подшипника: E, E1, E2, E3, E4). Для сферических роликоподшипников: канавка для смазки и отверстия для смазки в наружном кольце. Внутренний зазор больше нормального. Коническое отверстие (1:12 по диаметру). Специальный зазор. Двух- или трехзначное число после буквы С обозначает средний осевой зазор в мкм.
Внутренний зазор больше нормального. Радиальный зазор для цилиндрических роликоподшипников с невзаимозаменяемыми компонентами подшипника. Последующее число указывает на класс зазора (если зазор нормальный, число отсутствует).
Внутренний зазор больше нормального. Коническое отверстие (1:12 по диаметру). Специальный зазор. Двух- или трехзначное число после буквы С обозначает средний осевой зазор в мкм. Угол контакта 40 градусов для радиально-упорных типов.
Внутренний зазор больше нормального. Радиальный зазор для цилиндрических роликоподшипников с невзаимозаменяемыми компонентами подшипника. Последующее число указывает на класс зазора (если зазор нормальный, число отсутствует). Конструкция повышенной мощности ULTAGE, симметричные ролики. Только цилиндрический роликовый подшипник, ролик и сепаратор.
Для двухрядных цилиндрических роликоподшипников: канавка для смазки и отверстия для смазки в наружном кольце (зависит от размера подшипника: E, E1, E2, E3, E4). Для сферических роликоподшипников: канавка для смазки и отверстия для смазки в наружном кольце. Внутренний зазор больше нормального. Радиальный зазор для цилиндрических роликоподшипников с невзаимозаменяемыми компонентами подшипника. Последующее число указывает на класс зазора (если зазор нормальный, число отсутствует). Коническое отверстие (1:12 по диаметру).
Внутренний зазор больше нормального. Самоустанавливающийся роликоподшипник с измененной внутренней конструкцией, с сепаратором из стального листа.
Подшипник для вибромашин со штампованными стальными сепараторами с поверхностной закалкой. Для двухрядных цилиндрических роликоподшипников: канавка для смазки и отверстия для смазки в наружном кольце (зависит от размера подшипника: E, E1, E2, E3, E4). Для сферических роликоподшипников: канавка для смазки и отверстия для смазки в наружном кольце. Радиальный зазор для цилиндрических роликоподшипников с невзаимозаменяемыми компонентами подшипника. Последующее число указывает на класс зазора (если зазор нормальный, число отсутствует). Коническое отверстие (1:12 по диаметру).
Внутренний зазор больше нормального. Коническое отверстие (1:12 по диаметру). Специальный зазор. Двух- или трехзначное число после буквы С обозначает средний осевой зазор в мкм. Измененный размер вала - не взаимозаменяем.
Для двухрядных цилиндрических роликоподшипников: канавка для смазки и отверстия для смазки в наружном кольце (зависит от размера подшипника: E, E1, E2, E3, E4). Для сферических роликоподшипников: канавка для смазки и отверстия для смазки в наружном кольце. Внутренний зазор больше нормального. Коническое отверстие (1:12 по диаметру). Специальный зазор. Двух- или трехзначное число после буквы С обозначает средний осевой зазор в мкм.
Коническое отверстие (1:12 по диаметру). Специальный зазор. Двух- или трехзначное число после буквы С обозначает средний осевой зазор в мкм. Измененный размер вала - не взаимозаменяем.
Радиальные шариковые подшипники и незаменяемый зазор цилиндрических роликовых подшипников для электродвигателей. Конструкция повышенной мощности ULTAGE, симметричные ролики. Слепое отверстие для штифта в наружном кольце O.D. Опускается, если внутреннее кольцо не поставляется.
Специальный сепаратор, ролики и/или модифицированная внутренняя геометрия. Изготовлено из специальной марки стали.
Наружное кольцо с двумя бортиками, внутреннее кольцо с одним бортиком. Самоустанавливающийся роликоподшипник с измененной внутренней конструкцией, с сепаратором из стального листа. Конструкция повышенной мощности ULTAGE, симметричные ролики.
Наружное кольцо с двумя бортиками, внутреннее кольцо с одним бортиком. Радиальные шариковые подшипники и незаменяемый зазор цилиндрических роликовых подшипников для электродвигателей. Конструкция повышенной мощности ULTAGE, симметричные ролики.
Наружное кольцо с двумя бортиками, внутреннее кольцо с одним бортиком. Радиальные шариковые подшипники и незаменяемый зазор цилиндрических роликовых подшипников для электродвигателей. Конструкция повышенной мощности ULTAGE, симметричные ролики. Малошумный.
Наружное кольцо с двумя бортиками, внутреннее кольцо с одним бортиком. Оптимизированная внутренняя конструкция предусматривает увеличенное количество роликов и/или ролики большего размера с улучшенными условиями контакта торцов роликов с бортами внутреннего кольца. Уплотнение с одной стороны.
Наружное кольцо с двумя бортиками, внутреннее кольцо без бортиков. Самоустанавливающийся роликоподшипник с измененной внутренней конструкцией, с сепаратором из стального листа. Конструкция повышенной мощности ULTAGE, симметричные ролики.
Наружное кольцо с двумя бортиками, внутреннее кольцо без бортиков. Радиальные шариковые подшипники и незаменяемый зазор цилиндрических роликовых подшипников для электродвигателей. Конструкция повышенной мощности ULTAGE, симметричные ролики.
Наружное кольцо с двумя бортиками, внутреннее кольцо без бортиков. Радиальные шариковые подшипники и незаменяемый зазор цилиндрических роликовых подшипников для электродвигателей. Конструкция повышенной мощности ULTAGE, симметричные ролики. Малошумный.
Наружное кольцо с двумя бортиками, внутреннее кольцо без бортиков. Оптимизированная внутренняя конструкция предусматривает увеличенное количество роликов и/или ролики большего размера с улучшенными условиями контакта торцов роликов с бортами внутреннего кольца. Уплотнение с одной стороны.
Наружное кольцо с двумя бортиками, внутреннее кольцо с одним бортиком и свободным кольцом. Самоустанавливающийся роликоподшипник с измененной внутренней конструкцией, с сепаратором из стального листа. Конструкция повышенной мощности ULTAGE, симметричные ролики.
Наружное кольцо с двумя бортиками, внутреннее кольцо с одним бортиком и свободным кольцом. Радиальные шариковые подшипники и незаменяемый зазор цилиндрических роликовых подшипников для электродвигателей. Конструкция повышенной мощности ULTAGE, симметричные ролики. Малошумный.
| Товар / Аналог | Тип | Расшифровка / Описание |
|---|---|---|
| NUH 2320 ECMH | Цилиндрический роликовый подшипник | Радиальные шариковые подшипники и незаменяемый зазор цилиндрических роликовых подшипников для электродвигателей. Конструкция повышенной мощности ULTAGE, симметричные ролики. Слепое отверстие для штифта в наружном кольце O.D. Опускается, если внутреннее кольцо не поставляется. |
| NJG 2320 VH | Цилиндрический роликовый подшипник | Специальный сепаратор, ролики и/или модифицированная внутренняя геометрия. Изготовлено из специальной марки стали. |
| NJ 2320 ECJ | Цилиндрический роликовый подшипник | Наружное кольцо с двумя бортиками, внутреннее кольцо с одним бортиком. Самоустанавливающийся роликоподшипник с измененной внутренней конструкцией, с сепаратором из стального листа. Конструкция повышенной мощности ULTAGE, симметричные ролики. |
| NJ 2320 ECM | Цилиндрический роликовый подшипник | Наружное кольцо с двумя бортиками, внутреннее кольцо с одним бортиком. Радиальные шариковые подшипники и незаменяемый зазор цилиндрических роликовых подшипников для электродвигателей. Конструкция повышенной мощности ULTAGE, симметричные ролики. |
| NJ 2320 ECML | Цилиндрический роликовый подшипник | Наружное кольцо с двумя бортиками, внутреннее кольцо с одним бортиком. Радиальные шариковые подшипники и незаменяемый зазор цилиндрических роликовых подшипников для электродвигателей. Конструкция повышенной мощности ULTAGE, симметричные ролики. Малошумный. |
| NJ 2320 ECP | Цилиндрический роликовый подшипник | Наружное кольцо с двумя бортиками, внутреннее кольцо с одним бортиком. Оптимизированная внутренняя конструкция предусматривает увеличенное количество роликов и/или ролики большего размера с улучшенными условиями контакта торцов роликов с бортами внутреннего кольца. Уплотнение с одной стороны. |
| NU 2320 ECJ | Цилиндрический роликовый подшипник | Наружное кольцо с двумя бортиками, внутреннее кольцо без бортиков. Самоустанавливающийся роликоподшипник с измененной внутренней конструкцией, с сепаратором из стального листа. Конструкция повышенной мощности ULTAGE, симметричные ролики. |
| NU 2320 ECM | Цилиндрический роликовый подшипник | Наружное кольцо с двумя бортиками, внутреннее кольцо без бортиков. Радиальные шариковые подшипники и незаменяемый зазор цилиндрических роликовых подшипников для электродвигателей. Конструкция повышенной мощности ULTAGE, симметричные ролики. |
| NU 2320 ECML | Цилиндрический роликовый подшипник | Наружное кольцо с двумя бортиками, внутреннее кольцо без бортиков. Радиальные шариковые подшипники и незаменяемый зазор цилиндрических роликовых подшипников для электродвигателей. Конструкция повышенной мощности ULTAGE, симметричные ролики. Малошумный. |
| NU 2320 ECP | Цилиндрический роликовый подшипник | Наружное кольцо с двумя бортиками, внутреннее кольцо без бортиков. Оптимизированная внутренняя конструкция предусматривает увеличенное количество роликов и/или ролики большего размера с улучшенными условиями контакта торцов роликов с бортами внутреннего кольца. Уплотнение с одной стороны. |
| NUP 2320 ECJ | Цилиндрический роликовый подшипник | Наружное кольцо с двумя бортиками, внутреннее кольцо с одним бортиком и свободным кольцом. Самоустанавливающийся роликоподшипник с измененной внутренней конструкцией, с сепаратором из стального листа. Конструкция повышенной мощности ULTAGE, симметричные ролики. |
| NUP 2320 ECML | Цилиндрический роликовый подшипник | Наружное кольцо с двумя бортиками, внутреннее кольцо с одним бортиком и свободным кольцом. Радиальные шариковые подшипники и незаменяемый зазор цилиндрических роликовых подшипников для электродвигателей. Конструкция повышенной мощности ULTAGE, симметричные ролики. Малошумный. |
Безусловно! Наши инженеры помогут найти идентичную замену или подобрать более износостойкий аналог. Свяжитесь с нами по телефону +7 (499) 229-40-33 или отправьте запрос на zakaz@prom-pod.ru.
Чтобы ускорить процесс, укажите маркировку с кольца подшипника, его размеры (d x D x B) или модель оборудования.
Да, для оптовых и постоянных партнеров мы предлагаем индивидуальный прайс-лист. Мы ценим долгосрочное сотрудничество и предоставляем гибкие условия.
Размер скидки фиксируется персонально и зависит от:
Для получения коммерческого предложения с учетом вашей скидки напишите на почту zakaz@prom-pod.ru.
Выберите наиболее удобный для вас вариант:
Для корпоративных клиентов у нас выделен отдельный отдел сопровождения. Позвоните по номеру +7 (499) 229-40-33 или пришлите реквизиты компании на email zakaz@prom-pod.ru.
Мы подготовим счет и полный пакет закрывающих документов в кратчайшие сроки.
Возврат изделий надлежащего качества возможен в течение 10 дней. Важно сохранить заводскую упаковку, товарный вид и отсутствие следов установки (монтажа).
Средства возвращаются в течение 10 рабочих дней после приемки и проверки товара на нашем складе.
Согласно регламенту, мы не принимаем к возврату подшипники со вскрытой упаковкой или явными признаками эксплуатации.
При этом мы полностью несем гарантийные обязательства: в случае обнаружения заводского брака производится оперативная замена или возврат средств.
Стандартный гарантийный срок хранения составляет 2 года. Чтобы подшипник сохранил свои свойства, важно держать его в сухом месте, в заводской упаковке и штатной консервационной смазке.
По конкретным сериям продукции точную информацию всегда подскажут наши менеджеры.
Мы на связи в будние дни с 8:00 до 17:00 (по Москве). Суббота и воскресенье — выходные.
Онлайн-заявки через сайт можно оставлять 24/7. Мы обработаем их в приоритетном порядке сразу в начале следующего рабочего дня.
Для оформления доставки минимальный порог составляет 3000 рублей. Если вы планируете забрать товар самовывозом, сумма заказа может быть любой (при условии наличия позиции на складе).
Еще никто не писал отзывов. Напишите первым!
Поговорите с экспертом нашей компании, за несколько минут он поможет вам не ошибиться в выборе, примет заказ в телефонном режиме и организуют оперативную доставку.
Получите бесплатную консультацию эксперта прямо сейчас!

Компания Prom-Pod.ru
Москва, Россия
Контакты: +7 499 229–40–33
zakaz@prom-pod.ru, prom-pod@mail.ru