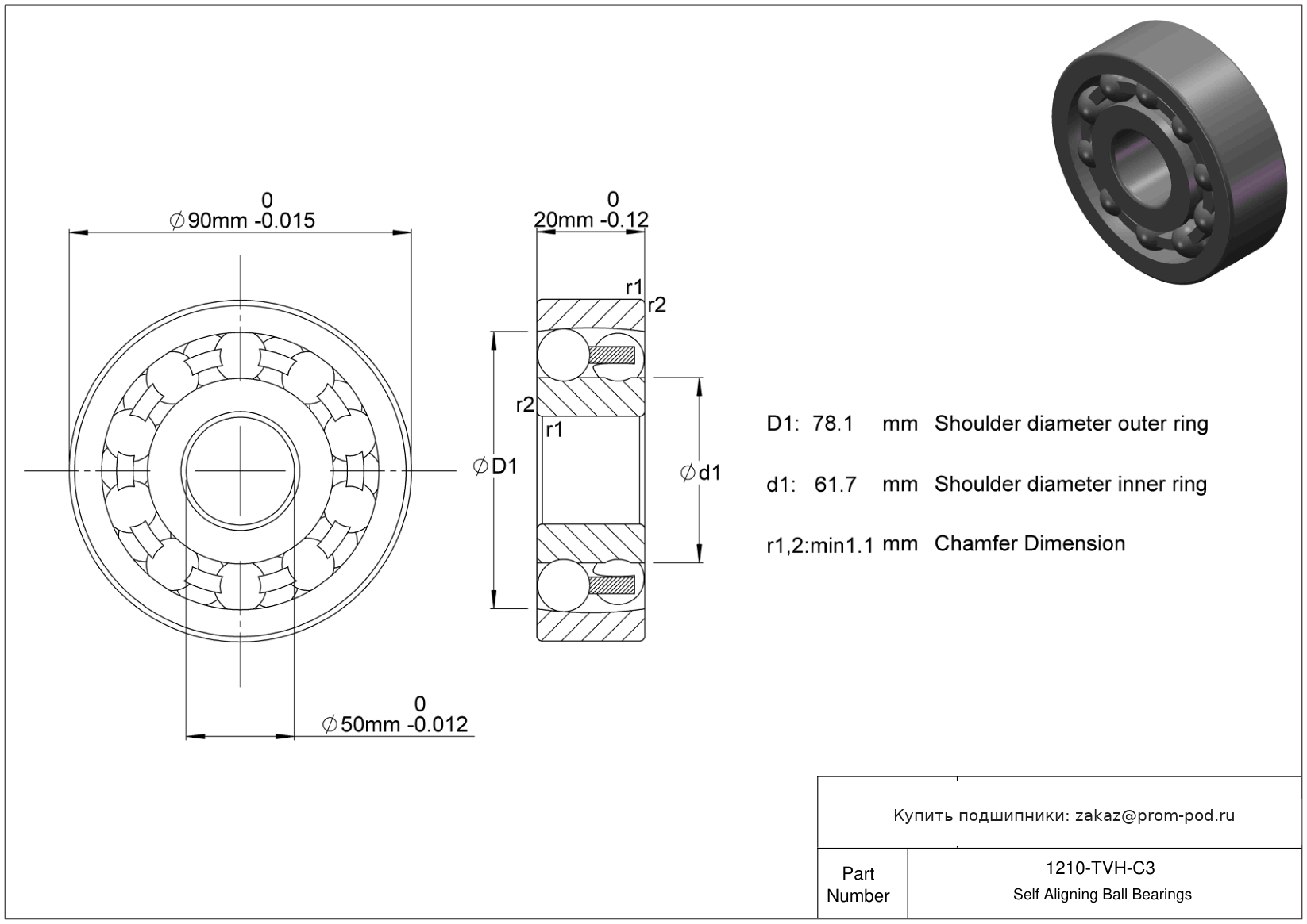
1210-TVH-C3
В наличии
Будет доступен:
Цена на подшипник 1210-TVH-C3 является расчетной и зависит от следующих факторов:
Для уточнения актуальной цены и наличия:
Сепаратор из полиамида, армированного стекловолокном. Упорный шариковый подшипник без упорного кольца.
Сепаратор из полиамида, армированного стекловолокном. Самоустанавливающийся шарикоподшипник с более высокой грузоподъемностью по сравнению с оригинальной конструкцией.
Шарики и кольца из материала AISI 440C. Сепаратор из полиамида, армированного стекловолокном. Упорный шариковый подшипник без упорного кольца.
Шарики и кольца из материала AISI 440C. Сепаратор из полиамида, армированного стекловолокном. Самоустанавливающийся шарикоподшипник с более высокой грузоподъемностью по сравнению с оригинальной конструкцией.
Для двухрядных радиально-упорных шарикоподшипников: подшипник с защитной шайбой, без канавки на внутреннем кольце.
Очищенная монтажная шайба, комплект с подшипником. Тип-выжимные подшипники.
Внешнее самоцентрирование. Сепаратор расположен на внутреннем кольце.
Сепаратор: Сепаратор из стеклонаполненного полиамида (PA66), защелкивающийся сепаратор, с центрированием по телам качения. Внутренний зазор больше нормального. Двухрядный радиально-упорный подшипник со слотом для ввода шариков, стандартная ширина и сходящиеся внутрь углы контакта, нежесткая конструкция.
Сепаратор: Сепаратор из стеклонаполненного полиамида (PA66), защелкивающийся сепаратор, с центрированием по телам качения. Двухрядный радиально-упорный подшипник со слотом для ввода шариков, стандартная ширина и сходящиеся внутрь углы контакта, нежесткая конструкция.
Сепаратор: Сепаратор из стеклонаполненного полиамида (PA66), защелкивающийся сепаратор, с центрированием по телам качения.
Сепаратор из полиамида, армированного стекловолокном. Внутренний зазор больше нормального. Упорный шариковый подшипник без упорного кольца.
Сепаратор из полиамида, армированного стекловолокном. Внутренний зазор больше нормального. Самоустанавливающийся шарикоподшипник с более высокой грузоподъемностью по сравнению с оригинальной конструкцией.
Сепаратор из полиамида, армированного стекловолокном. Самоустанавливающийся шарикоподшипник с более высокой грузоподъемностью по сравнению с оригинальной конструкцией. Максимальная грузоподьемность, слот для ввода шариков.
Внутренний зазор больше нормального. Двухрядный радиально-упорный подшипник со слотом для ввода шариков, стандартная ширина и сходящиеся внутрь углы контакта, нежесткая конструкция. Стальные фиксаторы.
Двухрядный радиально-упорный подшипник со слотом для ввода шариков, стандартная ширина и сходящиеся внутрь углы контакта, нежесткая конструкция.
Внутренний зазор больше нормального. Двухрядный радиально-упорный подшипник со слотом для ввода шариков, стандартная ширина и сходящиеся внутрь углы контакта, нежесткая конструкция.
Внутренний зазор больше нормального. Полиамидный сепаратор. Двухрядный радиально-упорный подшипник со слотом для ввода шариков, стандартная ширина и сходящиеся внутрь углы контакта, нежесткая конструкция.
Внутренний зазор больше нормального.
Двухрядный радиально-упорный подшипник со слотом для ввода шариков, стандартная ширина и сходящиеся внутрь углы контакта, нежесткая конструкция.
Внутренний зазор больше нормального. Двухрядный радиально-упорный подшипник со слотом для ввода шариков, стандартная ширина и сходящиеся внутрь углы контакта, нежесткая конструкция.
Внутренний зазор больше нормального. Полиамидный сепаратор.
Двухрядный радиально-упорный подшипник со слотом для ввода шариков, стандартная ширина и сходящиеся внутрь углы контакта, нежесткая конструкция. Стальные фиксаторы.
Полиамидный сепаратор. Двухрядный радиально-упорный подшипник со слотом для ввода шариков, стандартная ширина и сходящиеся внутрь углы контакта, нежесткая конструкция.
Полиамидный сепаратор.
Двухрядный радиально-упорный шарикоподшипник без слота для ввода шариков, со сходящимися наружу углами контакта, жесткая конструкция.
Стальные фиксаторы.
Внутренний зазор больше нормального.
Двухрядный радиально-упорный подшипник со слотом для ввода шариков, стандартная ширина и сходящиеся внутрь углы контакта, нежесткая конструкция. Двухрядный радиально-упорный шарикоподшипник без слота для ввода шариков, со сходящимися наружу углами контакта, жесткая конструкция.
Уплотнение с обеих сторон, NBR.
Внешнее самоцентрирование. Уровень предварительной нагрузки: тяжелый. Штампованный латунный сепаратор. Угол контакта α=40.
Внутренний зазор больше нормального.
Дорожки качения/Шарики: AISI 52100 сталь. Без уплотнений и защитных шайб. Специальные внутренние, внешние углы колец, стопорный хомут на задних типах колес.
Дорожки качения/Шарики: AISI 52100 сталь. Без уплотнений и защитных шайб. Пара подшипников со специальным преднатягом, цифры указывают на среднее значение преднатяга в мкм.
Дорожки качения/Шарики: AISI 52100 сталь. Без уплотнений и защитных шайб. Одно уплотнение. Для упорных шарикоподшипников: наружный диаметр шайбы вала меньше, чем шайбы корпуса.
Специальные однорядные шарикоподшипники. Внутренний зазор больше С3.
Подшипники для высоких рабочих температур. Смещённое поле зазора охватывает верхнюю половину поля C3 и нижнюю половину поля C4. Массивные латунные сепараторы. Внутренний зазор больше С4.
Шариковый однорядный подшипник с четырехточечным углом контакта. Угол контакта 25 градусов. Обрабатываемый бронзовый сепаратор для самоустанавливающихся шарикоподшипников.
Двухрядный радиально-упорный подшипник со слотом для ввода шариков, стандартная ширина и сходящиеся внутрь углы контакта, нежесткая конструкция.
K+D. Тип Conrad, без паза для ввода шариков. Одна защитная шайба.
K+DD. Тип Conrad, без паза для ввода шариков. Две защитные шайбы.
K+DD. Тип Conrad, без паза для ввода шариков. Две защитные шайбы. Обозначение типа смазки.
Обозначение типа смазки. Двухрядный радиально-упорный подшипник со слотом для ввода шариков, стандартная ширина и сходящиеся внутрь углы контакта, нежесткая конструкция.
Одно уплотнение.
Уплотнение с двух сторон.
Максимальная грузоподьемность, слот для ввода шариков.
Узел плавающих подшипников. Два уплотнителя из синтетического каучука.
Узел плавающих подшипников.
Узел плавающих подшипников. Подшипник с защитной шайбой с одной стороны.
| Товар / Аналог | Тип | Расшифровка / Описание |
|---|---|---|
| SS7210 2RS | Радиально-упорный шариковый подшипник | Уплотнение с обеих сторон, NBR. |
| 210S-HYB#1 | Шариковый подшипник | Внешнее самоцентрирование. Уровень предварительной нагрузки: тяжелый. Штампованный латунный сепаратор. Угол контакта α=40. |
| 210/C3 | Шариковый подшипник | Внутренний зазор больше нормального. |
| K05020AR0 | Шариковый подшипник | Дорожки качения/Шарики: AISI 52100 сталь. Без уплотнений и защитных шайб. Специальные внутренние, внешние углы колец, стопорный хомут на задних типах колес. |
| K05020CP0 | Шариковый подшипник | Дорожки качения/Шарики: AISI 52100 сталь. Без уплотнений и защитных шайб. Пара подшипников со специальным преднатягом, цифры указывают на среднее значение преднатяга в мкм. |
| K05020XP0 | Шариковый подшипник | Дорожки качения/Шарики: AISI 52100 сталь. Без уплотнений и защитных шайб. Одно уплотнение. Для упорных шарикоподшипников: наружный диаметр шайбы вала меньше, чем шайбы корпуса. |
| SC1084C4 | Шариковый подшипник | Специальные однорядные шарикоподшипники. Внутренний зазор больше С3. |
| TS2-6210L1CC3P5 | Шариковый подшипник | Подшипники для высоких рабочих температур. Смещённое поле зазора охватывает верхнюю половину поля C3 и нижнюю половину поля C4. Массивные латунные сепараторы. Внутренний зазор больше С4. |
| QJ 210 MA | Радиально-упорный шариковый подшипник | Шариковый однорядный подшипник с четырехточечным углом контакта. Угол контакта 25 градусов. Обрабатываемый бронзовый сепаратор для самоустанавливающихся шарикоподшипников. |
| 210K | Шариковый подшипник | Двухрядный радиально-упорный подшипник со слотом для ввода шариков, стандартная ширина и сходящиеся внутрь углы контакта, нежесткая конструкция. |
| 210KD | Шариковый подшипник | K+D. Тип Conrad, без паза для ввода шариков. Одна защитная шайба. |
| 210KDD | Шариковый подшипник | K+DD. Тип Conrad, без паза для ввода шариков. Две защитные шайбы. |
| 210KDDG | Шариковый подшипник | K+DD. Тип Conrad, без паза для ввода шариков. Две защитные шайбы. Обозначение типа смазки. |
| 210KG | Шариковый подшипник | Обозначение типа смазки. Двухрядный радиально-упорный подшипник со слотом для ввода шариков, стандартная ширина и сходящиеся внутрь углы контакта, нежесткая конструкция. |
| 210P | Шариковый подшипник | Одно уплотнение. |
| 210PP | Шариковый подшипник | Уплотнение с двух сторон. |
| 210W | Шариковый подшипник | Максимальная грузоподьемность, слот для ввода шариков. |
| BL210ZZ | Шариковый подшипник | Узел плавающих подшипников. Два уплотнителя из синтетического каучука. |
| BL210 | Шариковый подшипник | Узел плавающих подшипников. |
| BL210Z | Шариковый подшипник | Узел плавающих подшипников. Подшипник с защитной шайбой с одной стороны. |
Безусловно! Наши инженеры помогут найти идентичную замену или подобрать более износостойкий аналог. Свяжитесь с нами по телефону +7 (499) 229-40-33 или отправьте запрос на zakaz@prom-pod.ru.
Чтобы ускорить процесс, укажите маркировку с кольца подшипника, его размеры (d x D x B) или модель оборудования.
Да, для оптовых и постоянных партнеров мы предлагаем индивидуальный прайс-лист. Мы ценим долгосрочное сотрудничество и предоставляем гибкие условия.
Размер скидки фиксируется персонально и зависит от:
Для получения коммерческого предложения с учетом вашей скидки напишите на почту zakaz@prom-pod.ru.
Выберите наиболее удобный для вас вариант:
Для корпоративных клиентов у нас выделен отдельный отдел сопровождения. Позвоните по номеру +7 (499) 229-40-33 или пришлите реквизиты компании на email zakaz@prom-pod.ru.
Мы подготовим счет и полный пакет закрывающих документов в кратчайшие сроки.
Возврат изделий надлежащего качества возможен в течение 10 дней. Важно сохранить заводскую упаковку, товарный вид и отсутствие следов установки (монтажа).
Средства возвращаются в течение 10 рабочих дней после приемки и проверки товара на нашем складе.
Согласно регламенту, мы не принимаем к возврату подшипники со вскрытой упаковкой или явными признаками эксплуатации.
При этом мы полностью несем гарантийные обязательства: в случае обнаружения заводского брака производится оперативная замена или возврат средств.
Стандартный гарантийный срок хранения составляет 2 года. Чтобы подшипник сохранил свои свойства, важно держать его в сухом месте, в заводской упаковке и штатной консервационной смазке.
По конкретным сериям продукции точную информацию всегда подскажут наши менеджеры.
Мы на связи в будние дни с 8:00 до 17:00 (по Москве). Суббота и воскресенье — выходные.
Онлайн-заявки через сайт можно оставлять 24/7. Мы обработаем их в приоритетном порядке сразу в начале следующего рабочего дня.
Для оформления доставки минимальный порог составляет 3000 рублей. Если вы планируете забрать товар самовывозом, сумма заказа может быть любой (при условии наличия позиции на складе).
Еще никто не писал отзывов. Напишите первым!
Поговорите с экспертом нашей компании, за несколько минут он поможет вам не ошибиться в выборе, примет заказ в телефонном режиме и организуют оперативную доставку.
Получите бесплатную консультацию эксперта прямо сейчас!

Компания Prom-Pod.ru
Москва, Россия
Контакты: +7 499 229–40–33
zakaz@prom-pod.ru, prom-pod@mail.ru