1202 C/3
В наличии
Будет доступен:
Цена на подшипник 1202 C/3 является расчетной и зависит от следующих факторов:
Для уточнения актуальной цены и наличия:
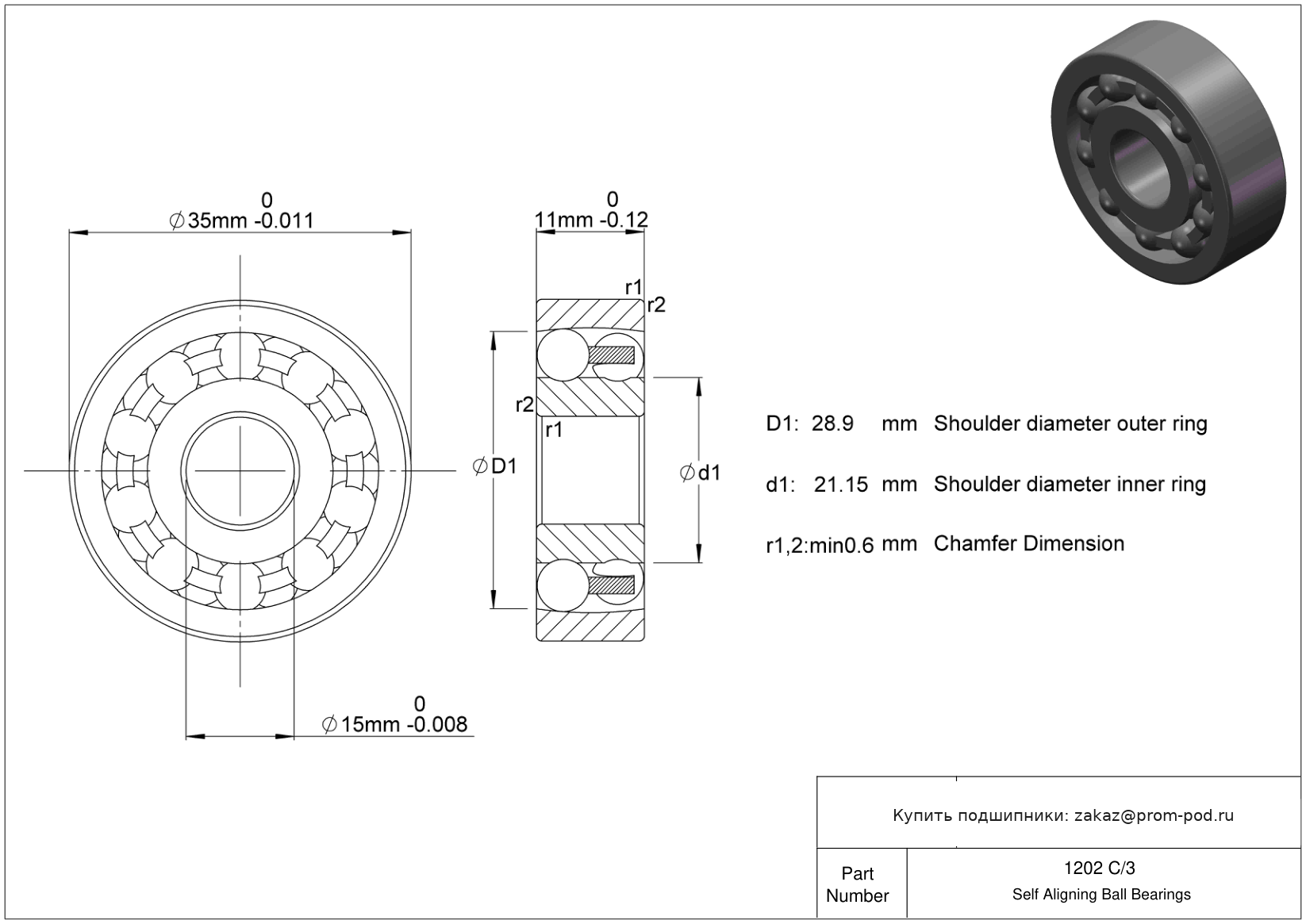
Сепаратор из полиамида, армированного стекловолокном. Самоустанавливающийся шарикоподшипник с более высокой грузоподъемностью по сравнению с оригинальной конструкцией.
Шарики и кольца из материала AISI 440C. Сепаратор из полиамида, армированного стекловолокном. Самоустанавливающийся шарикоподшипник с более высокой грузоподъемностью по сравнению с оригинальной конструкцией.
Для двухрядных радиально-упорных шарикоподшипников: подшипник с защитной шайбой, без канавки на внутреннем кольце.
Внешнее самоцентрирование. Сепаратор расположен на внутреннем кольце.
Очищенная монтажная шайба, комплект с подшипником. Тип-выжимные подшипники.
Сепаратор: Сепаратор из стеклонаполненного полиамида (PA66), защелкивающийся сепаратор, с центрированием по телам качения.
Сепаратор: Сепаратор из стеклонаполненного полиамида (PA66), защелкивающийся сепаратор, с центрированием по телам качения. Внутренний зазор больше нормального.
Сепаратор из полиамида, армированного стекловолокном. Самоустанавливающийся шарикоподшипник с более высокой грузоподъемностью по сравнению с оригинальной конструкцией. Максимальная грузоподьемность, слот для ввода шариков.
Отверстие для смазки H1 в наружном кольце и уплотнительные кольца/пазы.
Полиамидный сепаратор.
Одно уплотнение.
Внутренний зазор больше нормального.
Сепаратор из полиамида, армированного стекловолокном. Внутренний зазор больше нормального. Самоустанавливающийся шарикоподшипник с более высокой грузоподъемностью по сравнению с оригинальной конструкцией.
Сепаратор из полиамида, армированного стекловолокном. Внутренний зазор меньше нормального. Самоустанавливающийся шарикоподшипник с более высокой грузоподъемностью по сравнению с оригинальной конструкцией.
Внутренний зазор больше нормального. Полиамидный сепаратор.
Двухрядный радиально-упорный подшипник со слотом для ввода шариков, стандартная ширина и сходящиеся внутрь углы контакта, нежесткая конструкция.
Уплотнение с обеих сторон, NBR.
Подшипник типа ICOS.
K+DD. Тип Conrad, без паза для ввода шариков. Две защитные шайбы. Обозначение типа смазки.
Обозначение типа смазки. Двухрядный радиально-упорный подшипник со слотом для ввода шариков, стандартная ширина и сходящиеся внутрь углы контакта, нежесткая конструкция.
K+D. Тип Conrad, без паза для ввода шариков. Одна защитная шайба.
K+DD. Тип Conrad, без паза для ввода шариков. Две защитные шайбы.
Одно уплотнение.
Уплотнение с двух сторон.
Два уплотнения Mechani-Seals, взаимозаменяемые с серией RR, но имеющие бесконтактные лабиринтные уплотнения и стальные сепараторы для работы при низких крутящих моментах, высоких скоростях и высоких температурах. (До 350°F/176°C). Одно механическое уплотнение. Одно уплотнение.
Специальная сталь с термообработкой для более длительного срока службы.
Специальная сталь с термообработкой для более длительного срока службы. Сепаратор состоящий из двух плоских штампованных колец, центрируемый по шарикам.
Специальная сталь с термообработкой для более длительного срока службы. Внутренний зазор больше нормального. Подшипник с защитной шайбой с одной стороны.
Корпус картридж, стальной корпус. Стандартное контактное нитрильное уплотнение с двух сторон подшипника (от -20 до +120°C).
Угол контакта 25 градусов. Специальный радиальный зазор, цифры указывают на среднее значение класса зазора в мкм.
Специальный радиальный зазор, цифры указывают на среднее значение класса зазора в мкм. Сходящийся наружу угол контакта со слотом для ввода шариков серии 5000. Жесткая конструкция.
Тип смазки: AEROSHELL *5 - (MIL-G-63545). Уплотнения с двух сторон (для серии KH). Двухрядный радиально-упорный шарикоподшипник без слота для ввода шариков, со сходящимися наружу углами контакта, жесткая конструкция.
Уплотнения с двух сторон (для серии KH). Угол контакта 25 градусов. Специальный радиальный зазор, цифры указывают на среднее значение класса зазора в мкм.
Шариковый однорядный подшипник с четырехточечным углом контакта. Подшипник с двумя фиксирующими пазами и латунным сепаратором. Угол контакта 25 градусов.
Комплект из пяти подшипников для универсального монтажа. Одно уплотнение.
Шарики и кольца из материала AISI 440C.
| Товар / Аналог | Тип | Расшифровка / Описание |
|---|---|---|
| SS7202 2RS | Радиально-упорный шариковый подшипник | Уплотнение с обеих сторон, NBR. |
| ICOS-D1B02 TN9 | Шариковый подшипник | Подшипник типа ICOS. |
| 202KDDG | Шариковый подшипник | K+DD. Тип Conrad, без паза для ввода шариков. Две защитные шайбы. Обозначение типа смазки. |
| 202KG | Шариковый подшипник | Обозначение типа смазки. Двухрядный радиально-упорный подшипник со слотом для ввода шариков, стандартная ширина и сходящиеся внутрь углы контакта, нежесткая конструкция. |
| 202KD | Шариковый подшипник | K+D. Тип Conrad, без паза для ввода шариков. Одна защитная шайба. |
| 202KDD | Шариковый подшипник | K+DD. Тип Conrad, без паза для ввода шариков. Две защитные шайбы. |
| 202P | Шариковый подшипник | Одно уплотнение. |
| 202PP | Шариковый подшипник | Уплотнение с двух сторон. |
| SSN202LL/LP03 | Шариковый подшипник | Два уплотнения Mechani-Seals, взаимозаменяемые с серией RR, но имеющие бесконтактные лабиринтные уплотнения и стальные сепараторы для работы при низких крутящих моментах, высоких скоростях и высоких температурах. (До 350°F/176°C). Одно механическое уплотнение. Одно уплотнение. |
| TMB202 | Шариковый подшипник | Специальная сталь с термообработкой для более длительного срока службы. |
| TMB202JR | Шариковый подшипник | Специальная сталь с термообработкой для более длительного срока службы. Сепаратор состоящий из двух плоских штампованных колец, центрируемый по шарикам. |
| TMB202ZC3 | Шариковый подшипник | Специальная сталь с термообработкой для более длительного срока службы. Внутренний зазор больше нормального. Подшипник с защитной шайбой с одной стороны. |
| CS202LLU | Шариковый подшипник | Корпус картридж, стальной корпус. Стандартное контактное нитрильное уплотнение с двух сторон подшипника (от -20 до +120°C). |
| BSA 202 CGA | Радиально-упорный шариковый подшипник | Угол контакта 25 градусов. Специальный радиальный зазор, цифры указывают на среднее значение класса зазора в мкм. |
| BSA 202 CGB | Радиально-упорный шариковый подшипник | Специальный радиальный зазор, цифры указывают на среднее значение класса зазора в мкм. Сходящийся наружу угол контакта со слотом для ввода шариков серии 5000. Жесткая конструкция. |
| BSA 202 CG23-2RZ | Радиально-упорный шариковый подшипник | Тип смазки: AEROSHELL *5 - (MIL-G-63545). Уплотнения с двух сторон (для серии KH). Двухрядный радиально-упорный шарикоподшипник без слота для ввода шариков, со сходящимися наружу углами контакта, жесткая конструкция. |
| BSA 202 CGA-2RZ | Радиально-упорный шариковый подшипник | Уплотнения с двух сторон (для серии KH). Угол контакта 25 градусов. Специальный радиальный зазор, цифры указывают на среднее значение класса зазора в мкм. |
| QJ 202 N2MA | Радиально-упорный шариковый подшипник | Шариковый однорядный подшипник с четырехточечным углом контакта. Подшипник с двумя фиксирующими пазами и латунным сепаратором. Угол контакта 25 градусов. |
| 202PPG | Шариковый подшипник | Комплект из пяти подшипников для универсального монтажа. Одно уплотнение. |
| S6202 | Шариковый подшипник | Шарики и кольца из материала AISI 440C. |
Безусловно! Наши инженеры помогут найти идентичную замену или подобрать более износостойкий аналог. Свяжитесь с нами по телефону +7 (499) 229-40-33 или отправьте запрос на zakaz@prom-pod.ru.
Чтобы ускорить процесс, укажите маркировку с кольца подшипника, его размеры (d x D x B) или модель оборудования.
Да, для оптовых и постоянных партнеров мы предлагаем индивидуальный прайс-лист. Мы ценим долгосрочное сотрудничество и предоставляем гибкие условия.
Размер скидки фиксируется персонально и зависит от:
Для получения коммерческого предложения с учетом вашей скидки напишите на почту zakaz@prom-pod.ru.
Выберите наиболее удобный для вас вариант:
Для корпоративных клиентов у нас выделен отдельный отдел сопровождения. Позвоните по номеру +7 (499) 229-40-33 или пришлите реквизиты компании на email zakaz@prom-pod.ru.
Мы подготовим счет и полный пакет закрывающих документов в кратчайшие сроки.
Возврат изделий надлежащего качества возможен в течение 10 дней. Важно сохранить заводскую упаковку, товарный вид и отсутствие следов установки (монтажа).
Средства возвращаются в течение 10 рабочих дней после приемки и проверки товара на нашем складе.
Согласно регламенту, мы не принимаем к возврату подшипники со вскрытой упаковкой или явными признаками эксплуатации.
При этом мы полностью несем гарантийные обязательства: в случае обнаружения заводского брака производится оперативная замена или возврат средств.
Стандартный гарантийный срок хранения составляет 2 года. Чтобы подшипник сохранил свои свойства, важно держать его в сухом месте, в заводской упаковке и штатной консервационной смазке.
По конкретным сериям продукции точную информацию всегда подскажут наши менеджеры.
Мы на связи в будние дни с 8:00 до 17:00 (по Москве). Суббота и воскресенье — выходные.
Онлайн-заявки через сайт можно оставлять 24/7. Мы обработаем их в приоритетном порядке сразу в начале следующего рабочего дня.
Для оформления доставки минимальный порог составляет 3000 рублей. Если вы планируете забрать товар самовывозом, сумма заказа может быть любой (при условии наличия позиции на складе).
Еще никто не писал отзывов. Напишите первым!
Поговорите с экспертом нашей компании, за несколько минут он поможет вам не ошибиться в выборе, примет заказ в телефонном режиме и организуют оперативную доставку.
Получите бесплатную консультацию эксперта прямо сейчас!

Компания Prom-Pod.ru
Москва, Россия
Контакты: +7 499 229–40–33
zakaz@prom-pod.ru, prom-pod@mail.ru