CE7315SC
В наличии
Будет доступен:
Цена на подшипник CE7315SC является расчетной и зависит от следующих факторов:
Для уточнения актуальной цены и наличия:
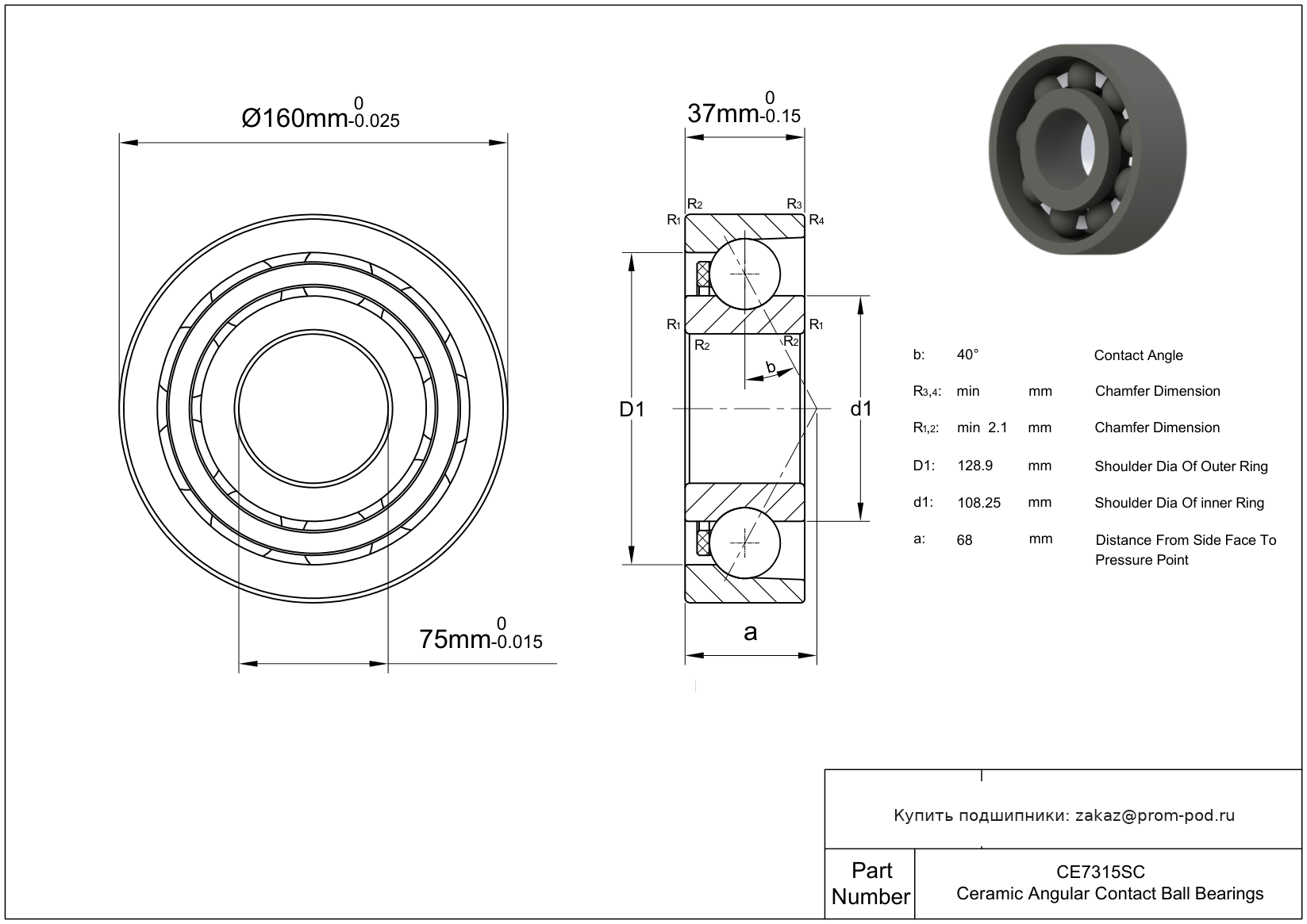
B + E+ CB + J. Угол контакта α=40. Оптимизированная внутренняя конструкция. Подшипник для универсального монтажа. Два подшипника, установленные по О-образной или Х-образной схеме, имеют нормальный осевой внутренний зазор. Штампованный стальной сепаратор, центрируемый по шарикам.
B + E + CB + M. Угол контакта α=40. Оптимизированная внутренняя конструкция. Подшипник для универсального монтажа. Два подшипника, установленные по О-образной или Х-образной схеме, имеют нормальный осевой внутренний зазор. Механически обработанный латунный сепаратор, центрируемый по шарикам. Разные конструкции обозначаются цифрой после буквы М, например, М2.
B + E + CB + P. B + E + CB + M. Угол контакта α=40. Оптимизированная внутренняя конструкция. Подшипник для универсального монтажа. Два подшипника, установленные по О-образной или Х-образной схеме, имеют нормальный осевой внутренний зазор. Сепаратор из стеклонаполненного полиамида PA66, центрируемый по шарикам.
Регулируемый осевой внутренний зазор. Контактный угол α=40, усиленная внутренняя конструкция. Штампованный латунный сепаратор.
Угол контакта 25 градусов. Контактный угол α=40, усиленная внутренняя конструкция. Средний преднатяг.
B + E + GA + P. Угол контакта α=40. Оптимизированная внутренняя конструкция. Подшипник для универсального монтажа. Два подшипника, установленные по О-образной или Х-образной схеме, имеют лёгкий преднатяг. Сепаратор из стеклонаполненного полиамида PA66, центрируемый по шарикам.
B + E + P. Угол контакта α=40. Оптимизированная внутренняя конструкция. Сепаратор из стеклонаполненного полиамида PA66, центрируемый по шарикам.
B + E + GA + P. Угол контакта α=40. Оптимизированная внутренняя конструкция. Подшипник для универсального монтажа. Два подшипника, установленные по О-образной или Х-образной схеме, имеют лёгкий преднатяг. Сепаратор из стеклонаполненного полиамида PA66, центрируемый по шарикам. Плавающие лабиринтные уплотнения.
Удлиненное внутреннее кольцо, вставка из нержавеющей стали, литые манжетные уплотнения.
Для двухрядных радиально-упорных шарикоподшипников: подшипник с защитной шайбой, без канавки на внутреннем кольце.
Уплотнение с двух сторон. Для двухрядных радиально-упорных шарикоподшипников: подшипник с защитной шайбой, без канавки на внутреннем кольце.
Внешнее самоцентрирование. Сепаратор расположен на внутреннем кольце.
Уплотнение с двух сторон. Внешнее самоцентрирование. Сепаратор расположен на внутреннем кольце.
Очищенная монтажная шайба, комплект с подшипником. Тип-выжимные подшипники. Уплотнение с двух сторон.
Уплотнение с обеих сторон, NBR.
Внешнее самоцентрирование. Уровень предварительной нагрузки: тяжелый. Штампованный латунный сепаратор. Угол контакта α=40.
Двухрядный радиально-упорный подшипник со слотом для ввода шариков, стандартная ширина и сходящиеся внутрь углы контакта, нежесткая конструкция.
Шарики и кольца из материала AISI 440C.
Шарики и кольца из материала AISI 440C. Двухрядный радиально-упорный подшипник со слотом для ввода шариков, стандартная ширина и сходящиеся внутрь углы контакта, нежесткая конструкция.
Для двухрядных радиально-упорных шарикоподшипников: подшипник с защитной шайбой, без канавки на внутреннем кольце.
Внешнее самоцентрирование. Сепаратор расположен на внутреннем кольце.
Очищенная монтажная шайба, комплект с подшипником. Тип-выжимные подшипники.
Обрабатываемый бронзовый сепаратор для самоустанавливающихся шарикоподшипников.
Внутренний зазор меньше нормального. Обрабатываемый бронзовый сепаратор для самоустанавливающихся шарикоподшипников.
Внутренний зазор больше нормального. Обрабатываемый бронзовый сепаратор для самоустанавливающихся шарикоподшипников.
Внутренний зазор больше нормального. Двухрядный радиально-упорный подшипник со слотом для ввода шариков, стандартная ширина и сходящиеся внутрь углы контакта, нежесткая конструкция. Обрабатываемый бронзовый сепаратор для самоустанавливающихся шарикоподшипников.
Внутренний зазор больше нормального. Двухрядный радиально-упорный подшипник со слотом для ввода шариков, стандартная ширина и сходящиеся внутрь углы контакта, нежесткая конструкция.
Внутренний зазор больше нормального. Двухрядный радиально-упорный подшипник со слотом для ввода шариков, стандартная ширина и сходящиеся внутрь углы контакта, нежесткая конструкция.
Внутренний зазор больше нормального. Двухрядный радиально-упорный подшипник со слотом для ввода шариков, стандартная ширина и сходящиеся внутрь углы контакта, нежесткая конструкция.
Двухрядный радиально-упорный подшипник со слотом для ввода шариков, стандартная ширина и сходящиеся внутрь углы контакта, нежесткая конструкция.
Стальные фиксаторы.
Двухрядный радиально-упорный шарикоподшипник без слота для ввода шариков, со сходящимися наружу углами контакта, жесткая конструкция. Обрабатываемый бронзовый сепаратор для самоустанавливающихся шарикоподшипников.
Внутренний зазор больше нормального.
| Товар / Аналог | Тип | Расшифровка / Описание |
|---|---|---|
| SS7315 2RS | Радиально-упорный шариковый подшипник | Уплотнение с обеих сторон, NBR. |
| 315S-HYB#1 | Шариковый подшипник | Внешнее самоцентрирование. Уровень предварительной нагрузки: тяжелый. Штампованный латунный сепаратор. Угол контакта α=40. |
| 1315 | Самоустанавливающийся шариковый подшипник | |
| 1315 K | Самоустанавливающийся шариковый подшипник | Двухрядный радиально-упорный подшипник со слотом для ввода шариков, стандартная ширина и сходящиеся внутрь углы контакта, нежесткая конструкция. |
| S1315 | Самоустанавливающийся шариковый подшипник | Шарики и кольца из материала AISI 440C. |
| S1315 K | Самоустанавливающийся шариковый подшипник | Шарики и кольца из материала AISI 440C. Двухрядный радиально-упорный подшипник со слотом для ввода шариков, стандартная ширина и сходящиеся внутрь углы контакта, нежесткая конструкция. |
| CE1315ZR | Самоустанавливающийся шариковый подшипник | Для двухрядных радиально-упорных шарикоподшипников: подшипник с защитной шайбой, без канавки на внутреннем кольце. |
| CE1315SI | Самоустанавливающийся шариковый подшипник | Внешнее самоцентрирование. Сепаратор расположен на внутреннем кольце. |
| CE1315SC | Самоустанавливающийся шариковый подшипник | Очищенная монтажная шайба, комплект с подшипником. Тип-выжимные подшипники. |
| 1315-M | Самоустанавливающийся шариковый подшипник | Обрабатываемый бронзовый сепаратор для самоустанавливающихся шарикоподшипников. |
| 1315-M-C2 | Самоустанавливающийся шариковый подшипник | Внутренний зазор меньше нормального. Обрабатываемый бронзовый сепаратор для самоустанавливающихся шарикоподшипников. |
| 1315-M-C3 | Самоустанавливающийся шариковый подшипник | Внутренний зазор больше нормального. Обрабатываемый бронзовый сепаратор для самоустанавливающихся шарикоподшипников. |
| 1315-K-M-C3 | Самоустанавливающийся шариковый подшипник | Внутренний зазор больше нормального. Двухрядный радиально-упорный подшипник со слотом для ввода шариков, стандартная ширина и сходящиеся внутрь углы контакта, нежесткая конструкция. Обрабатываемый бронзовый сепаратор для самоустанавливающихся шарикоподшипников. |
| 1315 K/C3 | Самоустанавливающийся шариковый подшипник | Внутренний зазор больше нормального. Двухрядный радиально-упорный подшипник со слотом для ввода шариков, стандартная ширина и сходящиеся внутрь углы контакта, нежесткая конструкция. |
| 1315 KC3 | Самоустанавливающийся шариковый подшипник | Внутренний зазор больше нормального. Двухрядный радиально-упорный подшипник со слотом для ввода шариков, стандартная ширина и сходящиеся внутрь углы контакта, нежесткая конструкция. |
| 1315KC3 | Самоустанавливающийся шариковый подшипник | Внутренний зазор больше нормального. Двухрядный радиально-упорный подшипник со слотом для ввода шариков, стандартная ширина и сходящиеся внутрь углы контакта, нежесткая конструкция. |
| 1315K | Самоустанавливающийся шариковый подшипник | Двухрядный радиально-упорный подшипник со слотом для ввода шариков, стандартная ширина и сходящиеся внутрь углы контакта, нежесткая конструкция. |
| 1315J | Самоустанавливающийся шариковый подшипник | Стальные фиксаторы. |
| 1315 M C/2 | Самоустанавливающийся шариковый подшипник | Двухрядный радиально-упорный шарикоподшипник без слота для ввода шариков, со сходящимися наружу углами контакта, жесткая конструкция. Обрабатываемый бронзовый сепаратор для самоустанавливающихся шарикоподшипников. |
| 1315C3 | Самоустанавливающийся шариковый подшипник | Внутренний зазор больше нормального. |
Безусловно! Наши инженеры помогут найти идентичную замену или подобрать более износостойкий аналог. Свяжитесь с нами по телефону +7 (499) 229-40-33 или отправьте запрос на zakaz@prom-pod.ru.
Чтобы ускорить процесс, укажите маркировку с кольца подшипника, его размеры (d x D x B) или модель оборудования.
Да, для оптовых и постоянных партнеров мы предлагаем индивидуальный прайс-лист. Мы ценим долгосрочное сотрудничество и предоставляем гибкие условия.
Размер скидки фиксируется персонально и зависит от:
Для получения коммерческого предложения с учетом вашей скидки напишите на почту zakaz@prom-pod.ru.
Выберите наиболее удобный для вас вариант:
Для корпоративных клиентов у нас выделен отдельный отдел сопровождения. Позвоните по номеру +7 (499) 229-40-33 или пришлите реквизиты компании на email zakaz@prom-pod.ru.
Мы подготовим счет и полный пакет закрывающих документов в кратчайшие сроки.
Возврат изделий надлежащего качества возможен в течение 10 дней. Важно сохранить заводскую упаковку, товарный вид и отсутствие следов установки (монтажа).
Средства возвращаются в течение 10 рабочих дней после приемки и проверки товара на нашем складе.
Согласно регламенту, мы не принимаем к возврату подшипники со вскрытой упаковкой или явными признаками эксплуатации.
При этом мы полностью несем гарантийные обязательства: в случае обнаружения заводского брака производится оперативная замена или возврат средств.
Стандартный гарантийный срок хранения составляет 2 года. Чтобы подшипник сохранил свои свойства, важно держать его в сухом месте, в заводской упаковке и штатной консервационной смазке.
По конкретным сериям продукции точную информацию всегда подскажут наши менеджеры.
Мы на связи в будние дни с 8:00 до 17:00 (по Москве). Суббота и воскресенье — выходные.
Онлайн-заявки через сайт можно оставлять 24/7. Мы обработаем их в приоритетном порядке сразу в начале следующего рабочего дня.
Для оформления доставки минимальный порог составляет 3000 рублей. Если вы планируете забрать товар самовывозом, сумма заказа может быть любой (при условии наличия позиции на складе).
Еще никто не писал отзывов. Напишите первым!
Поговорите с экспертом нашей компании, за несколько минут он поможет вам не ошибиться в выборе, примет заказ в телефонном режиме и организуют оперативную доставку.
Получите бесплатную консультацию эксперта прямо сейчас!

Компания Prom-Pod.ru
Москва, Россия
Контакты: +7 499 229–40–33
zakaz@prom-pod.ru, prom-pod@mail.ru