CE719/9SC
В наличии
Будет доступен:
Цена на подшипник CE719/9SC является расчетной и зависит от следующих факторов:
Для уточнения актуальной цены и наличия:
Для двухрядных радиально-упорных шарикоподшипников: подшипник с защитной шайбой, без канавки на внутреннем кольце.
Уплотнение с двух сторон. Для двухрядных радиально-упорных шарикоподшипников: подшипник с защитной шайбой, без канавки на внутреннем кольце.
Внешнее самоцентрирование. Сепаратор расположен на внутреннем кольце.
Уплотнение с двух сторон. Внешнее самоцентрирование. Сепаратор расположен на внутреннем кольце.
Очищенная монтажная шайба, комплект с подшипником. Тип-выжимные подшипники. Уплотнение с двух сторон.
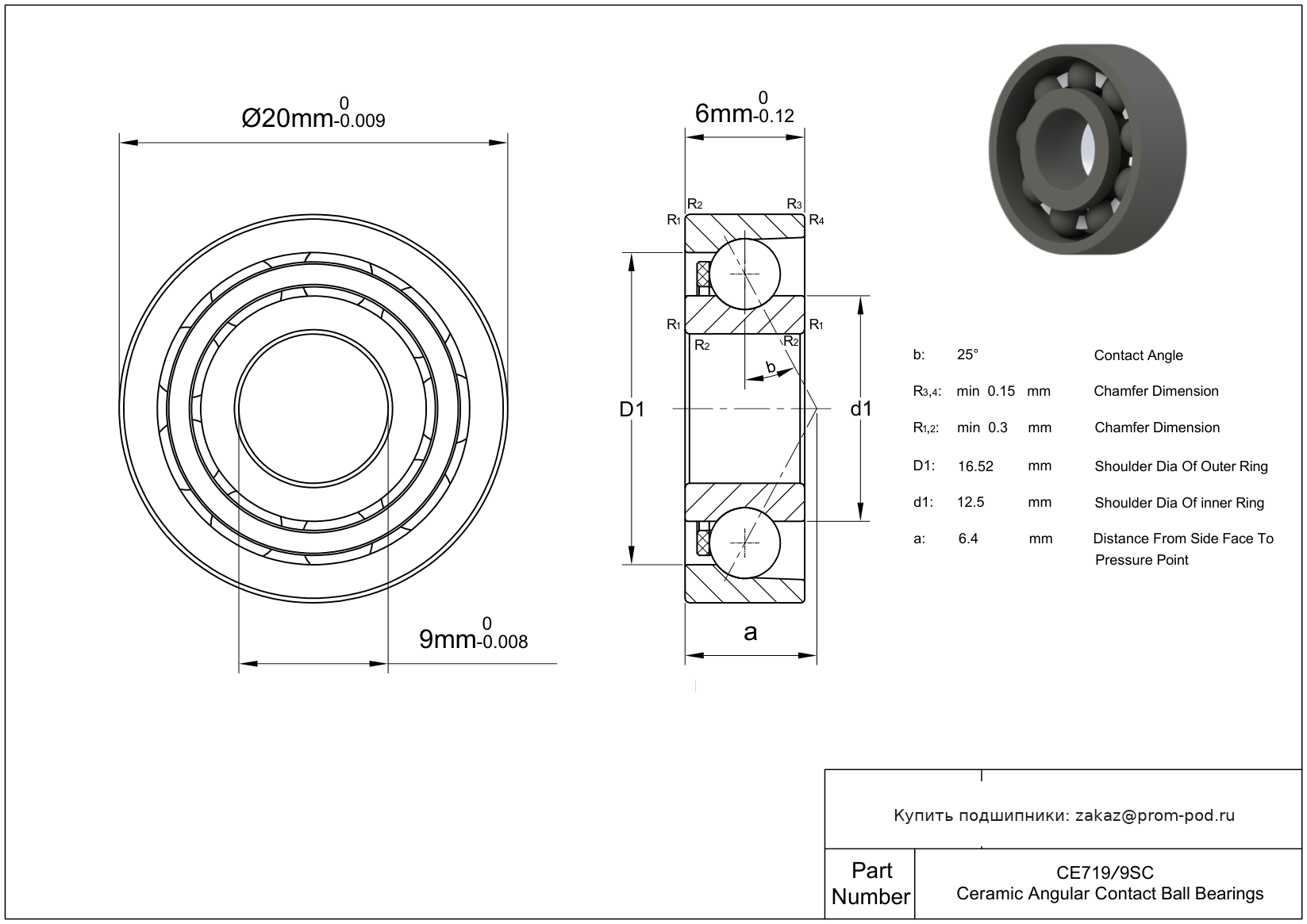
Угол контакта α=25, высокоскоростные, тип E. Р4А - специальный класс точности для прецизионных упорных радиальных подшипников - допуски Р4 кроме наружного диаметра.
Р4А - специальный класс точности для прецизионных упорных радиальных подшипников - допуски Р4 кроме наружного диаметра. Угол контакта α=15, высокоскоростные, тип E.
Угол контакта α=25, высокоскоростные, тип E. Р4А - специальный класс точности для прецизионных упорных радиальных подшипников - допуски Р4 кроме наружного диаметра. Тела качения из нитрида кремния.
Р4А - специальный класс точности для прецизионных упорных радиальных подшипников - допуски Р4 кроме наружного диаметра. Угол контакта α=15, высокоскоростные, тип E. Тела качения из нитрида кремния.
Отверстие для смазки маслом через наружное кольцо с открытой стороны, уплотнение наружного кольца с помощью уплотнительных колец.
Ведомый шкив, предварительно смазанный. Двухрядный радиально-упорный подшипник со слотом для ввода шариков, стандартная ширина и сходящиеся внутрь углы контакта, нежесткая конструкция. Коническая расточка (1:12 по диаметру).
Два уплотнителя из синтетического каучука.
Два уплотнителя из синтетического каучука.
Уплотнение с обеих сторон, NBR.
Защитная шайба с обеих сторон.
Шариковый упорный подшипник, однорядный. Однонаправленный, с рифленой поверхностью качения. Легкая дюймовая серия.
Шариковый упорный подшипник, однорядный. Однонаправленный, с рифленой поверхностью качения. Легкая дюймовая серия. Самоустанавливающийся шарикоподшипник с двумя уплотнениями из синтетического каучука.
Шариковый упорный подшипник, однорядный. Однонаправленный, с рифленой поверхностью качения. Легкая дюймовая серия. Защитная шайба с обеих сторон.
Шариковый упорный подшипник, однорядный. Однонаправленный, с рифленой поверхностью качения. Легкая дюймовая серия. Максимальная грузоподьемность, слот для ввода шариков. Подшипник с защитной шайбой с одной стороны.
Шариковый упорный подшипник, однорядный. Однонаправленный, с рифленой поверхностью качения. Легкая дюймовая серия. Двухрядный шарикоподшипник радиального типа без слота для ввода шариков с литым бронзовым сепаратором пальцевого типа. Углы контакта 0°.
Шариковый упорный подшипник, однорядный. Однонаправленный, с рифленой поверхностью качения. Легкая дюймовая серия. Самоустанавливающийся шарикоподшипник с двумя уплотнениями из синтетического каучука. Двухрядный шарикоподшипник радиального типа без слота для ввода шариков с литым бронзовым сепаратором пальцевого типа. Углы контакта 0°.
Шариковый упорный подшипник, однорядный. Однонаправленный, с рифленой поверхностью качения. Легкая дюймовая серия. Защитная шайба с обеих сторон. Двухрядный шарикоподшипник радиального типа без слота для ввода шариков с литым бронзовым сепаратором пальцевого типа. Углы контакта 0°.
Шарики и кольца из материала AISI 440C.
Шарики и кольца из материала AISI 440C. Уплотнение с обеих сторон, NBR.
| Товар / Аналог | Тип | Расшифровка / Описание |
|---|---|---|
| SS719/9 | Радиально-упорный шариковый подшипник | |
| SS719/9 2RS | Радиально-упорный шариковый подшипник | |
| 619/9-2RZ | Шариковый подшипник | |
| L-2090 | Шариковый подшипник | Отверстие для смазки маслом через наружное кольцо с открытой стороны, уплотнение наружного кольца с помощью уплотнительных колец. |
| L-2090KK | Шариковый подшипник | Ведомый шкив, предварительно смазанный. Двухрядный радиально-упорный подшипник со слотом для ввода шариков, стандартная ширина и сходящиеся внутрь углы контакта, нежесткая конструкция. Коническая расточка (1:12 по диаметру). |
| DDL-2090 | Шариковый подшипник | |
| DDL-2090ZZ | Шариковый подшипник | Два уплотнителя из синтетического каучука. |
| 619/9-ZZ | Шариковый подшипник | Два уплотнителя из синтетического каучука. |
| 619/9-2RS | Шариковый подшипник | Уплотнение с обеих сторон, NBR. |
| 619/9 | Шариковый подшипник | |
| 619/9-2Z | Шариковый подшипник | Защитная шайба с обеих сторон. |
| W 619/9 | Шариковый подшипник | Шариковый упорный подшипник, однорядный. Однонаправленный, с рифленой поверхностью качения. Легкая дюймовая серия. |
| W 619/9-2RS1 | Шариковый подшипник | Шариковый упорный подшипник, однорядный. Однонаправленный, с рифленой поверхностью качения. Легкая дюймовая серия. Самоустанавливающийся шарикоподшипник с двумя уплотнениями из синтетического каучука. |
| W 619/9-2Z | Шариковый подшипник | Шариковый упорный подшипник, однорядный. Однонаправленный, с рифленой поверхностью качения. Легкая дюймовая серия. Защитная шайба с обеих сторон. |
| W 619/9-Z/W64 | Шариковый подшипник | Шариковый упорный подшипник, однорядный. Однонаправленный, с рифленой поверхностью качения. Легкая дюймовая серия. Максимальная грузоподьемность, слот для ввода шариков. Подшипник с защитной шайбой с одной стороны. |
| W 619/9 R | Шариковый подшипник | Шариковый упорный подшипник, однорядный. Однонаправленный, с рифленой поверхностью качения. Легкая дюймовая серия. Двухрядный шарикоподшипник радиального типа без слота для ввода шариков с литым бронзовым сепаратором пальцевого типа. Углы контакта 0°. |
| W 619/9 R-2RS1 | Шариковый подшипник | Шариковый упорный подшипник, однорядный. Однонаправленный, с рифленой поверхностью качения. Легкая дюймовая серия. Самоустанавливающийся шарикоподшипник с двумя уплотнениями из синтетического каучука. Двухрядный шарикоподшипник радиального типа без слота для ввода шариков с литым бронзовым сепаратором пальцевого типа. Углы контакта 0°. |
| W 619/9 R-2Z | Шариковый подшипник | Шариковый упорный подшипник, однорядный. Однонаправленный, с рифленой поверхностью качения. Легкая дюймовая серия. Защитная шайба с обеих сторон. Двухрядный шарикоподшипник радиального типа без слота для ввода шариков с литым бронзовым сепаратором пальцевого типа. Углы контакта 0°. |
| S699 | Шариковый подшипник | Шарики и кольца из материала AISI 440C. |
| S699 2rs | Шариковый подшипник | Шарики и кольца из материала AISI 440C. Уплотнение с обеих сторон, NBR. |
Безусловно! Наши инженеры помогут найти идентичную замену или подобрать более износостойкий аналог. Свяжитесь с нами по телефону +7 (499) 229-40-33 или отправьте запрос на zakaz@prom-pod.ru.
Чтобы ускорить процесс, укажите маркировку с кольца подшипника, его размеры (d x D x B) или модель оборудования.
Да, для оптовых и постоянных партнеров мы предлагаем индивидуальный прайс-лист. Мы ценим долгосрочное сотрудничество и предоставляем гибкие условия.
Размер скидки фиксируется персонально и зависит от:
Для получения коммерческого предложения с учетом вашей скидки напишите на почту zakaz@prom-pod.ru.
Выберите наиболее удобный для вас вариант:
Для корпоративных клиентов у нас выделен отдельный отдел сопровождения. Позвоните по номеру +7 (499) 229-40-33 или пришлите реквизиты компании на email zakaz@prom-pod.ru.
Мы подготовим счет и полный пакет закрывающих документов в кратчайшие сроки.
Возврат изделий надлежащего качества возможен в течение 10 дней. Важно сохранить заводскую упаковку, товарный вид и отсутствие следов установки (монтажа).
Средства возвращаются в течение 10 рабочих дней после приемки и проверки товара на нашем складе.
Согласно регламенту, мы не принимаем к возврату подшипники со вскрытой упаковкой или явными признаками эксплуатации.
При этом мы полностью несем гарантийные обязательства: в случае обнаружения заводского брака производится оперативная замена или возврат средств.
Стандартный гарантийный срок хранения составляет 2 года. Чтобы подшипник сохранил свои свойства, важно держать его в сухом месте, в заводской упаковке и штатной консервационной смазке.
По конкретным сериям продукции точную информацию всегда подскажут наши менеджеры.
Мы на связи в будние дни с 8:00 до 17:00 (по Москве). Суббота и воскресенье — выходные.
Онлайн-заявки через сайт можно оставлять 24/7. Мы обработаем их в приоритетном порядке сразу в начале следующего рабочего дня.
Для оформления доставки минимальный порог составляет 3000 рублей. Если вы планируете забрать товар самовывозом, сумма заказа может быть любой (при условии наличия позиции на складе).
Еще никто не писал отзывов. Напишите первым!
Поговорите с экспертом нашей компании, за несколько минут он поможет вам не ошибиться в выборе, примет заказ в телефонном режиме и организуют оперативную доставку.
Получите бесплатную консультацию эксперта прямо сейчас!

Компания Prom-Pod.ru
Москва, Россия
Контакты: +7 499 229–40–33
zakaz@prom-pod.ru, prom-pod@mail.ru