CE7226SIPP
В наличии
Будет доступен:
Цена на подшипник CE7226SIPP является расчетной и зависит от следующих факторов:
Для уточнения актуальной цены и наличия:
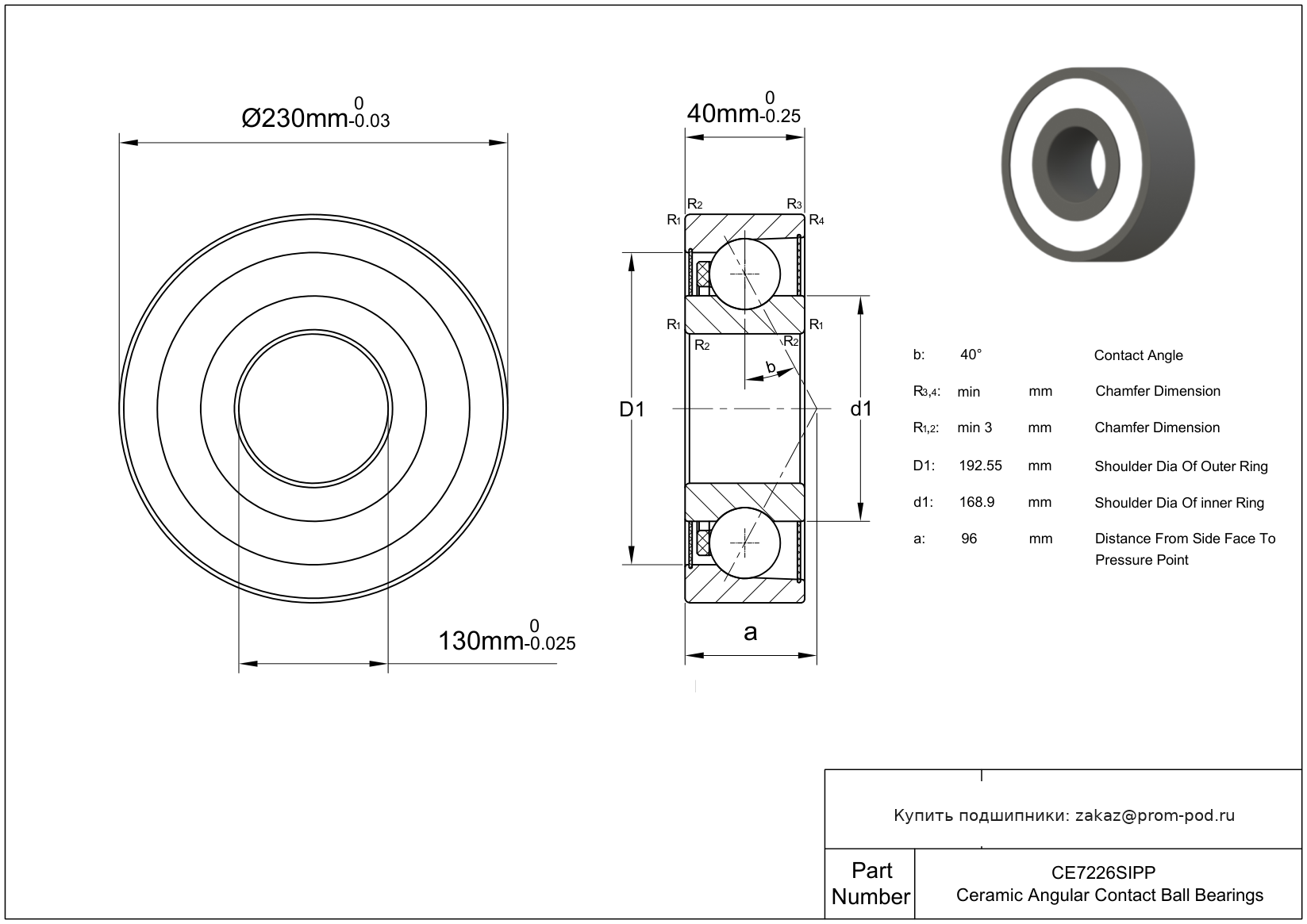
B + CB + M. Угол контакта α=40. Подшипник для универсального монтажа. Два подшипника, установленные по О-образной или Х-образной схеме, имеют нормальный осевой внутренний зазор. Механически обработанный латунный сепаратор, центрируемый по шарикам. Разные конструкции обозначаются цифрой после буквы М, например, М2.
Угол контакта α=40, полиамидный сепаратор, для универсальной установки. Уплотнение типа Flex Seal с одной стороны. Минимальный крутящий момент, низкий уровень трения, которое обеспечивает удержание смазки и защиты от загрязнений. Изготовлен из алюминия / ламинированного волокна.
Угол контакта α=40, полиамидный сепаратор, для универсальной установки. Обрабатываемый бронзовый сепаратор для самоустанавливающихся шарикоподшипников.
Сходящийся наружу угол контакта со слотом для ввода шариков серии 5000. Жесткая конструкция. Обрабатываемый бронзовый сепаратор для самоустанавливающихся шарикоподшипников.
Удлиненное внутреннее кольцо, вставка из нержавеющей стали, литые манжетные уплотнения.
Для двухрядных радиально-упорных шарикоподшипников: подшипник с защитной шайбой, без канавки на внутреннем кольце.
Уплотнение с двух сторон. Для двухрядных радиально-упорных шарикоподшипников: подшипник с защитной шайбой, без канавки на внутреннем кольце.
Внешнее самоцентрирование. Сепаратор расположен на внутреннем кольце.
Очищенная монтажная шайба, комплект с подшипником. Тип-выжимные подшипники. Уплотнение с двух сторон.
Стандартное исполнение радиально-упорных шпиндельных подшипников. Класс точности P4S. Класс точности (FAG) для шпиндельных подшипников: размере и форму допуска в соответствии с P4, допуск на вращение в соответствии с P2. Универсальное исполнение - легкий преднатяг. Двухрядный радиально-упорный шарикоподшипник без слота для ввода шариков, со сходящимися наружу углами контакта, жесткая конструкция. Одно фетровое уплотнение.
Стандартное исполнение радиально-упорных шпиндельных подшипников. Класс точности P4S. Класс точности (FAG) для шпиндельных подшипников: размере и форму допуска в соответствии с P4, допуск на вращение в соответствии с P2. Универсальное исполнение - легкий преднатяг. Самоустанавливающийся шарикоподшипник с более высокой грузоподъемностью по сравнению с оригинальной конструкцией. Одно фетровое уплотнение.
Радиально-упорные шпиндельные подшипники с керамическими шариками. Класс точности P4S. Класс точности (FAG) для шпиндельных подшипников: размере и форму допуска в соответствии с P4, допуск на вращение в соответствии с P2. Универсальное исполнение - легкий преднатяг. Двухрядный радиально-упорный шарикоподшипник без слота для ввода шариков, со сходящимися наружу углами контакта, жесткая конструкция. Одно фетровое уплотнение.
Радиально-упорные шпиндельные подшипники с керамическими шариками. Класс точности P4S. Класс точности (FAG) для шпиндельных подшипников: размере и форму допуска в соответствии с P4, допуск на вращение в соответствии с P2. Универсальное исполнение - легкий преднатяг. Самоустанавливающийся шарикоподшипник с более высокой грузоподъемностью по сравнению с оригинальной конструкцией. Одно фетровое уплотнение.
Однорядные радиально-упорные шарикоподшипники с углом контакта α=25. Р4А - специальный класс точности для прецизионных упорных радиальных подшипников - допуски Р4 кроме наружного диаметра.
Р4А - специальный класс точности для прецизионных упорных радиальных подшипников - допуски Р4 кроме наружного диаметра. Прецизионный однорядный радиально-упорный шарикоподшипник, угол контакта α=15.
Однорядные радиально-упорные шарикоподшипники с углом контакта α=25. Р4А - специальный класс точности для прецизионных упорных радиальных подшипников - допуски Р4 кроме наружного диаметра. Тела качения из нитрида кремния.
Р4А - специальный класс точности для прецизионных упорных радиальных подшипников - допуски Р4 кроме наружного диаметра. Прецизионный однорядный радиально-упорный шарикоподшипник, угол контакта α=15. Тела качения из нитрида кремния.
ACD + GA. Однорядные радиально-упорные шарикоподшипники с углом контакта α=25. Для универсального монтажа, очень лёгкий преднатяг (серии 719 D, 70 D и 72 D) или лёгкий преднатяг (серии 718 D, 719 E, 70 E, 719 B и 70 B). Р4А - специальный класс точности для прецизионных упорных радиальных подшипников - допуски Р4 кроме наружного диаметра.
CD + GA. Прецизионный однорядный радиально-упорный шарикоподшипник, угол контакта α=15. Подшипник для универсального монтажа. Два подшипника, установленные по О-образной или Х-образной схеме, имеют лёгкий преднатяг. Р4А - специальный класс точности для прецизионных упорных радиальных подшипников - допуски Р4 кроме наружного диаметра.
Очищенная монтажная шайба, комплект с подшипником. Тип-выжимные подшипники.
Уплотнение с обеих сторон, NBR.
Шариковый однорядный подшипник с четырехточечным углом контакта. Подшипник с двумя фиксирующими пазами и латунным сепаратором. Угол контакта 25 градусов.
Подшипники для высоких рабочих температур. Внутренний зазор больше нормального. Подшипник с защитной шайбой с одной стороны.
Подшипник с шайбой сферического корпуса и выравнивающей посадочной шайбой.
Шарики и кольца из материала AISI 440C.
Шарики и кольца из материала AISI 440C. Уплотнение с обеих сторон, NBR.
Шарики и кольца из материала AISI 440C. Два уплотнителя из синтетического каучука.
Уплотнение с обеих сторон, NBR.
Двухрядный радиально-упорный шарикоподшипник без слота для ввода шариков, со сходящимися наружу углами контакта, жесткая конструкция.
Внутренний зазор больше нормального. Смазочные отверстия в наружном кольце. Подшипник с бесконтактными уплотнениями на одной стороне.
Угол контакта 25 градусов. Двухрядный радиально-упорный шарикоподшипник без слота для ввода шариков с литым бронзовым сепаратором пальцевого типа, сходящимися внутрь углами контакта, нежесткой конструкцией. Стальные фиксаторы.
Угол контакта 25 градусов. Внутренний зазор больше нормального. Двухрядный радиально-упорный шарикоподшипник без слота для ввода шариков с литым бронзовым сепаратором пальцевого типа, сходящимися внутрь углами контакта, нежесткой конструкцией. Стальные фиксаторы.
Угол контакта 25 градусов. Сходящийся наружу угол контакта со слотом для ввода шариков серии 5000. Жесткая конструкция. Стальные фиксаторы.
Угол контакта 25 градусов. Внутренний зазор больше нормального. Сходящийся наружу угол контакта со слотом для ввода шариков серии 5000. Жесткая конструкция. Стальные фиксаторы.
Угол контакта 25 градусов. Двухрядный радиально-упорный шарикоподшипник без слота для ввода шариков с литым бронзовым сепаратором пальцевого типа, сходящимися внутрь углами контакта, нежесткой конструкцией. Обрабатываемый бронзовый сепаратор для самоустанавливающихся шарикоподшипников. Стальные фиксаторы.
Угол контакта 25 градусов. Внутренний зазор больше нормального. Двухрядный радиально-упорный шарикоподшипник без слота для ввода шариков с литым бронзовым сепаратором пальцевого типа, сходящимися внутрь углами контакта, нежесткой конструкцией. Обрабатываемый бронзовый сепаратор для самоустанавливающихся шарикоподшипников. Стальные фиксаторы.
Угол контакта 25 градусов. Сходящийся наружу угол контакта со слотом для ввода шариков серии 5000. Жесткая конструкция. Обрабатываемый бронзовый сепаратор для самоустанавливающихся шарикоподшипников. Стальные фиксаторы.
Угол контакта 25 градусов. Внутренний зазор больше нормального. Сходящийся наружу угол контакта со слотом для ввода шариков серии 5000. Жесткая конструкция. Обрабатываемый бронзовый сепаратор для самоустанавливающихся шарикоподшипников. Стальные фиксаторы.
Внутренний зазор больше нормального. Защитная шайба с обеих сторон.
| Товар / Аналог | Тип | Расшифровка / Описание |
|---|---|---|
| SS7226 2RS | Радиально-упорный шариковый подшипник | Уплотнение с обеих сторон, NBR. |
| QJ 226 N2MA | Радиально-упорный шариковый подшипник | Шариковый однорядный подшипник с четырехточечным углом контакта. Подшипник с двумя фиксирующими пазами и латунным сепаратором. Угол контакта 25 градусов. |
| TS3-6226ZC3 | Шариковый подшипник | Подшипники для высоких рабочих температур. Внутренний зазор больше нормального. Подшипник с защитной шайбой с одной стороны. |
| 62226U | Шариковый подшипник | Подшипник с шайбой сферического корпуса и выравнивающей посадочной шайбой. |
| S6226 | Шариковый подшипник | Шарики и кольца из материала AISI 440C. |
| S6226 2rs | Шариковый подшипник | Шарики и кольца из материала AISI 440C. Уплотнение с обеих сторон, NBR. |
| S6226zz | Шариковый подшипник | Шарики и кольца из материала AISI 440C. Два уплотнителя из синтетического каучука. |
| 6226 | Шариковый подшипник | |
| 6226 2RS | Шариковый подшипник | Уплотнение с обеих сторон, NBR. |
| 6226C | Шариковый подшипник | Двухрядный радиально-упорный шарикоподшипник без слота для ввода шариков, со сходящимися наружу углами контакта, жесткая конструкция. |
| 6226/C3VL2071 | Шариковый подшипник | Внутренний зазор больше нормального. Смазочные отверстия в наружном кольце. Подшипник с бесконтактными уплотнениями на одной стороне. |
| 6226-J20AA | Шариковый подшипник | Угол контакта 25 градусов. Двухрядный радиально-упорный шарикоподшипник без слота для ввода шариков с литым бронзовым сепаратором пальцевого типа, сходящимися внутрь углами контакта, нежесткой конструкцией. Стальные фиксаторы. |
| 6226-J20AA-C3 | Шариковый подшипник | Угол контакта 25 градусов. Внутренний зазор больше нормального. Двухрядный радиально-упорный шарикоподшипник без слота для ввода шариков с литым бронзовым сепаратором пальцевого типа, сходящимися внутрь углами контакта, нежесткой конструкцией. Стальные фиксаторы. |
| 6226-J20AB | Шариковый подшипник | Угол контакта 25 градусов. Сходящийся наружу угол контакта со слотом для ввода шариков серии 5000. Жесткая конструкция. Стальные фиксаторы. |
| 6226-J20AB-C3 | Шариковый подшипник | Угол контакта 25 градусов. Внутренний зазор больше нормального. Сходящийся наружу угол контакта со слотом для ввода шариков серии 5000. Жесткая конструкция. Стальные фиксаторы. |
| 6226-M-J20AA | Шариковый подшипник | Угол контакта 25 градусов. Двухрядный радиально-упорный шарикоподшипник без слота для ввода шариков с литым бронзовым сепаратором пальцевого типа, сходящимися внутрь углами контакта, нежесткой конструкцией. Обрабатываемый бронзовый сепаратор для самоустанавливающихся шарикоподшипников. Стальные фиксаторы. |
| 6226-M-J20AA-C3 | Шариковый подшипник | Угол контакта 25 градусов. Внутренний зазор больше нормального. Двухрядный радиально-упорный шарикоподшипник без слота для ввода шариков с литым бронзовым сепаратором пальцевого типа, сходящимися внутрь углами контакта, нежесткой конструкцией. Обрабатываемый бронзовый сепаратор для самоустанавливающихся шарикоподшипников. Стальные фиксаторы. |
| 6226-M-J20AB | Шариковый подшипник | Угол контакта 25 градусов. Сходящийся наружу угол контакта со слотом для ввода шариков серии 5000. Жесткая конструкция. Обрабатываемый бронзовый сепаратор для самоустанавливающихся шарикоподшипников. Стальные фиксаторы. |
| 6226-M-J20AB-C3 | Шариковый подшипник | Угол контакта 25 градусов. Внутренний зазор больше нормального. Сходящийся наружу угол контакта со слотом для ввода шариков серии 5000. Жесткая конструкция. Обрабатываемый бронзовый сепаратор для самоустанавливающихся шарикоподшипников. Стальные фиксаторы. |
| 6226-2Z-C3 | Шариковый подшипник | Внутренний зазор больше нормального. Защитная шайба с обеих сторон. |
Безусловно! Наши инженеры помогут найти идентичную замену или подобрать более износостойкий аналог. Свяжитесь с нами по телефону +7 (499) 229-40-33 или отправьте запрос на zakaz@prom-pod.ru.
Чтобы ускорить процесс, укажите маркировку с кольца подшипника, его размеры (d x D x B) или модель оборудования.
Да, для оптовых и постоянных партнеров мы предлагаем индивидуальный прайс-лист. Мы ценим долгосрочное сотрудничество и предоставляем гибкие условия.
Размер скидки фиксируется персонально и зависит от:
Для получения коммерческого предложения с учетом вашей скидки напишите на почту zakaz@prom-pod.ru.
Выберите наиболее удобный для вас вариант:
Для корпоративных клиентов у нас выделен отдельный отдел сопровождения. Позвоните по номеру +7 (499) 229-40-33 или пришлите реквизиты компании на email zakaz@prom-pod.ru.
Мы подготовим счет и полный пакет закрывающих документов в кратчайшие сроки.
Возврат изделий надлежащего качества возможен в течение 10 дней. Важно сохранить заводскую упаковку, товарный вид и отсутствие следов установки (монтажа).
Средства возвращаются в течение 10 рабочих дней после приемки и проверки товара на нашем складе.
Согласно регламенту, мы не принимаем к возврату подшипники со вскрытой упаковкой или явными признаками эксплуатации.
При этом мы полностью несем гарантийные обязательства: в случае обнаружения заводского брака производится оперативная замена или возврат средств.
Стандартный гарантийный срок хранения составляет 2 года. Чтобы подшипник сохранил свои свойства, важно держать его в сухом месте, в заводской упаковке и штатной консервационной смазке.
По конкретным сериям продукции точную информацию всегда подскажут наши менеджеры.
Мы на связи в будние дни с 8:00 до 17:00 (по Москве). Суббота и воскресенье — выходные.
Онлайн-заявки через сайт можно оставлять 24/7. Мы обработаем их в приоритетном порядке сразу в начале следующего рабочего дня.
Для оформления доставки минимальный порог составляет 3000 рублей. Если вы планируете забрать товар самовывозом, сумма заказа может быть любой (при условии наличия позиции на складе).
Еще никто не писал отзывов. Напишите первым!
Поговорите с экспертом нашей компании, за несколько минут он поможет вам не ошибиться в выборе, примет заказ в телефонном режиме и организуют оперативную доставку.
Получите бесплатную консультацию эксперта прямо сейчас!

Компания Prom-Pod.ru
Москва, Россия
Контакты: +7 499 229–40–33
zakaz@prom-pod.ru, prom-pod@mail.ru