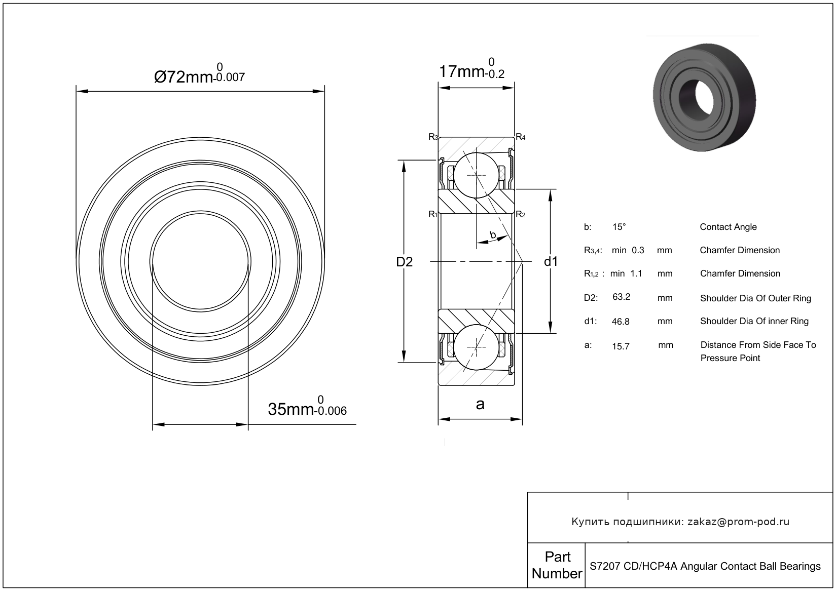
S7207 CD/HCP4A
В наличии
Будет доступен:
Цена на подшипник S7207 CD/HCP4A является расчетной и зависит от следующих факторов:
Для уточнения актуальной цены и наличия:
Универсальный подходящий средний клиренс. Латунная обойма. Стопорный хомут с выравнивающим кольцом, адаптеры тяжелой серии.
Уплотнения с двух сторон (для серии KH). Контактный угол α=40, усиленная внутренняя конструкция. Одно уплотнение.
B + E + CB + M. Угол контакта α=40. Оптимизированная внутренняя конструкция. Подшипник для универсального монтажа. Два подшипника, установленные по О-образной или Х-образной схеме, имеют нормальный осевой внутренний зазор. Механически обработанный латунный сепаратор, центрируемый по шарикам. Разные конструкции обозначаются цифрой после буквы М, например, М2.
B + E + CB + P. B + E + CB + M. Угол контакта α=40. Оптимизированная внутренняя конструкция. Подшипник для универсального монтажа. Два подшипника, установленные по О-образной или Х-образной схеме, имеют нормальный осевой внутренний зазор. Сепаратор из стеклонаполненного полиамида PA66, центрируемый по шарикам.
Регулируемый осевой внутренний зазор. Контактный угол α=40, усиленная внутренняя конструкция. Штампованный латунный сепаратор.
Угол контакта 25 градусов. Контактный угол α=40, усиленная внутренняя конструкция. Средний преднатяг.
B + E + GA + P. Угол контакта α=40. Оптимизированная внутренняя конструкция. Подшипник для универсального монтажа. Два подшипника, установленные по О-образной или Х-образной схеме, имеют лёгкий преднатяг. Сепаратор из стеклонаполненного полиамида PA66, центрируемый по шарикам.
Угол контакта 25 градусов. Контактный угол α=40, усиленная внутренняя конструкция. Обозначение типа смазки. Штампованный латунный сепаратор.
Для универсального монтажа, лёгкий преднатяг (серии 719 D, 70 D и 72 D) или средний преднатяг (серии 718 D, 719 E, 70 E, 719 B и 70 B). Контактный угол α=40, усиленная внутренняя конструкция. Одно уплотнение.
Для универсального монтажа, лёгкий преднатяг (серии 719 D, 70 D и 72 D) или средний преднатяг (серии 718 D, 719 E, 70 E, 719 B и 70 B). Контактный угол α=40, усиленная внутренняя конструкция. Штампованный латунный сепаратор.
B + E + P. Угол контакта α=40. Оптимизированная внутренняя конструкция. Сепаратор из стеклонаполненного полиамида PA66, центрируемый по шарикам.
B + E + CB + P. B + E + CB + M. Угол контакта α=40. Оптимизированная внутренняя конструкция. Подшипник для универсального монтажа. Два подшипника, установленные по О-образной или Х-образной схеме, имеют нормальный осевой внутренний зазор. Сепаратор из стеклонаполненного полиамида PA66, центрируемый по шарикам. Плавающие лабиринтные уплотнения.
Удлиненное внутреннее кольцо, вставка из нержавеющей стали, литые манжетные уплотнения.
Для двухрядных радиально-упорных шарикоподшипников: подшипник с защитной шайбой, без канавки на внутреннем кольце.
Уплотнение с двух сторон. Для двухрядных радиально-упорных шарикоподшипников: подшипник с защитной шайбой, без канавки на внутреннем кольце.
Внешнее самоцентрирование. Сепаратор расположен на внутреннем кольце.
Уплотнение с двух сторон. Внешнее самоцентрирование. Сепаратор расположен на внутреннем кольце.
Очищенная монтажная шайба, комплект с подшипником. Тип-выжимные подшипники. Уплотнение с двух сторон.
Стандартное исполнение радиально-упорных шпиндельных подшипников. Класс точности P4S. Класс точности (FAG) для шпиндельных подшипников: размере и форму допуска в соответствии с P4, допуск на вращение в соответствии с P2. Универсальное исполнение - легкий преднатяг. Двухрядный радиально-упорный шарикоподшипник без слота для ввода шариков, со сходящимися наружу углами контакта, жесткая конструкция. Одно фетровое уплотнение.
Стандартное исполнение радиально-упорных шпиндельных подшипников. Класс точности P4S. Класс точности (FAG) для шпиндельных подшипников: размере и форму допуска в соответствии с P4, допуск на вращение в соответствии с P2. Универсальное исполнение - легкий преднатяг. Самоустанавливающийся шарикоподшипник с более высокой грузоподъемностью по сравнению с оригинальной конструкцией. Одно фетровое уплотнение.
Радиально-упорные шпиндельные подшипники с керамическими шариками. Класс точности P4S. Класс точности (FAG) для шпиндельных подшипников: размере и форму допуска в соответствии с P4, допуск на вращение в соответствии с P2. Универсальное исполнение - легкий преднатяг. Самоустанавливающийся шарикоподшипник с более высокой грузоподъемностью по сравнению с оригинальной конструкцией. Одно фетровое уплотнение.
Стандартное исполнение радиально-упорных шпиндельных подшипников. Бесконтактное уплотнение с обеих сторон, от 62 мм, NBR. Класс точности P4S. Класс точности (FAG) для шпиндельных подшипников: размере и форму допуска в соответствии с P4, допуск на вращение в соответствии с P2. Универсальное исполнение - легкий преднатяг. Двухрядный радиально-упорный шарикоподшипник без слота для ввода шариков, со сходящимися наружу углами контакта, жесткая конструкция. Одно фетровое уплотнение.
Радиально-упорные шпиндельные подшипники с керамическими шариками. Бесконтактное уплотнение с обеих сторон, от 62 мм, NBR. Класс точности P4S. Класс точности (FAG) для шпиндельных подшипников: размере и форму допуска в соответствии с P4, допуск на вращение в соответствии с P2. Универсальное исполнение - легкий преднатяг. Двухрядный радиально-упорный шарикоподшипник без слота для ввода шариков, со сходящимися наружу углами контакта, жесткая конструкция. Одно фетровое уплотнение.
Радиально-упорные шпиндельные подшипники с керамическими шариками. Бесконтактное уплотнение с обеих сторон, от 62 мм, NBR. Класс точности P4S. Класс точности (FAG) для шпиндельных подшипников: размере и форму допуска в соответствии с P4, допуск на вращение в соответствии с P2. Универсальное исполнение - легкий преднатяг. Самоустанавливающийся шарикоподшипник с более высокой грузоподъемностью по сравнению с оригинальной конструкцией. Одно фетровое уплотнение.
Радиально-упорные шпиндельные подшипники с керамическими шариками. Класс точности P4S. Класс точности (FAG) для шпиндельных подшипников: размере и форму допуска в соответствии с P4, допуск на вращение в соответствии с P2. Универсальное исполнение - легкий преднатяг. Двухрядный радиально-упорный шарикоподшипник без слота для ввода шариков, со сходящимися наружу углами контакта, жесткая конструкция. Одно фетровое уплотнение.
Стандартное исполнение радиально-упорных шпиндельных подшипников. Бесконтактное уплотнение с обеих сторон, от 62 мм, NBR. Класс точности P4S. Класс точности (FAG) для шпиндельных подшипников: размере и форму допуска в соответствии с P4, допуск на вращение в соответствии с P2. Универсальное исполнение - легкий преднатяг. Самоустанавливающийся шарикоподшипник с более высокой грузоподъемностью по сравнению с оригинальной конструкцией. Одно фетровое уплотнение.
Однорядные радиально-упорные шарикоподшипники с углом контакта α=25. Р4А - специальный класс точности для прецизионных упорных радиальных подшипников - допуски Р4 кроме наружного диаметра.
Р4А - специальный класс точности для прецизионных упорных радиальных подшипников - допуски Р4 кроме наружного диаметра. Прецизионный однорядный радиально-упорный шарикоподшипник, угол контакта α=15.
Однорядные радиально-упорные шарикоподшипники с углом контакта α=25. Р4А - специальный класс точности для прецизионных упорных радиальных подшипников - допуски Р4 кроме наружного диаметра. Тела качения из нитрида кремния.
Р4А - специальный класс точности для прецизионных упорных радиальных подшипников - допуски Р4 кроме наружного диаметра. Прецизионный однорядный радиально-упорный шарикоподшипник, угол контакта α=15. Тела качения из нитрида кремния.
Уплотнение с обеих сторон, NBR.
Внешнее самоцентрирование. Уровень предварительной нагрузки: тяжелый. Штампованный латунный сепаратор. Угол контакта α=40.
Сепаратор из полиамида, армированного стекловолокном. Упорный шариковый подшипник без упорного кольца.
Обрабатываемый бронзовый сепаратор для самоустанавливающихся шарикоподшипников. Самоустанавливающийся шарикоподшипник с более высокой грузоподъемностью по сравнению с оригинальной конструкцией.
Сепаратор из полиамида, армированного стекловолокном. Самоустанавливающийся шарикоподшипник с более высокой грузоподъемностью по сравнению с оригинальной конструкцией.
Шарики и кольца из материала AISI 440C. Сепаратор из полиамида, армированного стекловолокном. Упорный шариковый подшипник без упорного кольца.
Шарики и кольца из материала AISI 440C. Обрабатываемый бронзовый сепаратор для самоустанавливающихся шарикоподшипников. Самоустанавливающийся шарикоподшипник с более высокой грузоподъемностью по сравнению с оригинальной конструкцией.
Шарики и кольца из материала AISI 440C. Сепаратор из полиамида, армированного стекловолокном. Самоустанавливающийся шарикоподшипник с более высокой грузоподъемностью по сравнению с оригинальной конструкцией.
Для двухрядных радиально-упорных шарикоподшипников: подшипник с защитной шайбой, без канавки на внутреннем кольце.
Очищенная монтажная шайба, комплект с подшипником. Тип-выжимные подшипники.
Самоустанавливающийся шарикоподшипник с более высокой грузоподъемностью по сравнению с оригинальной конструкцией. Одинарные манжетные уплотнения - стандарт. Одно механическое уплотнение.
Внешнее самоцентрирование.
Внешнее самоцентрирование. Сепаратор расположен на внутреннем кольце.
Сепаратор: Сепаратор из стеклонаполненного полиамида (PA66), защелкивающийся сепаратор, с центрированием по телам качения. Внутренний зазор больше нормального.
Сепаратор: Сепаратор из стеклонаполненного полиамида (PA66), защелкивающийся сепаратор, с центрированием по телам качения.
Сепаратор: Сепаратор из стеклонаполненного полиамида (PA66), защелкивающийся сепаратор, с центрированием по телам качения. Внутренний зазор больше нормального. Двухрядный радиально-упорный подшипник со слотом для ввода шариков, стандартная ширина и сходящиеся внутрь углы контакта, нежесткая конструкция.
Двухрядный радиально-упорный подшипник со слотом для ввода шариков, стандартная ширина и сходящиеся внутрь углы контакта, нежесткая конструкция.
Двухрядный радиально-упорный подшипник со слотом для ввода шариков, стандартная ширина и сходящиеся внутрь углы контакта, нежесткая конструкция.
Внутренний зазор больше нормального. Полиамидный сепаратор.
| Товар / Аналог | Тип | Расшифровка / Описание |
|---|---|---|
| SS7207 2RS | Радиально-упорный шариковый подшипник | Уплотнение с обеих сторон, NBR. |
| 207S-HYB#1 | Шариковый подшипник | Внешнее самоцентрирование. Уровень предварительной нагрузки: тяжелый. Штампованный латунный сепаратор. Угол контакта α=40. |
| 1207 EKTN9 | Самоустанавливающийся шариковый подшипник | Сепаратор из полиамида, армированного стекловолокном. Упорный шариковый подшипник без упорного кольца. |
| 1207 EM | Самоустанавливающийся шариковый подшипник | Обрабатываемый бронзовый сепаратор для самоустанавливающихся шарикоподшипников. Самоустанавливающийся шарикоподшипник с более высокой грузоподъемностью по сравнению с оригинальной конструкцией. |
| 1207 ETN9 | Самоустанавливающийся шариковый подшипник | Сепаратор из полиамида, армированного стекловолокном. Самоустанавливающийся шарикоподшипник с более высокой грузоподъемностью по сравнению с оригинальной конструкцией. |
| S1207 EKTN9 | Самоустанавливающийся шариковый подшипник | Шарики и кольца из материала AISI 440C. Сепаратор из полиамида, армированного стекловолокном. Упорный шариковый подшипник без упорного кольца. |
| S1207 EM | Самоустанавливающийся шариковый подшипник | Шарики и кольца из материала AISI 440C. Обрабатываемый бронзовый сепаратор для самоустанавливающихся шарикоподшипников. Самоустанавливающийся шарикоподшипник с более высокой грузоподъемностью по сравнению с оригинальной конструкцией. |
| S1207 ETN9 | Самоустанавливающийся шариковый подшипник | Шарики и кольца из материала AISI 440C. Сепаратор из полиамида, армированного стекловолокном. Самоустанавливающийся шарикоподшипник с более высокой грузоподъемностью по сравнению с оригинальной конструкцией. |
| CE1207ZR | Самоустанавливающийся шариковый подшипник | Для двухрядных радиально-упорных шарикоподшипников: подшипник с защитной шайбой, без канавки на внутреннем кольце. |
| CE1207SC | Самоустанавливающийся шариковый подшипник | Очищенная монтажная шайба, комплект с подшипником. Тип-выжимные подшипники. |
| 1207L0EN | Шариковый подшипник | Самоустанавливающийся шарикоподшипник с более высокой грузоподъемностью по сравнению с оригинальной конструкцией. Одинарные манжетные уплотнения - стандарт. Одно механическое уплотнение. |
| 1207S | Шариковый подшипник | Внешнее самоцентрирование. |
| CE1207SI | Самоустанавливающийся шариковый подшипник | Внешнее самоцентрирование. Сепаратор расположен на внутреннем кольце. |
| 1207-TVH-C3 | Самоустанавливающийся шариковый подшипник | Сепаратор: Сепаратор из стеклонаполненного полиамида (PA66), защелкивающийся сепаратор, с центрированием по телам качения. Внутренний зазор больше нормального. |
| 1207-TVH | Самоустанавливающийся шариковый подшипник | Сепаратор: Сепаратор из стеклонаполненного полиамида (PA66), защелкивающийся сепаратор, с центрированием по телам качения. |
| 1207-K-TVH-C3 | Самоустанавливающийся шариковый подшипник | Сепаратор: Сепаратор из стеклонаполненного полиамида (PA66), защелкивающийся сепаратор, с центрированием по телам качения. Внутренний зазор больше нормального. Двухрядный радиально-упорный подшипник со слотом для ввода шариков, стандартная ширина и сходящиеся внутрь углы контакта, нежесткая конструкция. |
| 1207 K | Самоустанавливающийся шариковый подшипник | Двухрядный радиально-упорный подшипник со слотом для ввода шариков, стандартная ширина и сходящиеся внутрь углы контакта, нежесткая конструкция. |
| 1207K | Самоустанавливающийся шариковый подшипник | Двухрядный радиально-упорный подшипник со слотом для ввода шариков, стандартная ширина и сходящиеся внутрь углы контакта, нежесткая конструкция. |
| 1207 | Самоустанавливающийся шариковый подшипник | |
| 1207TNC3 | Самоустанавливающийся шариковый подшипник | Внутренний зазор больше нормального. Полиамидный сепаратор. |
Безусловно! Наши инженеры помогут найти идентичную замену или подобрать более износостойкий аналог. Свяжитесь с нами по телефону +7 (499) 229-40-33 или отправьте запрос на zakaz@prom-pod.ru.
Чтобы ускорить процесс, укажите маркировку с кольца подшипника, его размеры (d x D x B) или модель оборудования.
Да, для оптовых и постоянных партнеров мы предлагаем индивидуальный прайс-лист. Мы ценим долгосрочное сотрудничество и предоставляем гибкие условия.
Размер скидки фиксируется персонально и зависит от:
Для получения коммерческого предложения с учетом вашей скидки напишите на почту zakaz@prom-pod.ru.
Выберите наиболее удобный для вас вариант:
Для корпоративных клиентов у нас выделен отдельный отдел сопровождения. Позвоните по номеру +7 (499) 229-40-33 или пришлите реквизиты компании на email zakaz@prom-pod.ru.
Мы подготовим счет и полный пакет закрывающих документов в кратчайшие сроки.
Возврат изделий надлежащего качества возможен в течение 10 дней. Важно сохранить заводскую упаковку, товарный вид и отсутствие следов установки (монтажа).
Средства возвращаются в течение 10 рабочих дней после приемки и проверки товара на нашем складе.
Согласно регламенту, мы не принимаем к возврату подшипники со вскрытой упаковкой или явными признаками эксплуатации.
При этом мы полностью несем гарантийные обязательства: в случае обнаружения заводского брака производится оперативная замена или возврат средств.
Стандартный гарантийный срок хранения составляет 2 года. Чтобы подшипник сохранил свои свойства, важно держать его в сухом месте, в заводской упаковке и штатной консервационной смазке.
По конкретным сериям продукции точную информацию всегда подскажут наши менеджеры.
Мы на связи в будние дни с 8:00 до 17:00 (по Москве). Суббота и воскресенье — выходные.
Онлайн-заявки через сайт можно оставлять 24/7. Мы обработаем их в приоритетном порядке сразу в начале следующего рабочего дня.
Для оформления доставки минимальный порог составляет 3000 рублей. Если вы планируете забрать товар самовывозом, сумма заказа может быть любой (при условии наличия позиции на складе).
Еще никто не писал отзывов. Напишите первым!
Поговорите с экспертом нашей компании, за несколько минут он поможет вам не ошибиться в выборе, примет заказ в телефонном режиме и организуют оперативную доставку.
Получите бесплатную консультацию эксперта прямо сейчас!

Компания Prom-Pod.ru
Москва, Россия
Контакты: +7 499 229–40–33
zakaz@prom-pod.ru, prom-pod@mail.ru