7201 CD/P4ADT
В наличии
Будет доступен:
Цена на подшипник 7201 CD/P4ADT является расчетной и зависит от следующих факторов:
Для уточнения актуальной цены и наличия:
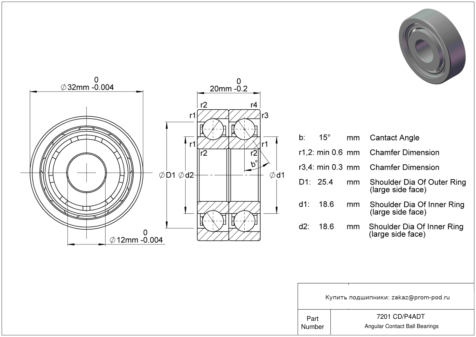
Однорядные радиально-упорные шарикоподшипники с углом контакта α=25. Комплект из четырех подшипников, установленных по схеме спина к спине. Р4А - специальный класс точности для прецизионных упорных радиальных подшипников - допуски Р4 кроме наружного диаметра.
Однорядные радиально-упорные шарикоподшипники с углом контакта α=25. Р4А - специальный класс точности для прецизионных упорных радиальных подшипников - допуски Р4 кроме наружного диаметра. Угол контакта 25 градусов. Дуплекс пара, схема монтажа X лицом к лицу.
Однорядные радиально-упорные шарикоподшипники с углом контакта α=25. Комплект из трех подшипников, установленных по схеме тандем/лицом к лицу. Р4А - специальный класс точности для прецизионных упорных радиальных подшипников - допуски Р4 кроме наружного диаметра.
Однорядные радиально-упорные шарикоподшипники с углом контакта α=25. DG+A. Два однорядных радиально-упорных шарикоподшипника в универсальном исполнении, т. е. пригодные для монтажа по любой схеме: 0-образной, Х-образной или тандем. Обозначения осевого зазора или предварительного натяга также, как у DB. Очень лёгкий преднатяг (серии 719 D, 70 D и 72 D) или Лёгкий преднатяг (серии 718 D, 719 E, 70 E, 719 B и 70 B). Р4А - специальный класс точности для прецизионных упорных радиальных подшипников - допуски Р4 кроме наружного диаметра.
Однорядные радиально-упорные шарикоподшипники с углом контакта α=25. DG+B. Два однорядных радиально-упорных шарикоподшипника в универсальном исполнении, т. е. пригодные для монтажа по любой схеме: 0-образной, Х-образной или тандем. Обозначения осевого зазора или предварительного натяга также, как у DB. Лёгкий преднатяг (серии 719 D, 70 D и 72 D) или Средний преднатяг (серии 718 D, 719 E, 70 E, 719 B и 70 B). Р4А - специальный класс точности для прецизионных упорных радиальных подшипников - допуски Р4 кроме наружного диаметра.
Однорядные радиально-упорные шарикоподшипники с углом контакта α=25. DG+C. Два однорядных радиально-упорных шарикоподшипника в универсальном исполнении, т. е. пригодные для монтажа по любой схеме: 0-образной, Х-образной или тандем. Обозначения осевого зазора или предварительного натяга также, как у DB. Средний преднатяг (серии 719 D, 70 D и 72 D) или Большой преднатяг (серии 718 D, 719 E, 70 E, 719 B и 70 B). Р4А - специальный класс точности для прецизионных упорных радиальных подшипников - допуски Р4 кроме наружного диаметра.
DG+A. Два однорядных радиально-упорных шарикоподшипника в универсальном исполнении, т. е. пригодные для монтажа по любой схеме: 0-образной, Х-образной или тандем. Обозначения осевого зазора или предварительного натяга также, как у DB. Очень лёгкий преднатяг (серии 719 D, 70 D и 72 D) или Лёгкий преднатяг (серии 718 D, 719 E, 70 E, 719 B и 70 B). Р4А - специальный класс точности для прецизионных упорных радиальных подшипников - допуски Р4 кроме наружного диаметра. Прецизионный однорядный радиально-упорный шарикоподшипник, угол контакта α=15. Тела качения из нитрида кремния.
Р4А - специальный класс точности для прецизионных упорных радиальных подшипников - допуски Р4 кроме наружного диаметра. Угол контакта 25 градусов. Дуплекс пара, схема монтажа O спина к спине. Прецизионный однорядный радиально-упорный шарикоподшипник, угол контакта α=15.
Комплект из четырех подшипников, установленных по схеме спина к спине. Р4А - специальный класс точности для прецизионных упорных радиальных подшипников - допуски Р4 кроме наружного диаметра. Прецизионный однорядный радиально-упорный шарикоподшипник, угол контакта α=15.
Р4А - специальный класс точности для прецизионных упорных радиальных подшипников - допуски Р4 кроме наружного диаметра. Дуплекс пара, схема монтажа O спина к спине. Прецизионный однорядный радиально-упорный шарикоподшипник, угол контакта α=15. Двухрядный радиально-упорный шарикоподшипник без слота для ввода шариков, со сходящимися наружу углами контакта, жесткая конструкция.
DG+A. Два однорядных радиально-упорных шарикоподшипника в универсальном исполнении, т. е. пригодные для монтажа по любой схеме: 0-образной, Х-образной или тандем. Обозначения осевого зазора или предварительного натяга также, как у DB. Очень лёгкий преднатяг (серии 719 D, 70 D и 72 D) или Лёгкий преднатяг (серии 718 D, 719 E, 70 E, 719 B и 70 B). Р4А - специальный класс точности для прецизионных упорных радиальных подшипников - допуски Р4 кроме наружного диаметра. Прецизионный однорядный радиально-упорный шарикоподшипник, угол контакта α=15.
DG+B. Два однорядных радиально-упорных шарикоподшипника в универсальном исполнении, т. е. пригодные для монтажа по любой схеме: 0-образной, Х-образной или тандем. Обозначения осевого зазора или предварительного натяга также, как у DB. Лёгкий преднатяг (серии 719 D, 70 D и 72 D) или Средний преднатяг (серии 718 D, 719 E, 70 E, 719 B и 70 B). Р4А - специальный класс точности для прецизионных упорных радиальных подшипников - допуски Р4 кроме наружного диаметра. Прецизионный однорядный радиально-упорный шарикоподшипник, угол контакта α=15.
Безусловно! Наши инженеры помогут найти идентичную замену или подобрать более износостойкий аналог. Свяжитесь с нами по телефону +7 (499) 229-40-33 или отправьте запрос на zakaz@prom-pod.ru.
Чтобы ускорить процесс, укажите маркировку с кольца подшипника, его размеры (d x D x B) или модель оборудования.
Да, для оптовых и постоянных партнеров мы предлагаем индивидуальный прайс-лист. Мы ценим долгосрочное сотрудничество и предоставляем гибкие условия.
Размер скидки фиксируется персонально и зависит от:
Для получения коммерческого предложения с учетом вашей скидки напишите на почту zakaz@prom-pod.ru.
Выберите наиболее удобный для вас вариант:
Для корпоративных клиентов у нас выделен отдельный отдел сопровождения. Позвоните по номеру +7 (499) 229-40-33 или пришлите реквизиты компании на email zakaz@prom-pod.ru.
Мы подготовим счет и полный пакет закрывающих документов в кратчайшие сроки.
Возврат изделий надлежащего качества возможен в течение 10 дней. Важно сохранить заводскую упаковку, товарный вид и отсутствие следов установки (монтажа).
Средства возвращаются в течение 10 рабочих дней после приемки и проверки товара на нашем складе.
Согласно регламенту, мы не принимаем к возврату подшипники со вскрытой упаковкой или явными признаками эксплуатации.
При этом мы полностью несем гарантийные обязательства: в случае обнаружения заводского брака производится оперативная замена или возврат средств.
Стандартный гарантийный срок хранения составляет 2 года. Чтобы подшипник сохранил свои свойства, важно держать его в сухом месте, в заводской упаковке и штатной консервационной смазке.
По конкретным сериям продукции точную информацию всегда подскажут наши менеджеры.
Мы на связи в будние дни с 8:00 до 17:00 (по Москве). Суббота и воскресенье — выходные.
Онлайн-заявки через сайт можно оставлять 24/7. Мы обработаем их в приоритетном порядке сразу в начале следующего рабочего дня.
Для оформления доставки минимальный порог составляет 3000 рублей. Если вы планируете забрать товар самовывозом, сумма заказа может быть любой (при условии наличия позиции на складе).
Еще никто не писал отзывов. Напишите первым!
Поговорите с экспертом нашей компании, за несколько минут он поможет вам не ошибиться в выборе, примет заказ в телефонном режиме и организуют оперативную доставку.
Получите бесплатную консультацию эксперта прямо сейчас!

Компания Prom-Pod.ru
Москва, Россия
Контакты: +7 499 229–40–33
zakaz@prom-pod.ru, prom-pod@mail.ru