7001 CDGC/P4A
В наличии
Будет доступен:
Цена на подшипник 7001 CDGC/P4A является расчетной и зависит от следующих факторов:
Для уточнения актуальной цены и наличия:
Удлиненное внутреннее кольцо, вставка из нержавеющей стали, литые манжетные уплотнения.
Для двухрядных радиально-упорных шарикоподшипников: подшипник с защитной шайбой, без канавки на внутреннем кольце.
Уплотнение с двух сторон. Для двухрядных радиально-упорных шарикоподшипников: подшипник с защитной шайбой, без канавки на внутреннем кольце.
Внешнее самоцентрирование. Сепаратор расположен на внутреннем кольце.
Уплотнение с двух сторон. Внешнее самоцентрирование. Сепаратор расположен на внутреннем кольце.
Очищенная монтажная шайба, комплект с подшипником. Тип-выжимные подшипники. Уплотнение с двух сторон.
Высокоскоростные радиально-упорные шпиндельные подшипники, бесконтактные уплотнения с двух сторон. Класс точности P4S. Класс точности (FAG) для шпиндельных подшипников: размере и форму допуска в соответствии с P4, допуск на вращение в соответствии с P2. Универсальное исполнение - легкий преднатяг. Двухрядный радиально-упорный шарикоподшипник без слота для ввода шариков, со сходящимися наружу углами контакта, жесткая конструкция. Одно фетровое уплотнение.
Высокоскоростные радиально-упорные шпиндельные подшипники, бесконтактные уплотнения с двух сторон. Класс точности P4S. Класс точности (FAG) для шпиндельных подшипников: размере и форму допуска в соответствии с P4, допуск на вращение в соответствии с P2. Универсальное исполнение - легкий преднатяг. Самоустанавливающийся шарикоподшипник с более высокой грузоподъемностью по сравнению с оригинальной конструкцией. Одно фетровое уплотнение.
Высокоскоростные радиально-упорные шпиндельные подшипники. Класс точности P4S. Класс точности (FAG) для шпиндельных подшипников: размере и форму допуска в соответствии с P4, допуск на вращение в соответствии с P2. Универсальное исполнение - легкий преднатяг. Самоустанавливающийся шарикоподшипник с более высокой грузоподъемностью по сравнению с оригинальной конструкцией. Одно фетровое уплотнение.
Высокоскоростные радиально-упорные шпиндельные подшипники. Класс точности P4S. Класс точности (FAG) для шпиндельных подшипников: размере и форму допуска в соответствии с P4, допуск на вращение в соответствии с P2. Универсальное исполнение - легкий преднатяг. Двухрядный радиально-упорный шарикоподшипник без слота для ввода шариков, со сходящимися наружу углами контакта, жесткая конструкция. Одно фетровое уплотнение.
Стандартное исполнение радиально-упорных шпиндельных подшипников. Класс точности P4S. Класс точности (FAG) для шпиндельных подшипников: размере и форму допуска в соответствии с P4, допуск на вращение в соответствии с P2. Универсальное исполнение - легкий преднатяг. Самоустанавливающийся шарикоподшипник с более высокой грузоподъемностью по сравнению с оригинальной конструкцией. Одно фетровое уплотнение.
Стандартное исполнение радиально-упорных шпиндельных подшипников. Класс точности P4S. Класс точности (FAG) для шпиндельных подшипников: размере и форму допуска в соответствии с P4, допуск на вращение в соответствии с P2. Универсальное исполнение - легкий преднатяг. Двухрядный радиально-упорный шарикоподшипник без слота для ввода шариков, со сходящимися наружу углами контакта, жесткая конструкция. Одно фетровое уплотнение.
Керамические подшипники качения гибридные (кольца, изготовленные из стали, элементы качения из керамического материала). Конструкция HCS закрыта с обеих сторон RSD уплотнениями. Класс точности P4S. Класс точности (FAG) для шпиндельных подшипников: размере и форму допуска в соответствии с P4, допуск на вращение в соответствии с P2. Универсальное исполнение - легкий преднатяг. Самоустанавливающийся шарикоподшипник с более высокой грузоподъемностью по сравнению с оригинальной конструкцией. Одно фетровое уплотнение.
Радиально-упорные шпиндельные подшипники с керамическими шариками. Класс точности P4S. Класс точности (FAG) для шпиндельных подшипников: размере и форму допуска в соответствии с P4, допуск на вращение в соответствии с P2. Универсальное исполнение - легкий преднатяг. Двухрядный радиально-упорный шарикоподшипник без слота для ввода шариков, со сходящимися наружу углами контакта, жесткая конструкция. Одно фетровое уплотнение.
Радиально-упорные шпиндельные подшипники с керамическими шариками. Класс точности P4S. Класс точности (FAG) для шпиндельных подшипников: размере и форму допуска в соответствии с P4, допуск на вращение в соответствии с P2. Универсальное исполнение - легкий преднатяг. Самоустанавливающийся шарикоподшипник с более высокой грузоподъемностью по сравнению с оригинальной конструкцией. Одно фетровое уплотнение.
X-life ultra керамические шарики. Класс точности P4S. Класс точности (FAG) для шпиндельных подшипников: размере и форму допуска в соответствии с P4, допуск на вращение в соответствии с P2. Универсальное исполнение - легкий преднатяг. Самоустанавливающийся шарикоподшипник с более высокой грузоподъемностью по сравнению с оригинальной конструкцией. Одно фетровое уплотнение.
Радиально-упорные шпиндельные подшипники с кольцами из высококачественной стали CRONIDUR 30, высокоскоростные, с керамическими шариками, бесконтактные уплотнения с двух сторон. Класс точности P4S. Класс точности (FAG) для шпиндельных подшипников: размере и форму допуска в соответствии с P4, допуск на вращение в соответствии с P2. Универсальное исполнение - легкий преднатяг. Самоустанавливающийся шарикоподшипник с более высокой грузоподъемностью по сравнению с оригинальной конструкцией. Одно фетровое уплотнение.
Стандартное исполнение радиально-упорных шпиндельных подшипников. Бесконтактное уплотнение с обеих сторон, от 62 мм, NBR. Класс точности P4S. Класс точности (FAG) для шпиндельных подшипников: размере и форму допуска в соответствии с P4, допуск на вращение в соответствии с P2. Универсальное исполнение - легкий преднатяг. Самоустанавливающийся шарикоподшипник с более высокой грузоподъемностью по сравнению с оригинальной конструкцией. Одно фетровое уплотнение.
Стандартное исполнение радиально-упорных шпиндельных подшипников. Бесконтактное уплотнение с обеих сторон, от 62 мм, NBR. Класс точности P4S. Класс точности (FAG) для шпиндельных подшипников: размере и форму допуска в соответствии с P4, допуск на вращение в соответствии с P2. Универсальное исполнение - легкий преднатяг. Двухрядный радиально-упорный шарикоподшипник без слота для ввода шариков, со сходящимися наружу углами контакта, жесткая конструкция. Одно фетровое уплотнение.
Радиально-упорные шпиндельные подшипники с керамическими шариками. Бесконтактное уплотнение с обеих сторон, от 62 мм, NBR. Класс точности P4S. Класс точности (FAG) для шпиндельных подшипников: размере и форму допуска в соответствии с P4, допуск на вращение в соответствии с P2. Универсальное исполнение - легкий преднатяг. Самоустанавливающийся шарикоподшипник с более высокой грузоподъемностью по сравнению с оригинальной конструкцией. Одно фетровое уплотнение.
Радиально-упорные шпиндельные подшипники с керамическими шариками. Бесконтактное уплотнение с обеих сторон, от 62 мм, NBR. Класс точности P4S. Класс точности (FAG) для шпиндельных подшипников: размере и форму допуска в соответствии с P4, допуск на вращение в соответствии с P2. Универсальное исполнение - легкий преднатяг. Двухрядный радиально-упорный шарикоподшипник без слота для ввода шариков, со сходящимися наружу углами контакта, жесткая конструкция. Одно фетровое уплотнение.
Керамические подшипники качения гибридные (кольца, изготовленные из стали, элементы качения из керамического материала). Класс точности P4S. Класс точности (FAG) для шпиндельных подшипников: размере и форму допуска в соответствии с P4, допуск на вращение в соответствии с P2. Универсальное исполнение - легкий преднатяг. Самоустанавливающийся шарикоподшипник с более высокой грузоподъемностью по сравнению с оригинальной конструкцией. Одно фетровое уплотнение.
Однорядные радиально-упорные шарикоподшипники с углом контакта α=25. Р4А - специальный класс точности для прецизионных упорных радиальных подшипников - допуски Р4 кроме наружного диаметра.
Угол контакта α=25, высокоскоростные, тип E. Р4А - специальный класс точности для прецизионных упорных радиальных подшипников - допуски Р4 кроме наружного диаметра.
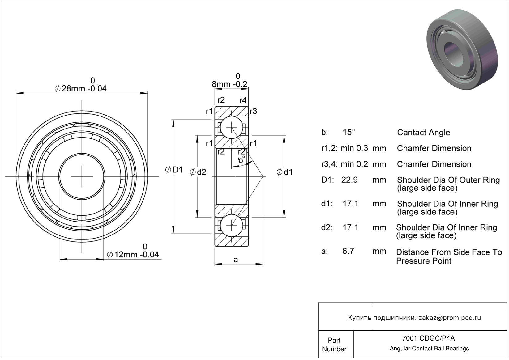
Р4А - специальный класс точности для прецизионных упорных радиальных подшипников - допуски Р4 кроме наружного диаметра. Прецизионный однорядный радиально-упорный шарикоподшипник, угол контакта α=15.
Р4А - специальный класс точности для прецизионных упорных радиальных подшипников - допуски Р4 кроме наружного диаметра. Угол контакта α=15, высокоскоростные, тип E.
Однорядные радиально-упорные шарикоподшипники с углом контакта α=25. Р4А - специальный класс точности для прецизионных упорных радиальных подшипников - допуски Р4 кроме наружного диаметра. Тела качения из нитрида кремния.
Угол контакта α=25, высокоскоростные, тип E. Р4А - специальный класс точности для прецизионных упорных радиальных подшипников - допуски Р4 кроме наружного диаметра. Тела качения из нитрида кремния.
Р4А - специальный класс точности для прецизионных упорных радиальных подшипников - допуски Р4 кроме наружного диаметра. Прецизионный однорядный радиально-упорный шарикоподшипник, угол контакта α=15. Тела качения из нитрида кремния.
Р4А - специальный класс точности для прецизионных упорных радиальных подшипников - допуски Р4 кроме наружного диаметра. Угол контакта α=15, высокоскоростные, тип E. Тела качения из нитрида кремния.
Уплотнение с обеих сторон, NBR.
Два уплотнения Mechani-Seals, взаимозаменяемые с серией RR, но имеющие бесконтактные лабиринтные уплотнения и стальные сепараторы для работы при низких крутящих моментах, высоких скоростях и высоких температурах. (До 350°F/176°C). Одно механическое уплотнение. Одно уплотнение.
Специальная сталь с термообработкой для более длительного срока службы. Бесконтактное (лабиринтное) уплотнение с двух сторон подшипника. Внутренний зазор больше нормального.
Подшипники для высоких рабочих температур. Однорядный подшипник с шириной картриджа, сверхмалого размера, с двумя уплотнениями из синтетической резины. Заполнение смазкой: от 30 до 40%. Одно механическое уплотнение.
Шарики и кольца из материала AISI 440C.
Шарики и кольца из материала AISI 440C. Уплотнение с обеих сторон, NBR.
Шарики и кольца из материала AISI 440C. Два уплотнителя из синтетического каучука.
Уплотнение с обеих сторон, NBR.
Двухрядный радиально-упорный шарикоподшипник без слота для ввода шариков, со сходящимися наружу углами контакта, жесткая конструкция.
S+MR. Внутренний зазор больше нормального. Жесткая конструкция, максимальная вместимость, стандартная ширина. Сепаратор из текстолита, ценрируемый по шарикам. Двухрядный радиально-упорный шарикоподшипник без слота для ввода шариков, со сходящимися наружу углами контакта, жесткая конструкция. Сходящийся наружу угол контакта со слотом для ввода шариков серии 5000. Жесткая конструкция. Одинарные манжетные уплотнения - стандарт. Внешнее самоцентрирование. Штампованный латунный сепаратор.
S+MR. Внутренний зазор больше нормального. Жесткая конструкция, максимальная вместимость, стандартная ширина. Сепаратор из текстолита, ценрируемый по шарикам. Уплотнение типа Synchro Seal с двух сторон. Специальное уплотнение, которое подходит для низкмх крутящих моментов. Материал-тефлон наполненный стекловолокном. Двухрядный радиально-упорный шарикоподшипник без слота для ввода шариков, со сходящимися наружу углами контакта, жесткая конструкция. Сходящийся наружу угол контакта со слотом для ввода шариков серии 5000. Жесткая конструкция. Одинарные манжетные уплотнения - стандарт. Штампованный латунный сепаратор.
Тип подшипника: Метрический специальный. Уплотнение с обеих сторон, NBR. Внутренний зазор больше нормального. Класс точности P2. Сепаратор из текстолита, ценрируемый по шарикам. Двухрядный радиально-упорный шарикоподшипник без слота для ввода шариков, со сходящимися наружу углами контакта, жесткая конструкция. Самоустанавливающийся шарикоподшипник с более высокой грузоподъемностью по сравнению с оригинальной конструкцией.
Тип подшипника: Метрический специальный. Бесконтактное уплотнение с двух сторон. Внутренний зазор больше нормального. Сепаратор из текстолита, ценрируемый по шарикам. Двухрядный радиально-упорный шарикоподшипник без слота для ввода шариков, со сходящимися наружу углами контакта, жесткая конструкция. Одно механическое уплотнение.
Тип подшипника: Метрический специальный. Бесконтактное уплотнение с двух сторон. Внутренний зазор больше нормального. Сепаратор из текстолита, ценрируемый по шарикам. Двухрядный радиально-упорный шарикоподшипник без слота для ввода шариков, со сходящимися наружу углами контакта, жесткая конструкция. Одно механическое уплотнение. Для упорных шарикоподшипников: наружный диаметр шайбы вала меньше, чем шайбы корпуса.
S+MR. Тип смазки: Exxon Beacon 325. Два уплотнителя из синтетического каучука. Двухрядный радиально-упорный шарикоподшипник без слота для ввода шариков, со сходящимися наружу углами контакта, жесткая конструкция. Обрабатываемый бронзовый сепаратор для самоустанавливающихся шарикоподшипников.
S+MR. Двухрядный радиально-упорный шарикоподшипник без слота для ввода шариков, со сходящимися наружу углами контакта, жесткая конструкция. Сходящийся наружу угол контакта со слотом для ввода шариков серии 5000. Жесткая конструкция. Одинарные манжетные уплотнения - стандарт. Внешнее самоцентрирование. Штампованный латунный сепаратор.
S+MR. Уплотнение типа Synchro Seal с двух сторон. Специальное уплотнение, которое подходит для низкмх крутящих моментов. Материал-тефлон наполненный стекловолокном. Двухрядный радиально-упорный шарикоподшипник без слота для ввода шариков, со сходящимися наружу углами контакта, жесткая конструкция. Сходящийся наружу угол контакта со слотом для ввода шариков серии 5000. Жесткая конструкция. Одинарные манжетные уплотнения - стандарт. Штампованный латунный сепаратор.
S+MR. Внутренний зазор больше нормального. Двухрядный радиально-упорный шарикоподшипник без слота для ввода шариков, со сходящимися наружу углами контакта, жесткая конструкция. Сходящийся наружу угол контакта со слотом для ввода шариков серии 5000. Жесткая конструкция. Одинарные манжетные уплотнения - стандарт. Внешнее самоцентрирование. Штампованный латунный сепаратор.
S+MR. Внутренний зазор больше нормального. Уплотнение типа Synchro Seal с двух сторон. Специальное уплотнение, которое подходит для низкмх крутящих моментов. Материал-тефлон наполненный стекловолокном. Двухрядный радиально-упорный шарикоподшипник без слота для ввода шариков, со сходящимися наружу углами контакта, жесткая конструкция. Сходящийся наружу угол контакта со слотом для ввода шариков серии 5000. Жесткая конструкция. Одинарные манжетные уплотнения - стандарт. Штампованный латунный сепаратор.
| Товар / Аналог | Тип | Расшифровка / Описание |
|---|---|---|
| SS7001 2RS | Радиально-упорный шариковый подшипник | Уплотнение с обеих сторон, NBR. |
| SSN001LL/LP03 | Шариковый подшипник | Два уплотнения Mechani-Seals, взаимозаменяемые с серией RR, но имеющие бесконтактные лабиринтные уплотнения и стальные сепараторы для работы при низких крутящих моментах, высоких скоростях и высоких температурах. (До 350°F/176°C). Одно механическое уплотнение. Одно уплотнение. |
| TMB001LLBC3 | Шариковый подшипник | Специальная сталь с термообработкой для более длительного срока службы. Бесконтактное (лабиринтное) уплотнение с двух сторон подшипника. Внутренний зазор больше нормального. |
| TS3-6001ZZC4/L353QQ | Шариковый подшипник | Подшипники для высоких рабочих температур. Однорядный подшипник с шириной картриджа, сверхмалого размера, с двумя уплотнениями из синтетической резины. Заполнение смазкой: от 30 до 40%. Одно механическое уплотнение. |
| S6001 | Шариковый подшипник | Шарики и кольца из материала AISI 440C. |
| S6001 2rs | Шариковый подшипник | Шарики и кольца из материала AISI 440C. Уплотнение с обеих сторон, NBR. |
| S6001zz | Шариковый подшипник | Шарики и кольца из материала AISI 440C. Два уплотнителя из синтетического каучука. |
| 6001 | Шариковый подшипник | |
| 6001 2RS | Шариковый подшипник | Уплотнение с обеих сторон, NBR. |
| 6001C | Шариковый подшипник | Двухрядный радиально-упорный шарикоподшипник без слота для ввода шариков, со сходящимися наружу углами контакта, жесткая конструкция. |
| SMR6001C-2YS/TH9/C3 BK #5 NB2 | Шариковый подшипник | S+MR. Внутренний зазор больше нормального. Жесткая конструкция, максимальная вместимость, стандартная ширина. Сепаратор из текстолита, ценрируемый по шарикам. Двухрядный радиально-упорный шарикоподшипник без слота для ввода шариков, со сходящимися наружу углами контакта, жесткая конструкция. Сходящийся наружу угол контакта со слотом для ввода шариков серии 5000. Жесткая конструкция. Одинарные манжетные уплотнения - стандарт. Внешнее самоцентрирование. Штампованный латунный сепаратор. |
| SMR6001C-YUU/TH9/C3 BK #5 NB2 | Шариковый подшипник | S+MR. Внутренний зазор больше нормального. Жесткая конструкция, максимальная вместимость, стандартная ширина. Сепаратор из текстолита, ценрируемый по шарикам. Уплотнение типа Synchro Seal с двух сторон. Специальное уплотнение, которое подходит для низкмх крутящих моментов. Материал-тефлон наполненный стекловолокном. Двухрядный радиально-упорный шарикоподшипник без слота для ввода шариков, со сходящимися наружу углами контакта, жесткая конструкция. Сходящийся наружу угол контакта со слотом для ввода шариков серии 5000. Жесткая конструкция. Одинарные манжетные уплотнения - стандарт. Штампованный латунный сепаратор. |
| MR6001C-2RS/TH9/C3 #5 EP2 | Шариковый подшипник | Тип подшипника: Метрический специальный. Уплотнение с обеих сторон, NBR. Внутренний зазор больше нормального. Класс точности P2. Сепаратор из текстолита, ценрируемый по шарикам. Двухрядный радиально-упорный шарикоподшипник без слота для ввода шариков, со сходящимися наружу углами контакта, жесткая конструкция. Самоустанавливающийся шарикоподшипник с более высокой грузоподъемностью по сравнению с оригинальной конструкцией. |
| MR6001C-2RU TH9/C3 L55 | Шариковый подшипник | Тип подшипника: Метрический специальный. Бесконтактное уплотнение с двух сторон. Внутренний зазор больше нормального. Сепаратор из текстолита, ценрируемый по шарикам. Двухрядный радиально-упорный шарикоподшипник без слота для ввода шариков, со сходящимися наружу углами контакта, жесткая конструкция. Одно механическое уплотнение. |
| MR6001C-2RUXTH9/C3 L55 | Шариковый подшипник | Тип подшипника: Метрический специальный. Бесконтактное уплотнение с двух сторон. Внутренний зазор больше нормального. Сепаратор из текстолита, ценрируемый по шарикам. Двухрядный радиально-упорный шарикоподшипник без слота для ввода шариков, со сходящимися наружу углами контакта, жесткая конструкция. Одно механическое уплотнение. Для упорных шарикоподшипников: наружный диаметр шайбы вала меньше, чем шайбы корпуса. |
| SMR6001C-ZZ #3 MG2 | Шариковый подшипник | S+MR. Тип смазки: Exxon Beacon 325. Два уплотнителя из синтетического каучука. Двухрядный радиально-упорный шарикоподшипник без слота для ввода шариков, со сходящимися наружу углами контакта, жесткая конструкция. Обрабатываемый бронзовый сепаратор для самоустанавливающихся шарикоподшипников. |
| SMR6001C-2YS NB2 | Шариковый подшипник | S+MR. Двухрядный радиально-упорный шарикоподшипник без слота для ввода шариков, со сходящимися наружу углами контакта, жесткая конструкция. Сходящийся наружу угол контакта со слотом для ввода шариков серии 5000. Жесткая конструкция. Одинарные манжетные уплотнения - стандарт. Внешнее самоцентрирование. Штампованный латунный сепаратор. |
| SMR6001C-YUU NB2 | Шариковый подшипник | S+MR. Уплотнение типа Synchro Seal с двух сторон. Специальное уплотнение, которое подходит для низкмх крутящих моментов. Материал-тефлон наполненный стекловолокном. Двухрядный радиально-упорный шарикоподшипник без слота для ввода шариков, со сходящимися наружу углами контакта, жесткая конструкция. Сходящийся наружу угол контакта со слотом для ввода шариков серии 5000. Жесткая конструкция. Одинарные манжетные уплотнения - стандарт. Штампованный латунный сепаратор. |
| SMR6001C-2YS/C3 NB2 | Шариковый подшипник | S+MR. Внутренний зазор больше нормального. Двухрядный радиально-упорный шарикоподшипник без слота для ввода шариков, со сходящимися наружу углами контакта, жесткая конструкция. Сходящийся наружу угол контакта со слотом для ввода шариков серии 5000. Жесткая конструкция. Одинарные манжетные уплотнения - стандарт. Внешнее самоцентрирование. Штампованный латунный сепаратор. |
| SMR6001C-YUU/C3 NB2 | Шариковый подшипник | S+MR. Внутренний зазор больше нормального. Уплотнение типа Synchro Seal с двух сторон. Специальное уплотнение, которое подходит для низкмх крутящих моментов. Материал-тефлон наполненный стекловолокном. Двухрядный радиально-упорный шарикоподшипник без слота для ввода шариков, со сходящимися наружу углами контакта, жесткая конструкция. Сходящийся наружу угол контакта со слотом для ввода шариков серии 5000. Жесткая конструкция. Одинарные манжетные уплотнения - стандарт. Штампованный латунный сепаратор. |
Безусловно! Наши инженеры помогут найти идентичную замену или подобрать более износостойкий аналог. Свяжитесь с нами по телефону +7 (499) 229-40-33 или отправьте запрос на zakaz@prom-pod.ru.
Чтобы ускорить процесс, укажите маркировку с кольца подшипника, его размеры (d x D x B) или модель оборудования.
Да, для оптовых и постоянных партнеров мы предлагаем индивидуальный прайс-лист. Мы ценим долгосрочное сотрудничество и предоставляем гибкие условия.
Размер скидки фиксируется персонально и зависит от:
Для получения коммерческого предложения с учетом вашей скидки напишите на почту zakaz@prom-pod.ru.
Выберите наиболее удобный для вас вариант:
Для корпоративных клиентов у нас выделен отдельный отдел сопровождения. Позвоните по номеру +7 (499) 229-40-33 или пришлите реквизиты компании на email zakaz@prom-pod.ru.
Мы подготовим счет и полный пакет закрывающих документов в кратчайшие сроки.
Возврат изделий надлежащего качества возможен в течение 10 дней. Важно сохранить заводскую упаковку, товарный вид и отсутствие следов установки (монтажа).
Средства возвращаются в течение 10 рабочих дней после приемки и проверки товара на нашем складе.
Согласно регламенту, мы не принимаем к возврату подшипники со вскрытой упаковкой или явными признаками эксплуатации.
При этом мы полностью несем гарантийные обязательства: в случае обнаружения заводского брака производится оперативная замена или возврат средств.
Стандартный гарантийный срок хранения составляет 2 года. Чтобы подшипник сохранил свои свойства, важно держать его в сухом месте, в заводской упаковке и штатной консервационной смазке.
По конкретным сериям продукции точную информацию всегда подскажут наши менеджеры.
Мы на связи в будние дни с 8:00 до 17:00 (по Москве). Суббота и воскресенье — выходные.
Онлайн-заявки через сайт можно оставлять 24/7. Мы обработаем их в приоритетном порядке сразу в начале следующего рабочего дня.
Для оформления доставки минимальный порог составляет 3000 рублей. Если вы планируете забрать товар самовывозом, сумма заказа может быть любой (при условии наличия позиции на складе).
Еще никто не писал отзывов. Напишите первым!
Поговорите с экспертом нашей компании, за несколько минут он поможет вам не ошибиться в выборе, примет заказ в телефонном режиме и организуют оперативную доставку.
Получите бесплатную консультацию эксперта прямо сейчас!

Компания Prom-Pod.ru
Москва, Россия
Контакты: +7 499 229–40–33
zakaz@prom-pod.ru, prom-pod@mail.ru