71905 CE/HCP4AQGA
В наличии
Будет доступен:
Цена на подшипник 71905 CE/HCP4AQGA является расчетной и зависит от следующих факторов:
Для уточнения актуальной цены и наличия:
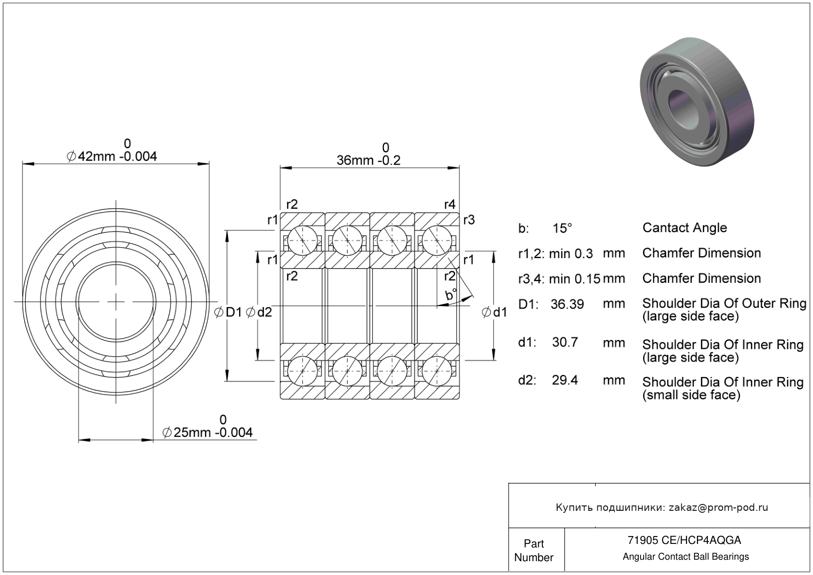
QBC+B. Комплект из четырёх взаимно пригнанных однорядных радиальных шарикоподшипников или радиально-упорных шарикоподшипников. Две пары подшипников, установленныхпо схеме тандем, составляются в комплект по 0-образной схеме. Обозначения осевого зазора или предварительного натяга такое же, как у DB. Лёгкий преднатяг (серии 719 D, 70 D и 72 D) или Средний преднатяг (серии 718 D, 719 E, 70 E, 719 B и 70 B). Р4А - специальный класс точности для прецизионных упорных радиальных подшипников - допуски Р4 кроме наружного диаметра. Прецизионный однорядный радиально-упорный шарикоподшипник, угол контакта α=15.
QBC+B. Комплект из четырёх взаимно пригнанных однорядных радиальных шарикоподшипников или радиально-упорных шарикоподшипников. Две пары подшипников, установленныхпо схеме тандем, составляются в комплект по 0-образной схеме. Обозначения осевого зазора или предварительного натяга такое же, как у DB. Лёгкий преднатяг (серии 719 D, 70 D и 72 D) или Средний преднатяг (серии 718 D, 719 E, 70 E, 719 B и 70 B). Однорядные радиально-упорные шарикоподшипники с углом контакта α=25. Р4А - специальный класс точности для прецизионных упорных радиальных подшипников - допуски Р4 кроме наружного диаметра.
QBC+C. Комплект из четырёх взаимно пригнанных однорядных радиальных шарикоподшипников или радиально-упорных шарикоподшипников. Две пары подшипников, установленныхпо схеме тандем, составляются в комплект по 0-образной схеме. Обозначения осевого зазора или предварительного натяга такое же, как у DB. Средний преднатяг (серии 719 D, 70 D и 72 D) или Большой преднатяг (серии 718 D, 719 E, 70 E, 719 B и 70 B). Однорядные радиально-упорные шарикоподшипники с углом контакта α=25. Р4А - специальный класс точности для прецизионных упорных радиальных подшипников - допуски Р4 кроме наружного диаметра.
QBC+D. Комплект из четырёх взаимно пригнанных однорядных радиальных шарикоподшипников или радиально-упорных шарикоподшипников. Две пары подшипников, установленныхпо схеме тандем, составляются в комплект по 0-образной схеме. Обозначения осевого зазора или предварительного натяга такое же, как у DB. Большой преднатяг (серии 719 D, 70 D и 72 D). Однорядные радиально-упорные шарикоподшипники с углом контакта α=25. Р4А - специальный класс точности для прецизионных упорных радиальных подшипников - допуски Р4 кроме наружного диаметра.
QBT+B. Комплект из четырёх взаимно пригнанных однорядных радиальных шарикоподшипников или радиально-упорных шарикоподшипников. Две пары подшипников, установленныхпо O-образной схеме, составляются в комплект с парой подшипников, установленных по схеме тандем. Обозначение осевого зазора или предварительного натяга такое же, как у DB. Лёгкий преднатяг (серии 719 D, 70 D и 72 D) или Средний преднатяг (серии 718 D, 719 E, 70 E, 719 B и 70 B). Однорядные радиально-упорные шарикоподшипники с углом контакта α=25. Р4А - специальный класс точности для прецизионных упорных радиальных подшипников - допуски Р4 кроме наружного диаметра.
QBT+C. Комплект из четырёх взаимно пригнанных однорядных радиальных шарикоподшипников или радиально-упорных шарикоподшипников. Две пары подшипников, установленныхпо O-образной схеме, составляются в комплект с парой подшипников, установленных по схеме тандем. Обозначение осевого зазора или предварительного натяга такое же, как у DB. Средний преднатяг (серии 719 D, 70 D и 72 D) или Большой преднатяг (серии 718 D, 719 E, 70 E, 719 B и 70 B). Однорядные радиально-упорные шарикоподшипники с углом контакта α=25. Р4А - специальный класс точности для прецизионных упорных радиальных подшипников - допуски Р4 кроме наружного диаметра.
QBC+B. Комплект из четырёх взаимно пригнанных однорядных радиальных шарикоподшипников или радиально-упорных шарикоподшипников. Две пары подшипников, установленныхпо схеме тандем, составляются в комплект по 0-образной схеме. Обозначения осевого зазора или предварительного натяга такое же, как у DB. Лёгкий преднатяг (серии 719 D, 70 D и 72 D) или Средний преднатяг (серии 718 D, 719 E, 70 E, 719 B и 70 B). Однорядные радиально-упорные шарикоподшипники с углом контакта α=25. Угол контакта 25 градусов. ABEC 9 по стандартам ABMA, соответствует P2. Одно уплотнение.
QBC+B. Комплект из четырёх взаимно пригнанных однорядных радиальных шарикоподшипников или радиально-упорных шарикоподшипников. Две пары подшипников, установленныхпо схеме тандем, составляются в комплект по 0-образной схеме. Обозначения осевого зазора или предварительного натяга такое же, как у DB. Лёгкий преднатяг (серии 719 D, 70 D и 72 D) или Средний преднатяг (серии 718 D, 719 E, 70 E, 719 B и 70 B). Угол контакта α=25, высокоскоростные, тип E. Угол контакта 25 градусов. Пара подшипников со специальным преднатягом, цифры указывают на среднее значение преднатяга в мкм. ABEC 9 по стандартам ABMA, соответствует P2. Плавающие лабиринтные уплотнения.
Шарики и кольца из материала AISI 440C. Р4А - специальный класс точности для прецизионных упорных радиальных подшипников - допуски Р4 кроме наружного диаметра. Комплект из четырёх взаимно пригнанных однорядных радиальных шарикоподшипников, составленный по схеме тандем. Угол контакта α=15, высокоскоростные, тип E. Тела качения из нитрида кремния.
Безусловно! Наши инженеры помогут найти идентичную замену или подобрать более износостойкий аналог. Свяжитесь с нами по телефону +7 (499) 229-40-33 или отправьте запрос на zakaz@prom-pod.ru.
Чтобы ускорить процесс, укажите маркировку с кольца подшипника, его размеры (d x D x B) или модель оборудования.
Да, для оптовых и постоянных партнеров мы предлагаем индивидуальный прайс-лист. Мы ценим долгосрочное сотрудничество и предоставляем гибкие условия.
Размер скидки фиксируется персонально и зависит от:
Для получения коммерческого предложения с учетом вашей скидки напишите на почту zakaz@prom-pod.ru.
Выберите наиболее удобный для вас вариант:
Для корпоративных клиентов у нас выделен отдельный отдел сопровождения. Позвоните по номеру +7 (499) 229-40-33 или пришлите реквизиты компании на email zakaz@prom-pod.ru.
Мы подготовим счет и полный пакет закрывающих документов в кратчайшие сроки.
Возврат изделий надлежащего качества возможен в течение 10 дней. Важно сохранить заводскую упаковку, товарный вид и отсутствие следов установки (монтажа).
Средства возвращаются в течение 10 рабочих дней после приемки и проверки товара на нашем складе.
Согласно регламенту, мы не принимаем к возврату подшипники со вскрытой упаковкой или явными признаками эксплуатации.
При этом мы полностью несем гарантийные обязательства: в случае обнаружения заводского брака производится оперативная замена или возврат средств.
Стандартный гарантийный срок хранения составляет 2 года. Чтобы подшипник сохранил свои свойства, важно держать его в сухом месте, в заводской упаковке и штатной консервационной смазке.
По конкретным сериям продукции точную информацию всегда подскажут наши менеджеры.
Мы на связи в будние дни с 8:00 до 17:00 (по Москве). Суббота и воскресенье — выходные.
Онлайн-заявки через сайт можно оставлять 24/7. Мы обработаем их в приоритетном порядке сразу в начале следующего рабочего дня.
Для оформления доставки минимальный порог составляет 3000 рублей. Если вы планируете забрать товар самовывозом, сумма заказа может быть любой (при условии наличия позиции на складе).
Еще никто не писал отзывов. Напишите первым!
Поговорите с экспертом нашей компании, за несколько минут он поможет вам не ошибиться в выборе, примет заказ в телефонном режиме и организуют оперативную доставку.
Получите бесплатную консультацию эксперта прямо сейчас!

Компания Prom-Pod.ru
Москва, Россия
Контакты: +7 499 229–40–33
zakaz@prom-pod.ru, prom-pod@mail.ru