71812 CDGB/P4
В наличии
Будет доступен:
Цена на подшипник 71812 CDGB/P4 является расчетной и зависит от следующих факторов:
Для уточнения актуальной цены и наличия:
Удлиненное внутреннее кольцо, вставка из нержавеющей стали, литые манжетные уплотнения.
Для двухрядных радиально-упорных шарикоподшипников: подшипник с защитной шайбой, без канавки на внутреннем кольце.
Уплотнение с двух сторон. Для двухрядных радиально-упорных шарикоподшипников: подшипник с защитной шайбой, без канавки на внутреннем кольце.
Внешнее самоцентрирование. Сепаратор расположен на внутреннем кольце.
Уплотнение с двух сторон. Внешнее самоцентрирование. Сепаратор расположен на внутреннем кольце.
Очищенная монтажная шайба, комплект с подшипником. Тип-выжимные подшипники. Уплотнение с двух сторон.
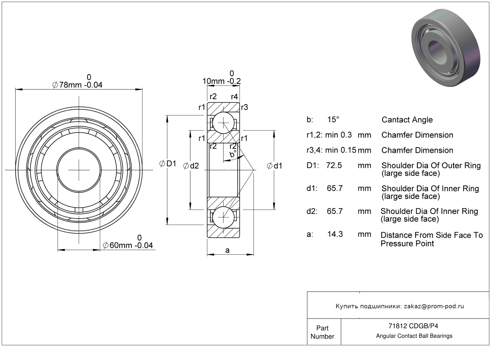
Однорядные радиально-упорные шарикоподшипники с углом контакта α=25. Класс точности P4 соответствует P4S по DIN 628-6.
Класс точности P4 соответствует P4S по DIN 628-6. Прецизионный однорядный радиально-упорный шарикоподшипник, угол контакта α=15.
Однорядные радиально-упорные шарикоподшипники с углом контакта α=25. Пара подшипников со специальным преднатягом, цифры указывают на среднее значение преднатяга в мкм. Плавающие лабиринтные уплотнения.
Пара подшипников со специальным преднатягом, цифры указывают на среднее значение преднатяга в мкм. Прецизионный однорядный радиально-упорный шарикоподшипник, угол контакта α=15. Плавающие лабиринтные уплотнения.
ACD + GA. Однорядные радиально-упорные шарикоподшипники с углом контакта α=25. Для универсального монтажа, очень лёгкий преднатяг (серии 719 D, 70 D и 72 D) или лёгкий преднатяг (серии 718 D, 719 E, 70 E, 719 B и 70 B). Пара подшипников со специальным преднатягом, цифры указывают на среднее значение преднатяга в мкм. Плавающие лабиринтные уплотнения.
ACD + GA. Однорядные радиально-упорные шарикоподшипники с углом контакта α=25. Для универсального монтажа, очень лёгкий преднатяг (серии 719 D, 70 D и 72 D) или лёгкий преднатяг (серии 718 D, 719 E, 70 E, 719 B и 70 B). Класс точности P4 соответствует P4S по DIN 628-6.
Однорядные радиально-упорные шарикоподшипники с углом контакта α=25. Для универсального монтажа, лёгкий преднатяг (серии 719 D, 70 D и 72 D) или средний преднатяг (серии 718 D, 719 E, 70 E, 719 B и 70 B). Класс точности P4 соответствует P4S по DIN 628-6.
Однорядные радиально-упорные шарикоподшипники с углом контакта α=25. Для универсального монтажа, средний преднатяг (серии 719 D, 70 D и 72 D) или большой преднатяг (серии 718 D, 719 E, 70 E, 719 B и 70 B). Класс точности P4 соответствует P4S по DIN 628-6.
CD + GA. Прецизионный однорядный радиально-упорный шарикоподшипник, угол контакта α=15. Подшипник для универсального монтажа. Два подшипника, установленные по О-образной или Х-образной схеме, имеют лёгкий преднатяг. Пара подшипников со специальным преднатягом, цифры указывают на среднее значение преднатяга в мкм. Плавающие лабиринтные уплотнения.
CD + GA. Прецизионный однорядный радиально-упорный шарикоподшипник, угол контакта α=15. Подшипник для универсального монтажа. Два подшипника, установленные по О-образной или Х-образной схеме, имеют лёгкий преднатяг. Класс точности P4 соответствует P4S по DIN 628-6.
Уплотнение с обеих сторон, NBR.
Двухрядный радиально-упорный шарикоподшипник без слота для ввода шариков, со сходящимися наружу углами контакта, жесткая конструкция.
Два уплотнителя из синтетического каучука.
Уплотнение с обеих сторон, NBR.
Внутренний зазор больше нормального.
Внутренний зазор больше нормального. Два уплотнителя из синтетического каучука.
Уплотнение с обеих сторон, NBR. Внутренний зазор больше нормального.
Уплотнения с двух сторон (для серии KH). Внутренний зазор больше нормального.
Подшипник с контактными уплотнениями с двух сторон, в случае двухрядных радиально-упорных шарикоподшипников - без канавки на внутреннем кольце. Штампованный латунный сепаратор.
Уплотнения с двух сторон (для серии KH). Штампованный латунный сепаратор.
Уплотнения с двух сторон (для серии KH). Внутренний зазор больше нормального. Штампованный латунный сепаратор.
Штампованный латунный сепаратор.
Внутренний зазор больше нормального. Штампованный латунный сепаратор.
Самоустанавливающийся шарикоподшипник с двумя уплотнениями из синтетического каучука.
Уплотнения с двух сторон (для серии KH).
Самоустанавливающийся шарикоподшипник с двумя уплотнениями из синтетического каучука. Максимальная грузоподьемность, слот для ввода шариков.
Максимальная грузоподьемность, слот для ввода шариков.
Самоустанавливающийся шарикоподшипник с двумя уплотнениями из синтетического каучука. Максимальная грузоподьемность, слот для ввода шариков. Одно механическое уплотнение.
Шарики и кольца из материала AISI 440C.
| Товар / Аналог | Тип | Расшифровка / Описание |
|---|---|---|
| SS71812 2RS | Радиально-упорный шариковый подшипник | Уплотнение с обеих сторон, NBR. |
| 61812C | Шариковый подшипник | Двухрядный радиально-упорный шарикоподшипник без слота для ввода шариков, со сходящимися наружу углами контакта, жесткая конструкция. |
| 61812-ZZ | Шариковый подшипник | Два уплотнителя из синтетического каучука. |
| 61812-2RS | Шариковый подшипник | Уплотнение с обеих сторон, NBR. |
| 61812-C3 | Шариковый подшипник | Внутренний зазор больше нормального. |
| 61812-ZZ-C3 | Шариковый подшипник | Внутренний зазор больше нормального. Два уплотнителя из синтетического каучука. |
| 61812-2RS-C3 | Шариковый подшипник | Уплотнение с обеих сторон, NBR. Внутренний зазор больше нормального. |
| 61812-2RZ-C3 | Шариковый подшипник | Уплотнения с двух сторон (для серии KH). Внутренний зазор больше нормального. |
| 61812-2RSR-Y | Шариковый подшипник | Подшипник с контактными уплотнениями с двух сторон, в случае двухрядных радиально-упорных шарикоподшипников - без канавки на внутреннем кольце. Штампованный латунный сепаратор. |
| 61812-2RZ-Y | Шариковый подшипник | Уплотнения с двух сторон (для серии KH). Штампованный латунный сепаратор. |
| 61812-2RZ-Y-C3 | Шариковый подшипник | Уплотнения с двух сторон (для серии KH). Внутренний зазор больше нормального. Штампованный латунный сепаратор. |
| 61812-Y | Шариковый подшипник | Штампованный латунный сепаратор. |
| 61812-Y-C3 | Шариковый подшипник | Внутренний зазор больше нормального. Штампованный латунный сепаратор. |
| 61812 | Шариковый подшипник | |
| 61812-2RS1 | Шариковый подшипник | Самоустанавливающийся шарикоподшипник с двумя уплотнениями из синтетического каучука. |
| 61812-2RZ | Шариковый подшипник | Уплотнения с двух сторон (для серии KH). |
| 61812-2RS1/W64 | Шариковый подшипник | Самоустанавливающийся шарикоподшипник с двумя уплотнениями из синтетического каучука. Максимальная грузоподьемность, слот для ввода шариков. |
| 61812/W64 | Шариковый подшипник | Максимальная грузоподьемность, слот для ввода шариков. |
| 61812-2RS1/W64L | Шариковый подшипник | Самоустанавливающийся шарикоподшипник с двумя уплотнениями из синтетического каучука. Максимальная грузоподьемность, слот для ввода шариков. Одно механическое уплотнение. |
| S6812 | Шариковый подшипник | Шарики и кольца из материала AISI 440C. |
Безусловно! Наши инженеры помогут найти идентичную замену или подобрать более износостойкий аналог. Свяжитесь с нами по телефону +7 (499) 229-40-33 или отправьте запрос на zakaz@prom-pod.ru.
Чтобы ускорить процесс, укажите маркировку с кольца подшипника, его размеры (d x D x B) или модель оборудования.
Да, для оптовых и постоянных партнеров мы предлагаем индивидуальный прайс-лист. Мы ценим долгосрочное сотрудничество и предоставляем гибкие условия.
Размер скидки фиксируется персонально и зависит от:
Для получения коммерческого предложения с учетом вашей скидки напишите на почту zakaz@prom-pod.ru.
Выберите наиболее удобный для вас вариант:
Для корпоративных клиентов у нас выделен отдельный отдел сопровождения. Позвоните по номеру +7 (499) 229-40-33 или пришлите реквизиты компании на email zakaz@prom-pod.ru.
Мы подготовим счет и полный пакет закрывающих документов в кратчайшие сроки.
Возврат изделий надлежащего качества возможен в течение 10 дней. Важно сохранить заводскую упаковку, товарный вид и отсутствие следов установки (монтажа).
Средства возвращаются в течение 10 рабочих дней после приемки и проверки товара на нашем складе.
Согласно регламенту, мы не принимаем к возврату подшипники со вскрытой упаковкой или явными признаками эксплуатации.
При этом мы полностью несем гарантийные обязательства: в случае обнаружения заводского брака производится оперативная замена или возврат средств.
Стандартный гарантийный срок хранения составляет 2 года. Чтобы подшипник сохранил свои свойства, важно держать его в сухом месте, в заводской упаковке и штатной консервационной смазке.
По конкретным сериям продукции точную информацию всегда подскажут наши менеджеры.
Мы на связи в будние дни с 8:00 до 17:00 (по Москве). Суббота и воскресенье — выходные.
Онлайн-заявки через сайт можно оставлять 24/7. Мы обработаем их в приоритетном порядке сразу в начале следующего рабочего дня.
Для оформления доставки минимальный порог составляет 3000 рублей. Если вы планируете забрать товар самовывозом, сумма заказа может быть любой (при условии наличия позиции на складе).
Еще никто не писал отзывов. Напишите первым!
Поговорите с экспертом нашей компании, за несколько минут он поможет вам не ошибиться в выборе, примет заказ в телефонном режиме и организуют оперативную доставку.
Получите бесплатную консультацию эксперта прямо сейчас!

Компания Prom-Pod.ru
Москва, Россия
Контакты: +7 499 229–40–33
zakaz@prom-pod.ru, prom-pod@mail.ru