NATR17-PP
В наличии
Будет доступен:
Цена на подшипник NATR17-PP является расчетной и зависит от следующих факторов:
Для уточнения актуальной цены и наличия:
Cферический профиль рабочей поверхности наружного кольца.
Герметичное уплотнение с встроенной упорной шайбой.
Герметичное уплотнение с встроенной упорной шайбой.
Цилиндрическое внешнее кольцо.
Цилиндрическое внешнее кольцо.
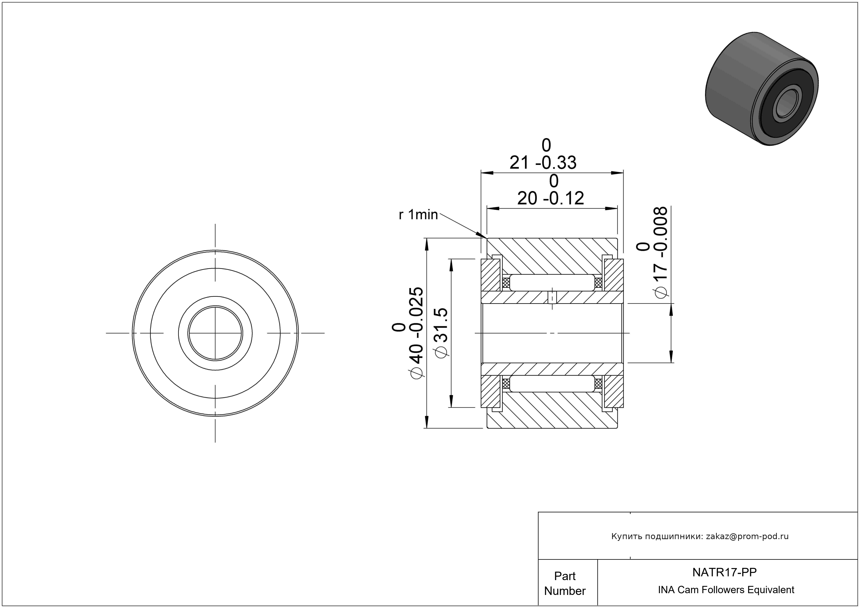
Герметичное уплотнение с встроенной упорной шайбой. Цилиндрическое внешнее кольцо.
Цилиндрическое внешнее кольцо.
Опорный ролик на основе роликоподшипника с двумя напрессованными фланцевыми кольцами, оснащённый комплектом игольчатых роликов с сепаратором.
Опорный ролик на основе роликоподшипника с двумя напрессованными фланцевыми кольцами, оснащённый комплектом игольчатых роликов без сепаратора.
Опорный ролик на основе роликоподшипника с двумя напрессованными фланцевыми кольцами, оснащённый комплектом игольчатых роликов без сепаратора. Уплотнение с двух сторон, у подшипников канатных шкивов.
Опорный ролик на основе двухрядного бессепараторного цилиндрического роликоподшипника с двумя бортами на наружном кольце и свободными фланцевыми кольцами с обеих сторон внутреннего кольца.
Герметичное уплотнение с встроенной упорной шайбой.
Герметичное уплотнение с встроенной упорной шайбой.
Герметичное уплотнение с встроенной упорной шайбой.
Манжетные уплотнения с обеих сторон (тип P - две шайбы из оцинкованной листовой стали с промежуточной частью из NBR, уплотнительная кромка с осевым преднатягом), диапазон температур -30 ~ 100℃. Cферический профиль рабочей поверхности наружного кольца.
Подшипник без сепаратора, с полным набором тел качения.
Манжетные уплотнения с обеих сторон (тип P - две шайбы из оцинкованной листовой стали с промежуточной частью из NBR, уплотнительная кромка с осевым преднатягом), диапазон температур -30 ~ 100℃. Подшипник без сепаратора, с полным набором тел качения.
Манжетные уплотнения с обеих сторон (тип P - две шайбы из оцинкованной листовой стали с промежуточной частью из NBR, уплотнительная кромка с осевым преднатягом), диапазон температур -30 ~ 100℃. Cферический профиль рабочей поверхности наружного кольца.
Cферический профиль рабочей поверхности наружного кольца.
Cферический профиль рабочей поверхности наружного кольца.
Cферический профиль рабочей поверхности наружного кольца.
Подшипник без сепаратора, с полным набором тел качения.
Цилиндрическое внешнее кольцо.
Цилиндрическое внешнее кольцо.
Резиновые уплотнения с каждой стороны подшипника. Внешние размеры, соответствующие международным стандартам. массивный сепаратор из лёгкого сплава.
Безусловно! Наши инженеры помогут найти идентичную замену или подобрать более износостойкий аналог. Свяжитесь с нами по телефону +7 (499) 229-40-33 или отправьте запрос на zakaz@prom-pod.ru.
Чтобы ускорить процесс, укажите маркировку с кольца подшипника, его размеры (d x D x B) или модель оборудования.
Да, для оптовых и постоянных партнеров мы предлагаем индивидуальный прайс-лист. Мы ценим долгосрочное сотрудничество и предоставляем гибкие условия.
Размер скидки фиксируется персонально и зависит от:
Для получения коммерческого предложения с учетом вашей скидки напишите на почту zakaz@prom-pod.ru.
Выберите наиболее удобный для вас вариант:
Для корпоративных клиентов у нас выделен отдельный отдел сопровождения. Позвоните по номеру +7 (499) 229-40-33 или пришлите реквизиты компании на email zakaz@prom-pod.ru.
Мы подготовим счет и полный пакет закрывающих документов в кратчайшие сроки.
Возврат изделий надлежащего качества возможен в течение 10 дней. Важно сохранить заводскую упаковку, товарный вид и отсутствие следов установки (монтажа).
Средства возвращаются в течение 10 рабочих дней после приемки и проверки товара на нашем складе.
Согласно регламенту, мы не принимаем к возврату подшипники со вскрытой упаковкой или явными признаками эксплуатации.
При этом мы полностью несем гарантийные обязательства: в случае обнаружения заводского брака производится оперативная замена или возврат средств.
Стандартный гарантийный срок хранения составляет 2 года. Чтобы подшипник сохранил свои свойства, важно держать его в сухом месте, в заводской упаковке и штатной консервационной смазке.
По конкретным сериям продукции точную информацию всегда подскажут наши менеджеры.
Мы на связи в будние дни с 8:00 до 17:00 (по Москве). Суббота и воскресенье — выходные.
Онлайн-заявки через сайт можно оставлять 24/7. Мы обработаем их в приоритетном порядке сразу в начале следующего рабочего дня.
Для оформления доставки минимальный порог составляет 3000 рублей. Если вы планируете забрать товар самовывозом, сумма заказа может быть любой (при условии наличия позиции на складе).
Еще никто не писал отзывов. Напишите первым!
Поговорите с экспертом нашей компании, за несколько минут он поможет вам не ошибиться в выборе, примет заказ в телефонном режиме и организуют оперативную доставку.
Получите бесплатную консультацию эксперта прямо сейчас!

Компания Prom-Pod.ru
Москва, Россия
Контакты: +7 499 229–40–33
zakaz@prom-pod.ru, prom-pod@mail.ru