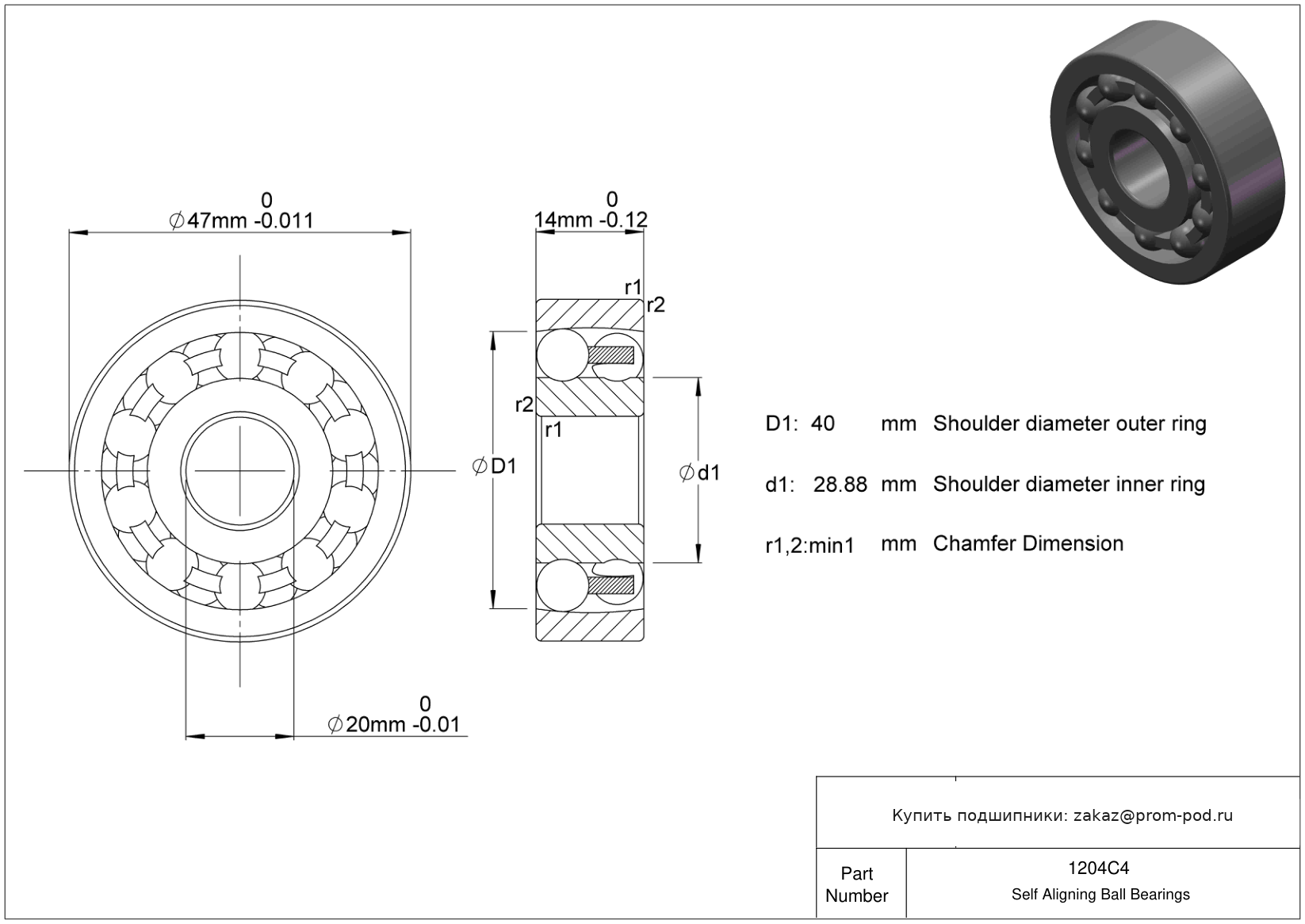
1204C4
В наличии
Будет доступен:
Цена на подшипник 1204C4 является расчетной и зависит от следующих факторов:
Для уточнения актуальной цены и наличия:
Сепаратор из полиамида, армированного стекловолокном. Упорный шариковый подшипник без упорного кольца.
Сепаратор из полиамида, армированного стекловолокном. Самоустанавливающийся шарикоподшипник с более высокой грузоподъемностью по сравнению с оригинальной конструкцией.
Шарики и кольца из материала AISI 440C. Сепаратор из полиамида, армированного стекловолокном. Упорный шариковый подшипник без упорного кольца.
Шарики и кольца из материала AISI 440C. Сепаратор из полиамида, армированного стекловолокном. Самоустанавливающийся шарикоподшипник с более высокой грузоподъемностью по сравнению с оригинальной конструкцией.
Для двухрядных радиально-упорных шарикоподшипников: подшипник с защитной шайбой, без канавки на внутреннем кольце.
Очищенная монтажная шайба, комплект с подшипником. Тип-выжимные подшипники.
Внешнее самоцентрирование. Сепаратор расположен на внутреннем кольце.
Сепаратор: Сепаратор из стеклонаполненного полиамида (PA66), защелкивающийся сепаратор, с центрированием по телам качения. Внутренний зазор больше нормального. Двухрядный радиально-упорный подшипник со слотом для ввода шариков, стандартная ширина и сходящиеся внутрь углы контакта, нежесткая конструкция.
Сепаратор: Сепаратор из стеклонаполненного полиамида (PA66), защелкивающийся сепаратор, с центрированием по телам качения. Внутренний зазор больше нормального.
Сепаратор: Сепаратор из стеклонаполненного полиамида (PA66), защелкивающийся сепаратор, с центрированием по телам качения.
Сепаратор из полиамида, армированного стекловолокном. Внутренний зазор больше нормального. Самоустанавливающийся шарикоподшипник с более высокой грузоподъемностью по сравнению с оригинальной конструкцией.
Сепаратор из полиамида, армированного стекловолокном. Внутренний зазор больше нормального. Самоустанавливающийся шарикоподшипник с более высокой грузоподъемностью по сравнению с оригинальной конструкцией. Максимальная грузоподьемность, слот для ввода шариков.
Сепаратор из полиамида, армированного стекловолокном. Самоустанавливающийся шарикоподшипник с более высокой грузоподъемностью по сравнению с оригинальной конструкцией. Максимальная грузоподьемность, слот для ввода шариков.
Двухрядный радиально-упорный подшипник со слотом для ввода шариков, стандартная ширина и сходящиеся внутрь углы контакта, нежесткая конструкция.
Внутренний зазор больше нормального.
Внутренний зазор больше нормального. Стальные фиксаторы.
Полиамидный сепаратор. Двухрядный радиально-упорный подшипник со слотом для ввода шариков, стандартная ширина и сходящиеся внутрь углы контакта, нежесткая конструкция.
Полиамидный сепаратор.
Двухрядный радиально-упорный шарикоподшипник без слота для ввода шариков, со сходящимися наружу углами контакта, жесткая конструкция.
Двухрядный радиально-упорный шарикоподшипник без слота для ввода шариков, со сходящимися наружу углами контакта, жесткая конструкция.
Одно уплотнение.
Двухрядный радиально-упорный подшипник со слотом для ввода шариков, стандартная ширина и сходящиеся внутрь углы контакта, нежесткая конструкция. Двухрядный радиально-упорный шарикоподшипник без слота для ввода шариков, со сходящимися наружу углами контакта, жесткая конструкция.
Стальные фиксаторы.
Двухрядный радиально-упорный подшипник со слотом для ввода шариков, стандартная ширина и сходящиеся внутрь углы контакта, нежесткая конструкция.
Сепаратор из полиамида, армированного стекловолокном. Внутренний зазор больше нормального. Упорный шариковый подшипник без упорного кольца.
Сепаратор из полиамида, армированного стекловолокном. Внутренний зазор больше нормального. Самоустанавливающийся шарикоподшипник с более высокой грузоподъемностью по сравнению с оригинальной конструкцией. Максимальная грузоподьемность, слот для ввода шариков. Уплотнение типа Flex Seal с одной стороны. Минимальный крутящий момент, низкий уровень трения, которое обеспечивает удержание смазки и защиты от загрязнений. Изготовлен из алюминия / ламинированного волокна.
Внутренний зазор больше нормального.
Двухрядный радиально-упорный подшипник со слотом для ввода шариков, стандартная ширина и сходящиеся внутрь углы контакта, нежесткая конструкция. Стальные фиксаторы.
Уплотнение с обеих сторон, NBR.
Бесконтактное (лабиринтное) уплотнение с двух сторон подшипника.
Подшипник типа ICOS.
Отверстие для смазки маслом через наружное кольцо с открытой стороны, уплотнение наружного кольца с помощью уплотнительных колец.
Высокоскоростное исполнение. K+DD. Тип Conrad, без паза для ввода шариков. Две защитные шайбы.
K+D. Тип Conrad, без паза для ввода шариков. Одна защитная шайба.
K+DD. Тип Conrad, без паза для ввода шариков. Две защитные шайбы.
Подшипники из стали со специальной обработкой. Внутренний зазор больше нормального.
Шарики и кольца из материала AISI 440C.
Специальная сталь с термообработкой для более длительного срока службы.
Специальная сталь с термообработкой для более длительного срока службы. Сепаратор состоящий из двух плоских штампованных колец, центрируемый по шарикам.
Специальная сталь с термообработкой для более длительного срока службы. Штампованный сепаратор из упрочнённой стали. Внутренний зазор больше нормального.
Специальная сталь с термообработкой для более длительного срока службы. Подшипники сортируются на две группы в зависимости от допуска внутреннего и наружнего диаметра. Два уплотнения Mechani-Seals, взаимозаменяемые с серией RR, но имеющие бесконтактные лабиринтные уплотнения и стальные сепараторы для работы при низких крутящих моментах, высоких скоростях и высоких температурах. (До 350°F/176°C).
Корпус картридж, стальной корпус. Стандартное контактное нитрильное уплотнение с двух сторон подшипника (от -20 до +120°C).
Угол контакта 25 градусов. Специальный радиальный зазор, цифры указывают на среднее значение класса зазора в мкм.
Специальный радиальный зазор, цифры указывают на среднее значение класса зазора в мкм. Сходящийся наружу угол контакта со слотом для ввода шариков серии 5000. Жесткая конструкция.
Шарики и кольца из материала AISI 440C.
Шарики и кольца из материала AISI 440C. Уплотнение с обеих сторон, NBR.
Шарики и кольца из материала AISI 440C. Два уплотнителя из синтетического каучука.
| Товар / Аналог | Тип | Расшифровка / Описание |
|---|---|---|
| SS7204 2RS | Радиально-упорный шариковый подшипник | Уплотнение с обеих сторон, NBR. |
| AC-TMB204LLB | Шариковый подшипник | Бесконтактное (лабиринтное) уплотнение с двух сторон подшипника. |
| ICOS-D1B04 TN9 | Шариковый подшипник | Подшипник типа ICOS. |
| L20 | Шариковый подшипник | Отверстие для смазки маслом через наружное кольцо с открытой стороны, уплотнение наружного кольца с помощью уплотнительных колец. |
| H204KDD | Шариковый подшипник | Высокоскоростное исполнение. K+DD. Тип Conrad, без паза для ввода шариков. Две защитные шайбы. |
| 204KD | Шариковый подшипник | K+D. Тип Conrad, без паза для ввода шариков. Одна защитная шайба. |
| 204KDD | Шариковый подшипник | K+DD. Тип Conrad, без паза для ввода шариков. Две защитные шайбы. |
| TM204C3 | Шариковый подшипник | Подшипники из стали со специальной обработкой. Внутренний зазор больше нормального. |
| S-204 | Шариковый подшипник | Шарики и кольца из материала AISI 440C. |
| TMB204 | Шариковый подшипник | Специальная сталь с термообработкой для более длительного срока службы. |
| TMB204JR | Шариковый подшипник | Специальная сталь с термообработкой для более длительного срока службы. Сепаратор состоящий из двух плоских штампованных колец, центрируемый по шарикам. |
| TMB204JR2C3 | Шариковый подшипник | Специальная сталь с термообработкой для более длительного срока службы. Штампованный сепаратор из упрочнённой стали. Внутренний зазор больше нормального. |
| TMB204LLUC3 | Шариковый подшипник | Специальная сталь с термообработкой для более длительного срока службы. Подшипники сортируются на две группы в зависимости от допуска внутреннего и наружнего диаметра. Два уплотнения Mechani-Seals, взаимозаменяемые с серией RR, но имеющие бесконтактные лабиринтные уплотнения и стальные сепараторы для работы при низких крутящих моментах, высоких скоростях и высоких температурах. (До 350°F/176°C). |
| CS204LLU | Шариковый подшипник | Корпус картридж, стальной корпус. Стандартное контактное нитрильное уплотнение с двух сторон подшипника (от -20 до +120°C). |
| BSA 204 CGA | Радиально-упорный шариковый подшипник | Угол контакта 25 градусов. Специальный радиальный зазор, цифры указывают на среднее значение класса зазора в мкм. |
| BSA 204 CGB | Радиально-упорный шариковый подшипник | Специальный радиальный зазор, цифры указывают на среднее значение класса зазора в мкм. Сходящийся наружу угол контакта со слотом для ввода шариков серии 5000. Жесткая конструкция. |
| S6204 | Шариковый подшипник | Шарики и кольца из материала AISI 440C. |
| S6204 2rs | Шариковый подшипник | Шарики и кольца из материала AISI 440C. Уплотнение с обеих сторон, NBR. |
| S6204zz | Шариковый подшипник | Шарики и кольца из материала AISI 440C. Два уплотнителя из синтетического каучука. |
| 6204 | Шариковый подшипник |
Безусловно! Наши инженеры помогут найти идентичную замену или подобрать более износостойкий аналог. Свяжитесь с нами по телефону +7 (499) 229-40-33 или отправьте запрос на zakaz@prom-pod.ru.
Чтобы ускорить процесс, укажите маркировку с кольца подшипника, его размеры (d x D x B) или модель оборудования.
Да, для оптовых и постоянных партнеров мы предлагаем индивидуальный прайс-лист. Мы ценим долгосрочное сотрудничество и предоставляем гибкие условия.
Размер скидки фиксируется персонально и зависит от:
Для получения коммерческого предложения с учетом вашей скидки напишите на почту zakaz@prom-pod.ru.
Выберите наиболее удобный для вас вариант:
Для корпоративных клиентов у нас выделен отдельный отдел сопровождения. Позвоните по номеру +7 (499) 229-40-33 или пришлите реквизиты компании на email zakaz@prom-pod.ru.
Мы подготовим счет и полный пакет закрывающих документов в кратчайшие сроки.
Возврат изделий надлежащего качества возможен в течение 10 дней. Важно сохранить заводскую упаковку, товарный вид и отсутствие следов установки (монтажа).
Средства возвращаются в течение 10 рабочих дней после приемки и проверки товара на нашем складе.
Согласно регламенту, мы не принимаем к возврату подшипники со вскрытой упаковкой или явными признаками эксплуатации.
При этом мы полностью несем гарантийные обязательства: в случае обнаружения заводского брака производится оперативная замена или возврат средств.
Стандартный гарантийный срок хранения составляет 2 года. Чтобы подшипник сохранил свои свойства, важно держать его в сухом месте, в заводской упаковке и штатной консервационной смазке.
По конкретным сериям продукции точную информацию всегда подскажут наши менеджеры.
Мы на связи в будние дни с 8:00 до 17:00 (по Москве). Суббота и воскресенье — выходные.
Онлайн-заявки через сайт можно оставлять 24/7. Мы обработаем их в приоритетном порядке сразу в начале следующего рабочего дня.
Для оформления доставки минимальный порог составляет 3000 рублей. Если вы планируете забрать товар самовывозом, сумма заказа может быть любой (при условии наличия позиции на складе).
Еще никто не писал отзывов. Напишите первым!
Поговорите с экспертом нашей компании, за несколько минут он поможет вам не ошибиться в выборе, примет заказ в телефонном режиме и организуют оперативную доставку.
Получите бесплатную консультацию эксперта прямо сейчас!

Компания Prom-Pod.ru
Москва, Россия
Контакты: +7 499 229–40–33
zakaz@prom-pod.ru, prom-pod@mail.ru